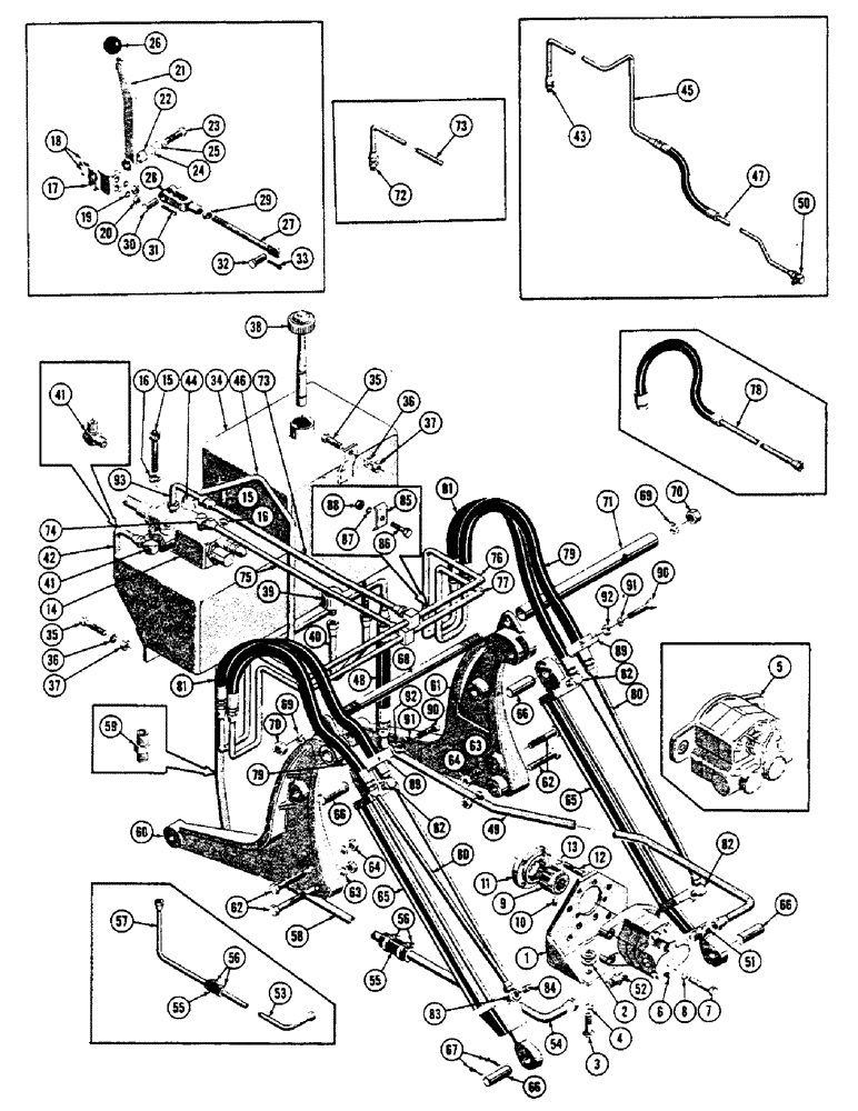
Запчасти Case 600 (176) - STRAIGHT OR ANGLE DOZER HYDRAULIC INST., (USED UP TO S/N 7060799) (07) - HYDRAULIC SYSTEM

Схема запчастей Case 600 - (176) - STRAIGHT OR ANGLE DOZER HYDRAULIC INST., (USED UP TO S/N 7060799) (07) - HYDRAULIC SYSTEM
FIT
1:1
100%

Артикул

Название

Примечание

Количество

1

33430

PAD

BRACKET ASS'Y - pump mtg, hydraulic pump system

1шт.

2

40581

SPACER,1-1/2” x 1-1/2” x 1/4" Tk

SHIM - .010 thick, hydraulic pump system

1шт.

3

13-1024

BOLT,Hex, 5/8" - 11 x 1-1/2", Gr 5, Full Thd

(33430 mtg.) (45158), hydraulic pump system Hex, 5/8"-11 x 1 1/2", G5, Full Thd

2шт.

4

92-10

LOCK WASHER,5/8"

WASHER, LOCK, (48450), Hydraulic pump system 5/8"

2шт.

5

31615

CAP

PUMP ASS'Y - hydraulic (Used up to serial #4-27-56) (See Figure #300 for breakdown), hydraulic pump system

1шт.

6

31614

PUMP ASS'Y - hydraulic (Used from serial #4-27-56) (See Figure #298 for breakdown), hydraulic pump system

1шт.

7

13-616

BOLT,Hex, 3/8" - 16 x 1", Gr 5, Full Thd

(31615 mtg.) (Used up to S/N 4-27-56), hydraulic pump system Hex, 3/8"-16 x 1", G5, Full Thd

4шт.

13-832

BOLT,Hex, 1/2" - 13 x 2", Gr 5

(31614 mtg.) (Used from S/N 4-27-56), hydraulic pump system Hex, 1/2"-13 x 2", G5

4шт.

8

92-6

LOCK WASHER,3/8"

(Used up serial #4-27-56), hydraulic pump system 3/8"

4шт.

92-8

LOCK WASHER,1/2"

(Used from serial #4-27-56), hydraulic pump system 1/2"

4шт.

9

30480

X

COUPLING - male, hydraulic pump system

1шт.

10

83-58

SET SCREW,Hex Soc, 5/16"-18 x 1/2"

SCREW - set, 5/16-18 NC x 1/2 (30480 mtg.) (47306), hydraulic pump system

1шт.

11

10493

COUPLING FLANGE

COUPLING - female, hydraulic pump system

1шт.

12

13-512

BOLT,Hex, 5/16" - 18 x 3/4", Gr 5

(10493 mtg.) (45029), hydraulic pump system Hex, 5/16"-18 x 3/4", G5, Full Thd

4шт.

13

92-5

LOCK WASHER,5/16"

(48445), hydraulic pump system 5/16"

4шт.

14

16130

TUBE

VALVE ASS'Y - hydraulic control (See Figure #326 for breakdown), and lever system

1шт.

15

62-864

SHCS 1/2-20 NF x 4 (16130 mtg.) (47570), lever & vale system

2шт.

16

92-8

LOCK WASHER,1/2"

(48448), lever & valve system 1/2"

2шт.

17

32322

BRACKET - control lever, lever & vale system

1шт.

18

14-616

BOLT,Hex, 3/8" - 24 x 1", Gr 5

HHCS 3/8-24 NF x 1 (32322 mtg.) (45656), lever & vale system

2шт.

19

92-6

LOCK WASHER,3/8"

(48446), lever & vale system 3/8"

2шт.

20

25-116

NUT,Hex, 3/8"-24, G5

- reg. SF hex (3/8-24 NF) (48102), lever & vale system

2шт.

21

33446

LEVER - valve control, lever & vale system

1шт.

22

NLS

NO LONGER SERVICED

BUSHING - spacer, lever & vale system

1шт.

23

14-836

BOLT,Hex, 1/2" - 20 x 2-1/4", Gr 5

HHCS 1/2-20 NF x 2-1/4 (33446 mtg.) (45711), lever & vale system

1шт.

24

195-33

WASHER,1/2"

- plain (48428), lever & vale system

1шт.

25

92-8

LOCK WASHER,1/2"

(48448), lever & valve system 1/2"

1шт.

26

CAS31375

KNOB

BALL - grip, lever & vale system

1шт.

27

32361

SNAP RING

LINK - valve control, lever & vale system

1шт.

28

213-4

ADJUSTABLE CLEVIS,3/8"-24 x 2 1/2"

YOKE - adjustable (48603), lever & vale system

1шт.

29

25-116

NUT,Hex, 3/8"-24, G5

- reg. SF hex (3/8-24 NF) (48102), lever & vale system

1шт.

30

141-4

CLEVIS PIN,3/8" x 1.060"

PIN, CLEVIS, (48663), Lever and valve system 3/8" x 1.060"

1шт.

31

132-26

COTTER PIN

Pin, Split (Cotter), 3/32" x 3/4" (48683), lever and valve system

1шт.

32

141-2

CLEVIS PIN,1/4" x .770"

PIN - yoke (48661), lever & vale system

1шт.

33

132-7

COTTER PIN,1/16" x 3/4"

Pin, Split (Cotter), (48674), Lever and valve system 1/16" x 3/4"

1шт.

34

33364

TANK ASS'Y - hydraulic, primary system

1шт.

35

14-612

BOLT,Hex, 3/8" - 24 x 3/4", Gr 5, Full Thd

(33364 mtg.) (45654), primary hydraulic system Hex, 3/8"-24 x 3/4", G5, Full Thd

3шт.

36

92-6

LOCK WASHER,3/8"

(48446), primary hydraulic system 3/8"

3шт.

37

25-116

NUT,Hex, 3/8"-24, G5

- reg. SF hex (3/8-24 NF) (48102), primary hydraulic system

3шт.

38

35072

FILLER CAP & GAUGE STICK ASS'Y, primary hydraulic system

1шт.

39

31543

BREATHER

- filter, primary hydraulic system

1шт.

40

19235

TUBE ASS'Y - breather filter, primary hydraulic system

1шт.

41

218-486

ELBOW,90 Degree Elbow, 1-1/16" - 12 Male JIC x 3/4" - 14 Male NPTF

- 90 degree male, 3/4 JIC to 3/4 NP (50116), primary hydraulic system

2шт.

42

19243

TUBE ASS'Y - valve to tank, primary hydraulic system

1шт.

43

218-458

HYD CONNECTOR,1-1/16" - 12 Male JIC x 1/2" - 14 Male NPTF

CONNECTOR - male, 3/4 JIC to 1/2 NP (Used up to serial #10-28-56) (50027), primary hydraulic system

1шт.

44

218-546

ELBOW,45 Degree, 1 1/16-12" 37 Degree x 1/2"-14, NPTF

- 45 degree male, 3/4 JIC to 1/2 NP (Used from ser. #10-28-56), primary hydraulic system

1шт.

45

19151

X

TUBE ASS'Y - valve to pump (Used up to ser. #12-26-55), primary hydraulic system

1шт.

46

33404

TUBE ASS'Y - valve to pump (Used from serial #12-26-55) (Order with ref. #45 for models prior to serial #10-28-56), primary hydraulic system

1шт.

47

19150

HOSE & TUBE ASS'Y - valve to pump (Used up to ser. #12-26-55), primary hydraulic system

1шт.

33403

BRAKE LINING

HOSE & TUBE ASS'Y - valve to pump (Used from serial #12-26-55 and up to #7060110), primary hydraulic system

1шт.

48

35964

HOSE ASS'Y - valve to pump (Used from serial #7060110), primary hydraulic system

1шт.

49

35962

SUPPORT

TUBE ASS'Y - valve to pump (Used from serial #7060110), primary hydraulic system

1шт.

50

218-486

ELBOW,90 Degree Elbow, 1-1/16" - 12 Male JIC x 3/4" - 14 Male NPTF

- 90 degree male, 3/4 JIC to 3/4 NP (Used up to serial #12-26-55) (50116), primary hydraulic system

1шт.

51

218-446

HYD CONNECTOR,1-1/16" - 12 Male JIC x 3/4" - 14 Male NPTF

CONNECTOR - male, 3/4 JIC to 3/4 NP (Used from serial #12-26-55) (50026), primary hydraulic system

1шт.

52

218-459

HYD CONNECTOR,1-5/16" - 12 Male JIC x 3/4" - 14 Male NPTF

CONNECTOR - male, 1" JIC to 3/4 NP (Used up to serial #4-27-56) (50030), primary hydraulic system

1шт.

218-448

HYD CONNECTOR,1-5/16" - 12 Male JIC x 1" - 11-1/2 Male NPTF

CONNECTOR - male, L" JIC to 1" NP (Used from serial #4-27-56) (50029)

1шт.

53

19159

TUBE ASS'Y - tank to pump (Used up to serial #12-26-55)

1шт.

54

33401

TUBE ASS'Y - tank to pump (Used from serial #12-26-55)

1шт.

55

32798

HOSE

- low pressure

1шт.

56

214-1420

HOSE CLAMP,#20, 0.81" - 1.75", Type F Worm

CLAMP - hose

2шт.

57

19160

HYDRAULIC MOTOR

TUBE ASS'Y - tank to pump (Used up to serial #12-26-55)

1шт.

58

39239

TUBE ASS'Y - tank to pump (Used from serial #12-26-55)

1шт.

59

219-448

CONNECTOR - male, 1" JIC to 1" NP (50029)

1шт.

60

33463

BOLT

BRACKET - cylinder, R.H., lift hydraulic system

1шт.

61

33464

BRACKET - cylinder, L.H., lift hydraulic system

1шт.

62

14-1040

BOLT,Hex, 5/8" - 18 x 2-1/2", Gr 5

HHCS - 5/8-18 NF x 2-1/2 (33463 & 33464 mtg.) (45762), lift cylinder hydraulic system

4шт.

63

92-10

LOCK WASHER,5/8"

WASHER, LOCK, (48450), Lift cylinder hydraulic system 5/8"

4шт.

64

25-1110

NUT,5/8"-18, G5

- reg. SF hex (5/8-18 NF) (48106), lift cylinder hydraulic system

4шт.

65

32500

CYLINDER ASS'Y - hydraulic (See Figure #282 for breakdown), lift cylinder hydraulic system

2шт.

66

16888

PIN (32500 mtg.), lift cylinder hydraulic system

4шт.

67

132-154

COTTER PIN,1/4" x 2"

Pin, Split (Cotter), (48739), Lift cylinder hydraulic system 1/4" x 2"

8шт.

68

38170

SUPPORT

BAR ASS'Y - tie, lift cylinder hydraulic system

1шт.

69

92-12

LOCK WASHER,3/4"

WASHER, LOCK, (48452), Lift cylinder hydraulic system 3/4"

2шт.

70

25-1112

NUT,3/4"-16, G5

- reg. SF hex (3/4-16 NF) (48107), lift cylinder hydraulic system

2шт.

71

33457

SPACER ASS'Y, lift cylinder hydraulic system

1шт.

72

218-445

HYD CONNECTOR,7/8" - 14 Male JIC x 1/2" - 14 Male NPTF

CONNECTOR - male, 5/8 JIC to 1/2 NP (Used up to ser. #12-21-56), lift cylinder hydraulic system

1шт.

73

33476

SCREW

TUBE ASS'Y - (For models prior to ser. #12-21-56, order with ref. #93), lift cylinder hydraulic system

1шт.

74

218-485

ELBOW,90 Degree Elbow, 7/8" - 14 Male JIC x 1/2" - 14 Male NPTF

- 90 degree male 5/8 JIC to 1/2 NP (50114), lift cylinder hydraulic system

1шт.

75

33477

SCREW,.625" OD, 21" Length

TUBE ASS'Y - valve to manifold, lift cylinder hydraulic system

1шт.

76

33479

TUBE ASS'Y - manifold, rear ports, lift cylinder hydraulic system

1шт.

77

33478

TUBE ASS'Y - manifold front ports, lift cylinder hydraulic system

1шт.

78

19252

X

HOSE & TUBE ASS'Y - manifld to lift cylinder (Used up to serial 7060110), lift cylinder hydraulic system

2шт.

79

35646

HOSE

ASS'Y - manifold to lift cylinder (Used from ser. #7060110), lift cylinder hydraulic system

2шт.

80

35972

HYD TUBE,24.812 mm Length

TUBE ASS'Y - manifold to lift cylinder (Used from ser. #7060110), lift cylinder hydraulic system

2шт.

81

18950

HOSE ASS'Y - manifold to lift cylinder, lift cylinder hydraulic system

2шт.

82

218-485

ELBOW,90 Degree Elbow, 7/8" - 14 Male JIC x 1/2" - 14 Male NPTF

- 90 degreem male, 5/8 JIC to 1/2 NP (50114), lift cylinder hydraulic system

3шт.

83

33888

SPECIAL TEE 1/8 NP x 1/2 NP x 5/8 JIC, lift cylinder hydraulic system

1шт.

84

221-11

PLUG,Sq Hd, 1/8"-27

- pipe, ext. Sq. hd., 1/8 NP (41820), lift cylinder hydraulic system

1шт.

85

32978

PLATE ASSY.

CLAMP - tube (33478 & 33479 mtg.), lift cylinder hydraulic system

2шт.

86

14-524

BOLT,Hex, 5/16" - 24 x 1-1/2", Gr 5

HHCS, 5/16-24 NF x 1-1/2 (32978 mtg.) (45633), lift cylinder hydraulic system

2шт.

87

92-5

LOCK WASHER,5/16"

(48445), lift cylinder hydraulic system 5/16"

2шт.

88

25-115

NUT,5/16"-24, G5

- reg. SF hex (5/16"-24 NF) (48101), lift cylinder hydraulic system

2шт.

89

32978

PLATE ASSY.

CLAMP - hose, lift cylinder hydraulic system

4шт.

90

14-520

BOLT,Hex, 5/16" - 24 x 1-1/4", Gr 5

(45632), Lift cylinder hydraulic system Hex, 5/16"-24 x 1 1/4", G5

2шт.

91

92-5

LOCK WASHER,5/16"

(48445), lift cylinder hydraulic system 5/16"

2шт.

92

25-115

NUT,5/16"-24, G5

- reg. SF hex (5/16"-24 NF) (48101), lift cylinder hydraulic system

2шт.

93

36611

GEAR

TUBE ASS'Y, lift cylinder hydraulic system

1шт.

Выбрано товаров: 97