Запчасти Case 600 (182) - HYDRAULIC ANGLE DOZER INSTALLATION, FRAME, MOLDBOARD, CYL., STRUTS, MTG. PARTS (FROM S/N 7060799) (07) - HYDRAULIC SYSTEM

Схема запчастей Case 600 - (182) - HYDRAULIC ANGLE DOZER INSTALLATION, FRAME, MOLDBOARD, CYL., STRUTS, MTG. PARTS (FROM S/N 7060799) (07) - HYDRAULIC SYSTEM
FIT
1:1
100%

Артикул

Название

Примечание

Количество

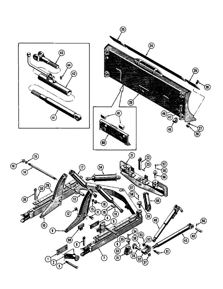
1

34142

PIVOT

SPACER - push trunnion

2шт.

2

33721

TRUNNION - push

2шт.

3

16-12192

BOLT (MACHINE)

HHMB 3/4-16 NF x 12 (34142 & 33721 mt'g.) (46494)

4шт.

4

34141

RING

SPACER - rub plate

2шт.

5

33720

PLATE - rub

2шт.

6

16-12192

BOLT (MACHINE)

HHMB 3/4-16 NF x 12 (34141 & 33720 mt'g.) (46494)

4шт.

7

38237

TIGHTENER

"C" FRAME ASS'Y. - dozer

1шт.

8

38679

PIN ASS'Y. - (38237 mt'g.)

2шт.

9

31910

CHAIN

BRACKET - cylinder, R.H.

1шт.

10

31911

BRACKET - cylinder, L.H.

1шт.

11

14-1040

BOLT,Hex, 5/8" - 18 x 2-1/2", Gr 5

HHCS 5/8-18 NF x 2-1/2 (31910 & 31911 mt'g.) (45762)

4шт.

12

131-154

LOCK NUT,5/8"-18, GA

NUT - lock (5/8-18 NF) (11946)

4шт.

13

33457

SPACER ASS'Y. - cylinder brackets

1шт.

14

32627

CAMSHAFT BEARING

ROD - tie

1шт.

15

92-12

LOCK WASHER,3/4"

WASHER, LOCK, (48452) 3/4"

2шт.

16

25-1112

NUT,3/4"-16, G5

- reg. SF hex (3/4-16 NF) (48107)

2шт.

17

32500

CYLINDER ASS'Y. - hydraulic lift (See figure #266 for breakdown)

2шт.

18

16888

PIN (32500 mt'g.)

4шт.

19

132-154

COTTER PIN,1/4" x 2"

Pin, Split (Cotter), (48739) 1/4" x 2"

8шт.

20

38230

ROD

MOLDBOARD ASS'Y. - dozer

1шт.

21

R-11116

SWIVEL ASS'Y. - pivot

1шт.

22

16869

PIN ASS'Y. - pivot

1шт.

23

138-180

LOCK PIN,3/8" x 2 1/2", Slotted

PIN, 3/8" x 2 1/2", Slotted

1шт.

24

16792

EDGE, CUTTING

BLADE - cutting, center

1шт.

25

16042

EDGE

BLADE - cutting, end

2шт.

26

19-828

BOLT,1/2"-13 x 1 3/4", G5

- plow, 1/2-13 NC x 1-3/4 (16792 & 16042 mt'g.) (46707)

24шт.

27

92-8

LOCK WASHER,1/2"

(48448) 1/2"

24шт.

28

25-108

NUT,1/2"-13, G5

- reg. SF hex (1/2-13 NC) (47804)

24шт.

29

38186

LINE

PLATE - slide

2шт.

30

62-828

FHCS 1/2-20 NF x 1-3/4 (38186 mt'g.)

26шт.

31

39127

BRACKET

- slide

2шт.

32

39125

BRACKET - strut

2шт.

33

39130

PIN ASS'Y. - (39127 mt'g.)

2шт.

34

14-812

BOLT,Hex, 1/2" - 20 x 3/4", Gr 5

HHCS 1/2-20 NF x 3/4 (39130 mt'g.) (45704)

2шт.

35

92-8

LOCK WASHER,1/2"

(48448) 1/2"

2шт.

36

38204

PIN ASS'Y. - angling stop

2шт.

37

39131

WASHER

2шт.

38

39124

PAWL

PIN ASS'Y. - strut

2шт.

39

138-180

LOCK PIN,3/8" x 2 1/2", Slotted

PIN, (49870) 3/8" x 2 1/2", Slotted

2шт.

40

38223

STRUT ASS'Y. - upper

2шт.

41

38222

SCREW ASS'Y. - bottom strut

1шт.

42

38063

TURNBUCKLE ASS'Y.

1шт.

43

38055

SCREW ASS'Y. - top strut

1шт.

44

219-1

LUBE NIPPLE,1/8" - 27 NPTF

FITTING - straight grease, 1/8 NP (49200)

1шт.

45

38225

STRUT ASS'Y. - lower

2шт.

46

38023

UNIVERSAL

4шт.

47

38067

PIN (38023 mt'g.)

4шт.

48

138-178

LOCK PIN,3/8" x 2 1/4", Slotted

PIN, (49872) 3/8" x 2 1/4", Slotted

4шт.

49

38068

PIN (38223 & 38225 mt'g.)

4шт.

50

138-178

LOCK PIN,3/8" x 2 1/4", Slotted

PIN, (49872) 3/8" x 2 1/4", Slotted

4шт.

51

38025

SPARE PART

BOLT - strut (38223 mt'g.)

2шт.

52

25-1912

SLOTTED NUT,3/4"-16, G5, Thk

NUT - castle (3/4-16 NF) (48347)

2шт.

53

132-34

COTTER PIN,3/32" x 1 3/4"

Pin, Split (Cotter), (48689) 3/32" x 1 3/4"

2шт.

54

38552

CYLINDER ASS'Y. - hydraulic angling, L.H. (See figure #266 for breakdown)

1шт.

55

38553

CYLINDER ASS'Y. - hydraulic angling, R.H. (See figure #266 for breakdown)

1шт.

56

38549

SHIM

PIN ASS'Y. (38552 & 38553 mt'g.)

4шт.

57

14-812

BOLT,Hex, 1/2" - 20 x 3/4", Gr 5

HHCS 1/2-20 NF x 3/4 (38540 mt'g.) (45704)

4шт.

58

92-8

LOCK WASHER,1/2"

(48448) 1/2"

4шт.

59

33676

DRAWBAR SUPPORT

BLOCK ASS'Y. - spring lockout

2шт.

60

R11134

MOLDBOARD ASS'Y. - dozer, special parts for hydraulic angle - backhoe combination

1шт.

61

30463

COUNTERWEIGHT, special parts for hydraulic angle dozer - backhoe combination

2шт.

Выбрано товаров: 61