Запчасти Case 600 (060) - UNIVERSAL SHAFT ASSEMBLY, SHAFT, BEARINGS, JOURNAL, END YOKES (03) - TRANSMISSION

Схема запчастей Case 600 - (060) - UNIVERSAL SHAFT ASSEMBLY, SHAFT, BEARINGS, JOURNAL, END YOKES (03) - TRANSMISSION
FIT
1:1
100%

Артикул

Название

Примечание

Количество

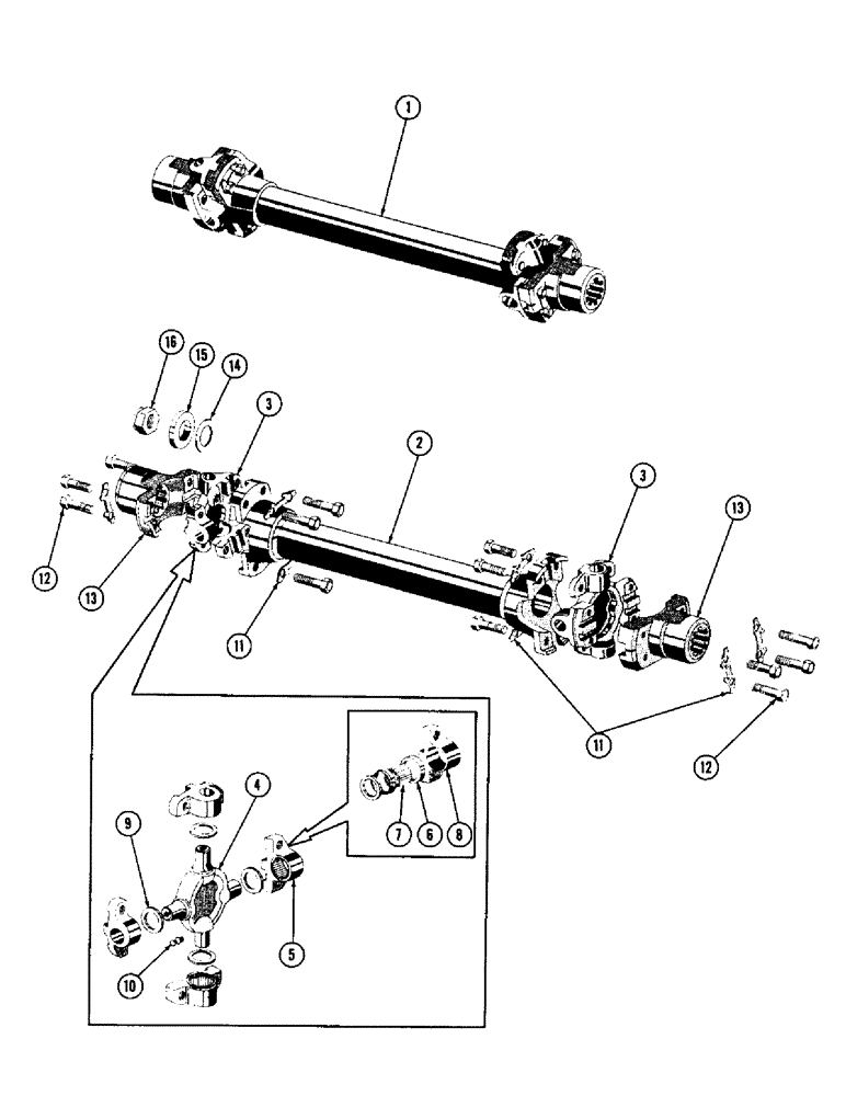
1

31428

SHAFT ASS'Y. - universal

1шт.

2

NSS

NOT SOLD SEPARAT

TUBE ASS'Y. - universal

1шт.

3

5996

DIFF. SPIDER

BEARING & JOURNAL KIT

2шт.

4

NSS

NOT SOLD SEPARAT

SPIDER - universal

1шт.

5

19329

BEARING ASSY

BEARING ASS'Y. - universal

4шт.

6

NSS

NOT SOLD SEPARAT

RETAINER - bearing

1шт.

7

NSS

NOT SOLD SEPARAT

ROLLER - bearing

25шт.

8

NSS

NOT SOLD SEPARAT

BEARING - universal

1шт.

9

31719

WASHER

- cork

4шт.

10

31724

X

FITTING - grease

1шт.

11

NLS

NO LONGER SERVICED

PLATE - lock

8шт.

12

31725

HHCS 5/16-24 NF x 7/8 (31729 mt'g.)

16шт.

13

31729

PRESSURE PIPE

YOKE - universal end

2шт.

14

34395

SEALING WASHER

WASHER - neoprene (5003 mt'g.)

1шт.

15

32601

WASHER

- yoke retaining (5003 mt'g.)

1шт.

16

131-152

HARDWARE

NUT - elastic lock (3/4-16 NF) (48070)

1шт.

Выбрано товаров: 16