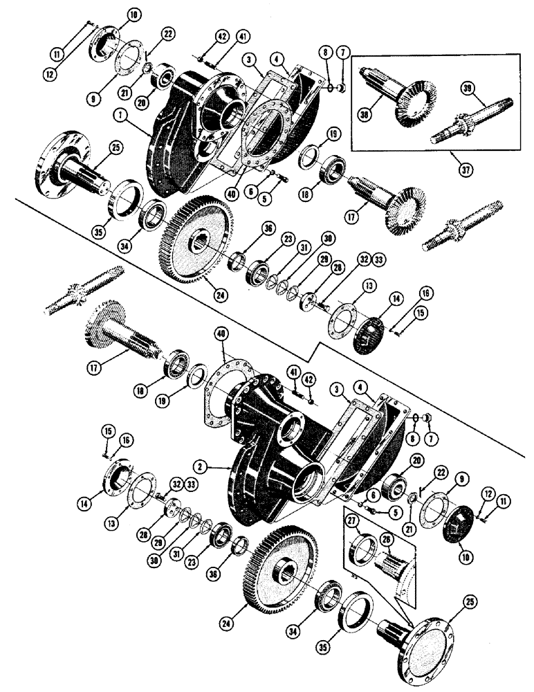
Запчасти Case 600 (082) - TRANSMISSION INSTALLATION (STANDARD), FINAL DRIVE & MTG. PARTS (USED FROM S/N 656-471) (03) - TRANSMISSION

Схема запчастей Case 600 - (082) - TRANSMISSION INSTALLATION (STANDARD), FINAL DRIVE & MTG. PARTS (USED FROM S/N 656-471) (03) - TRANSMISSION
FIT
1:1
100%

Артикул

Название

Примечание

Количество

74405

SPARE PART TRANSMISSION & FINAL DRIVE ASSY. - cont'd

1шт.

35675

SHIM,.007" Thk

FINAL DRIVE ASSY, RH

1шт.

35676

FINAL DRIVE ASSY, LH

1шт.

1

34168

HOUSING - RH extension

1шт.

2

34169

HOUSING - LH extension

1шт.

3

32504

SPARE PART Ext. housing cover

1шт.

4

38074

SPARE PART COVER - ext. housing

1шт.

5

14-616

BOLT,Hex, 3/8" - 24 x 1", Gr 5

(Cover mt'g.) (45656)

12шт.

6

92-6

LOCK WASHER,3/8"

(48446)

12шт.

7

72292

PLUG - filler

2шт.

8

72293

GASKET

Special

2шт.

9

34424

SPARE PART Extension housing cover

1шт.

10

34170

BELT

SPARE PART COVER - extension housing

1шт.

11

14-620

BOLT,Hex, 3/8" - 24 x 1-1/4", Gr 5

(34170 mt'g.) (45657)

6шт.

12

92-6

LOCK WASHER,3/8"

(48336)

6шт.

13

34424

SPARE PART Extension housing cover

1шт.

14

34170

BELT

SPARE PART COVER - extension housing

1шт.

15

14-616

BOLT,Hex, 3/8" - 24 x 1", Gr 5

(34170 mt'g.) (45656)

6шт.

16

92-6

LOCK WASHER,3/8"

(48446)

6шт.

17

REF

INSTRUCTION

GEAR & SHAFT - bevel (See ref. #38)

1шт.

18

40429

SPARE PART

1шт.

O8162HT

CUP

Bearing

1шт.

19

86982914

OIL SEAL

1шт.

20

40431

SPARE PART

1шт.

A7876

GASKET

CUP - bearing

1шт.

21

32510

SPARE PART Slotted (Thin)

1шт.

22

132-59

PIN

Cotter, 1/8 dia. x 2-1/2 (48703)

1шт.

23

40428

SPARE PART

1шт.

O3755AB

X

CUP - bearing

1шт.

24

33717

SPARE PART GEAR - output

1шт.

25

35674

SPRING

SHAFT ASSY. - output

1шт.

26

NSS

NOT SOLD SEPARAT

SHAFT - output

1шт.

27

34421

SCREW

SLEEVE - output shaft

1шт.

28

74541

SPARE PART Lock

1шт.

29

40587

SHIM

(.005)

1шт.

30

40588

SPARE PART (.007)

1шт.

31

40589

SPARE PART (.020)

1шт.

32

46947

SPARE PART HH, 1/2-20 NF x 1-1/4 (Drilled)

2шт.

33

R10831

ELECTRICAL WIRE

WIRE TIE

1шт.

34

O7069AB

X

CUP - bearing

1шт.

O7327AB

X

CONE - bearing

1шт.

35

R4640

SEAL

SEAL - oil

1шт.

36

34422

CHAIN

SPACER - f/d

1шт.

37

5468

X

KIT bevel gear & pinion

2шт.

38

NSS

NOT SOLD SEPARAT

GEAR & SHAFT - bevel

1шт.

39

NSS

NOT SOLD SEPARAT

PINION & SHAFT - bevel

1шт.

40

32511

Extension housing

1шт.

41

46520

BOLT AND NUT,Hex, 1/4" - 20 x 1 1/2"

STUD 1/2-20 NF x 2-1/8 (f/d mt'g.)

29шт.

42

230-4618

LOCK NUT,1/2"-20, GA

(17586)

29шт.

Выбрано товаров: 49