Запчасти Case 600 (086) - TRANSMISSION CONTROL SYSTEM, BRAKE PEDALS, MASTER CYLINDERS, LINKAGE (03) - TRANSMISSION

Схема запчастей Case 600 - (086) - TRANSMISSION CONTROL SYSTEM, BRAKE PEDALS, MASTER CYLINDERS, LINKAGE (03) - TRANSMISSION
FIT
1:1
100%

Артикул

Название

Примечание

Количество

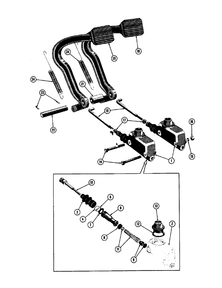
1

31481

CYLINDER

ASS'Y. - brake master

2шт.

2

NSS

NOT SOLD SEPARAT

BODY - master cylinder

1шт.

5896

KIT

- master cylinder repair

1шт.

3

33346

BOOT

- master cylinder

1шт.

4

33347

LOCKING DEVICE

STOP - piston

1шт.

5

NLS

NO LONGER SERVICED

WASHER - master cylinder

1шт.

6

33350

X

PISTON ASS'Y. - master cylinder

1шт.

7

33349

SET

SEAL - "O" ring

1шт.

8

33351

X

CUP - primary

1шт.

9

33354

X

SEAT ASS'Y. - valve

1шт.

10

NSS

NOT SOLD SEPARAT

ROD - brake plunger

1шт.

11

33352

SPRING

& END CAP ASS'Y. - valve

1шт.

12

33356

GASKET - filler cap

1шт.

13

NLS

NO LONGER SERVICED

CAP - master cylinder filler

1шт.

14

14-688

HHCS 3/8-24 NF x 5-1/2 (31481 mt'g.) (45670)

2шт.

15

92-6

LOCK WASHER,3/8"

(48446) 3/8"

2шт.

16

25-116

NUT,Hex, 3/8"-24, G5

- reg. SF hex (3/8-24 NF) (48102)

2шт.

17

9635082

NUT,5/16" - 18, Gr 5

- reg. SF hex (5/16-18 NC) (47801)

2шт.

18

31969

LINK

- brake, Serial Range: pedal-cylinder

2шт.

19

32194

SHAFT

PEDAL - brake, R.H.

1шт.

20

33473

PEDAL - brake, L.H.

1шт.

21

32195

SPACER - brake pedals

1шт.

22

31977

SHAFT - brake pedal pivot

1шт.

23

132-73

COTTER PIN,5/32" x 1 1/2"

Pin, Split (Cotter), (48709) 5/32" x 1 1/2"

2шт.

24

11469

SPRING

- return

2шт.

Выбрано товаров: 25