Запчасти Case 600 (124) - BODY INSTALLATION, SIDE PLATES, FENDERS, COWL & DASH, FLOOR PLATE (05) - UPPERSTRUCTURE CHASSIS

Схема запчастей Case 600 - (124) - BODY INSTALLATION, SIDE PLATES, FENDERS, COWL & DASH, FLOOR PLATE (05) - UPPERSTRUCTURE CHASSIS
FIT
1:1
100%

Артикул

Название

Примечание

Количество

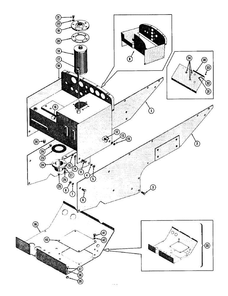
1

31960

PLATE ASS'Y. - fender side, R.H.

1шт.

2

31961

PLATE ASS'Y. - fender side, L.H.

1шт.

3

14-1028

BOLT,Hex, 5/8" - 18 x 1-3/4", Gr 5

(31960 & 31961 mt'g.) (45759) Hex, 5/8"-18 x 1 3/4", G5

6шт.

4

92-10

LOCK WASHER,5/8"

WASHER, LOCK, (48450) 5/8"

6шт.

5

25-1110

NUT,5/8"-18, G5

reg. SF hex (5/8-18 NF) (48106)

6шт.

6

14-824

BOLT,Hex, 1/2" - 20 x 1-1/2", Gr 5

HHCS 1/2-20 NF x 1-1/2 (31960 & 31961 mt'g.) (45708)

4шт.

7

92-8

LOCK WASHER,1/2"

(48448) 1/2"

4шт.

8

25-118

NUT,1/2"-20, G5

- reg. SF hex (1/2-20 NF) (48104)

4шт.

9

32207

CUSHION

COWL & DASH ASS'Y. (Used up to serial #12-11-56)

1шт.

33366

COWL & DASH ASS'Y. (Used from serial #12-11-56 and up to serial #9-10-56)

1шт.

34820

PIN

COWL & DASH ASS'Y. (Used from serial #9-10-56 and up to serial #7060779)

1шт.

10

38586

COWL & DAHS ASS'Y. (Used from serial #7060799)

1шт.

11

14-820

BOLT,Hex, 1/2" - 20 x 1-1/4", Gr 5

HHCS 1/2-20 NF x 1-1/4 (Cowl & dash mt'g.) (45707)

2шт.

12

78-816

BOLT - slotted head, 1/2-20 NF x 1 (Cowl & dash mt'g.)

2шт.

13

493-21052

LOCK WASHER,Int Tooth, 1/2"

WASHER - lock, Shakeproof

2шт.

14

92-8

LOCK WASHER,1/2"

(48448) 1/2"

2шт.

15

25-118

NUT,1/2"-20, G5

- reg. SF hex (1/2-20 NF) (48104)

4шт.

16

31543

BREATHER

FILTER - breather (Used from serial #7060799)

1шт.

17

35072

CAP & GAUGE STICK ASS'Y. - filler (Used from serial #7060799)

1шт.

18

36442

FILTER

ASS'Y. - hydraulic oil (Used from serial #7060799)

1шт.

19

38266

ARM

CAP - oil filter inlet (Used from serial #7060799)

1шт.

20

36321

GASKET

- inlet cap (Used from serial #7060799)

1шт.

21

14-616

BOLT,Hex, 3/8" - 24 x 1", Gr 5

HHCS 3/8-24 NF x 1 (38266 mt'g.) (Used from serial #7060799)

6шт.

22

92-6

LOCK WASHER,3/8"

(Used from serial #7060799) (48446) 3/8"

6шт.

23

35621

GASKET

- drain cover (Used from serial #7060799)

1шт.

24

34574

BUSHING,35.09mm ID x 44.5mm OD x 76.2mm L

COVER - fuel tank drain (Used from serial #7060799)

1шт.

25

221-11

PLUG,Sq Hd, 1/8"-27

- pipe, ext. sq. hd., 1/8 NP (Used from serial #7060799)

1шт.

26

14-616

BOLT,Hex, 3/8" - 24 x 1", Gr 5

HHCS 3/8-24 NF x 1 (34574 mt'g.) (Used from serial #7060799)

4шт.

27

92-6

LOCK WASHER,3/8"

(Used from serial #7060799) (48446) 3/8"

4шт.

28

221-15

PLUG,Sq Hd, 3/4"-14

- pipe, ext. sq. head, 3/4 NP (Used from serial #7060799)

1шт.

29

221-14

DRAIN PLUG,Sq Hd, 1/2"-14 NPTF

PLUG - pipe, ext. sq. head, 1/2 NP (Used from serial #7060799)

1шт.

30

35451

BRACKET

WALL - fire (Used up to serial #7060799)

1шт.

31

14-616

BOLT,Hex, 3/8" - 24 x 1", Gr 5

HHCS 3/8-24 NF x 1 (35451 mt'g.) (Used up to serial #7060799)

2шт.

32

92-6

LOCK WASHER,3/8"

(Used up to serial #7060799) (48446) 3/8"

2шт.

33

25-116

NUT,Hex, 3/8"-24, G5

- reg. SF hex (3/8-24 NF) (Used up to serial #7060799)

2шт.

34

49562

GROMMET,11/16" ID x 1" Groove Dia

- rubber (Used up to serial #7060799)

3шт.

35

R2219

KIT - floor plate (Used up to serial #6-22-56)

1шт.

36

31971

PLATE ASS'Y. - floor (Used up to serial #6-22-56)

1шт.

37

14-820

BOLT,Hex, 1/2" - 20 x 1-1/4", Gr 5

HHCS 1/2-20 NF x 1-1/4 (R2219 or 31971 mt'g.) (45707)

4шт.

38

92-8

LOCK WASHER,1/2"

(48448) 1/2"

4шт.

39

25-118

NUT,1/2"-20, G5

- reg. SF hex (1/2-20 NF) (Used up to serial #7060799)

4шт.

40

34552

PIN

PLATE - floor cover (Used from serial #6-22-56)

1шт.

41

14-512

BOLT,Hex, 5/16" - 24 x 3/4", Gr 5, Full Thd

(34552 mt'g.) (Used from S/N 6-22-56) Hex, 5/16"-24 x 3/4", G5, Full Thd

4шт.

42

92-5

LOCK WASHER,5/16"

(Used from serial #6-22-56) (48445) 5/16"

4шт.

Выбрано товаров: 44