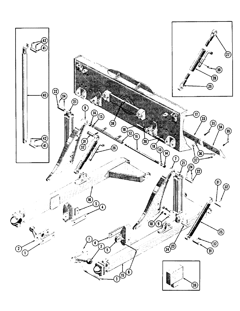
Запчасти Case 600 (166) - MECHANICAL BULLDOZER INSTALLATION, MECHANICAL CROWN AND TILT DOZER INSTALLATION (05) - UPPERSTRUCTURE CHASSIS

Схема запчастей Case 600 - (166) - MECHANICAL BULLDOZER INSTALLATION, MECHANICAL CROWN AND TILT DOZER INSTALLATION (05) - UPPERSTRUCTURE CHASSIS
FIT
1:1
100%

Артикул

Название

Примечание

Количество

1

34142

PIVOT

SPACER - push trunnion

2шт.

2

37957

TRUNNION - push

2шт.

3

16-12192

BOLT (MACHINE)

HHMB 3/4-16 NF x 12 (34142 & 37957 mt'g.) (46494)

4шт.

4

34141

RING

SPACER - rub plate

2шт.

5

37956

SPACER

PLATE - rub

2шт.

6

16-12192

BOLT (MACHINE)

HHMB 3/4-16 NF x 12 (34141 & 37956 mt'g.) (46494)

4шт.

7

31910

CHAIN

BRACKET - cylinder, R.H.

1шт.

8

31911

BRACKET - cylinder, L.H.

1шт.

9

14-1040

BOLT,Hex, 5/8" - 18 x 2-1/2", Gr 5

HHCS 5/8-18 NF x 2-1/2 (31910 & 31911 mt'g.) (45762)

4шт.

10

131-154

LOCK NUT,5/8"-18, GA

NUT - lock (5/8-18 NF) (11946)

4шт.

11

38170

SUPPORT

ROD - tie

1шт.

12

33457

SPACER ASS'Y. - tie rod

1шт.

13

92-12

LOCK WASHER,3/4"

WASHER, LOCK, (48452) 3/4"

2шт.

14

25-1112

NUT,3/4"-16, G5

- reg. SF hex (3/4-16 NF) (48107)

2шт.

15

37952

FINGER

BEAM ASS'Y. - push, R.H.

1шт.

16

37953

BEAM ASS'Y. - push, L.H.

1шт.

17

37978

SCREW

MOLDBOARD ASS'Y. - dozer

1шт.

18

NLS

NO LONGER SERVICED

PIN (37978 mt'g.)

2шт.

19

70349

PIN

(37978 mt'g.)

2шт.

20

138-178

LOCK PIN,3/8" x 2 1/4", Slotted

PIN, (49872) 3/8" x 2 1/4", Slotted

4шт.

21

32500

CYLINDER ASS'Y. - hydraulic lift (See figure #266 for breakdown)

2шт.

22

16888

PIN (32500 mt'g.)

2шт.

23

35037

PIN (32500 mt'g.)

2шт.

24

132-154

COTTER PIN,1/4" x 2"

Pin, Split (Cotter), (48739) 1/4" x 2"

8шт.

25

73098

DRIVE BUSHING

STRUT ASS'Y. - dozer (Mech. bulldozer only)

1шт.

26

73099

SEAL PROTECTION

TURNBUCKLE ASS'Y. - dozer (Mech. crown & tilt dozer only)

2шт.

73099

SEAL PROTECTION

TURNBUCKLE ASS'Y. - dozer (Mech. bulldozer only)

1шт.

27

39040

CONNECTING ROD

SCREW ASS'Y. - top strut (Used up to serial #7060804)

1шт.

39041

SCREW ASS'Y. - top strut (Used from serial #7060804)

1шт.

28

38063

TURNBUCKLE ASS'Y.

1шт.

29

73140

MANIFOLD

SCREW ASS'Y. - bottom strut

1шт.

30

219-1

LUBE NIPPLE,1/8" - 27 NPTF

FITTING - straight grease, 1/8 NP (49200)

1шт.

31

37990

PIN (73098 & 73099 mt'g.)

4шт.

32

138-178

LOCK PIN,3/8" x 2 1/4", Slotted

PIN, (49872) 3/8" x 2 1/4", Slotted

4шт.

33

16452

EDGE

BLADE - cutting, center

1шт.

34

16042

EDGE

BLADE - cutting, end

2шт.

35

19-828

BOLT,1/2"-13 x 1 3/4", G5

- plow, 1/2-13 NC x 1-3/4 (16452 & 16042 mt'g.) (46707)

21шт.

36

92-8

LOCK WASHER,1/2"

(48448) 1/2"

21шт.

37

25-108

NUT,1/2"-13, G5

- reg. SF hex (1/2-13 NC) (47804)

21шт.

38

219-55

LUBE NIPPLE,90 Degree Elbow, 1/8" - 27 NPTF

NIPPLE, LUBE, (49127) 90º, 1/8" NPT x .84" lg

1шт.

39

33676

DRAWBAR SUPPORT

BLOCK ASS'Y. - spring lockout

2шт.

40

39925

ROD ASS'Y. - dozer lift, special parts for mechanical bulldozer - loader combination

2шт.

41

16888

PIN (39925 mt'g.), special parts for mechanical bulldozer - loader combination

4шт.

42

132-154

COTTER PIN,1/4" x 2"

Pin, Split (Cotter), (48739), Special parts for mechanical bulldozer - loader combination 1/4" x 2"

8шт.

Выбрано товаров: 44