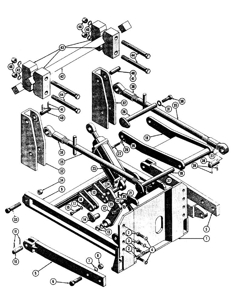
Запчасти Case 600 (230) - TOOL BAR INSTALLATION, FRAME, TOOL BAR, CYLINDER, BRACKETS (05) - UPPERSTRUCTURE CHASSIS

Схема запчастей Case 600 - (230) - TOOL BAR INSTALLATION, FRAME, TOOL BAR, CYLINDER, BRACKETS (05) - UPPERSTRUCTURE CHASSIS
FIT
1:1
100%

Артикул

Название

Примечание

Количество

1

37862

PLATE

ASS'Y. - back

1шт.

2

14-1032

BOLT,Hex, 5/8" - 18 x 2", Gr 5

(37862 mt'g.) (45760) Hex, 5/8"-18 x 2", G5

4шт.

3

14-1024

BOLT,Hex, 5/8" - 18 x 1-1/2", Gr 5

(37862 mt'g.) (45758) Hex, 5/8"-18 x 1 1/2", G5

4шт.

4

92-10

LOCK WASHER,5/8"

WASHER, LOCK, (48450) 5/8"

8шт.

5

32350

ARM ASS'Y. - attaching

2шт.

6

14-1240

BOLT,Hex, 3/4" - 16 x 2-1/2", Gr 5

HHCS 3/4-16 NF x 2-1/2 (32350 mt'g.) (45787)

4шт.

7

92-12

LOCK WASHER,3/4"

WASHER, LOCK, (48452) 3/4"

4шт.

8

25-1112

NUT,3/4"-16, G5

- reg. SF hex (3/4-16 NF) (48107)

4шт.

9

37837

CLAMP

FRAME ASS'Y. - tool bar

1шт.

10

31715

PIN

(37837 mt'g.)

1шт.

11

132-152

PIN

- cotter, 1/4 dia. x 1-3/4 (48738)

4шт.

12

37871

LINK ASS'Y. - lower, R.H.

1шт.

37872

ARM

LINK ASS'Y. - lower, L.H.

1шт.

13

30613

BUSHING,38.33mm ID x 44.45mm OD x 17.6mm L

3шт.

14

37857

OIL SEAL,31.75mm ID x 42.93mm OD x 4.78mm Thk

PIN ASS'Y. - (37871 & 37872 mt'g.)

2шт.

15

14-816

BOLT,Hex, 1/2" - 20 x 1", Gr 5

HHCS 1/2-20 NF x 1 (37857 mt'g.) (45706)

2шт.

16

195-33

WASHER,1/2"

- plain (48428)

2шт.

17

92-8

LOCK WASHER,1/2"

(48448) 1/2"

2шт.

18

37830

CLEVIS

LINK ASS'Y. - upper

1шт.

19

37852

PIN ASS'Y. - (37830 mt'g.)

1шт.

20

14-816

BOLT,Hex, 1/2" - 20 x 1", Gr 5

HHCS 1/2-20 NF x 1 (37852 mt'g.) (45706)

1шт.

21

195-33

WASHER,1/2"

- plain (48428)

1шт.

22

92-8

LOCK WASHER,1/2"

(48448) 1/2"

1шт.

23

37848

COLLAR

CYLINDER ASS'Y. - hydraulic lift (See page #272 for breakdown)

1шт.

24

37859

PIN (37848 mt'g.)

1шт.

25

132-154

COTTER PIN,1/4" x 2"

Pin, Split (Cotter), (48739) 1/4" x 2"

2шт.

26

37854

KNIFE

PIN ASS'Y. (Linkage mt'g.)

1шт.

27

14-816

BOLT,Hex, 1/2" - 20 x 1", Gr 5

HHCS 1/2-20 NF x 1 (37854 mt'g.) (45706)

1шт.

28

195-33

WASHER,1/2"

- plain (48428)

1шт.

29

92-8

LOCK WASHER,1/2"

(48448) 1/2"

1шт.

30

14-1020

BOLT,Hex, 5/8" - 18 x 1-1/4", Gr 5

Hex, 5/8"-18 x 1 1/4 (Linkage mt'g.) (45757)

1шт.

31

37856

TRACK CHAIN

WASHER - special

1шт.

32

37860

BRACKET ASS'Y. - pivot

2шт.

33

14-1664

BOLT,Hex, 1" - 14 x 4", Gr 5

HHCS 1"-14 NF x 4 (37860 mt'g.) (45843)

2шт.

34

131-370

LOCK NUT

NUT - lock (1"-14 NF) (48378)

2шт.

35

37842

HOSE ASSY.

ROD ASS'Y. - leveling

2шт.

36

37844

BUSHING

END - leveling rod, L.H.

2шт.

37

1327380C1

HOSE

END - leveling rod, R.H.

2шт.

38

31715

PIN

(37845 mt'g.)

2шт.

39

132-152

PIN

- cotter, 1/4 dia. x 1-3/4 (48738)

4шт.

40

35037

PIN (37844 mt'g.)

2шт.

41

132-152

PIN

- cotter, 1/4 dia. x 1-3/4 (48738)

4шт.

42

37841

HOSE

BAR - tool

1шт.

43

37835

HEAD ASSY.

CLAMP - tool bar

4шт.

44

37836

SPACER,1" - 8 x 8"

BOLT - special

4шт.

45

92-16

LOCK WASHER,1"

WASHER, LOCK, (48456) 1"

4шт.

46

25-1016

NUT,1"-8, G5

(47809) 1"-8, G5

4шт.

Выбрано товаров: 47