Запчасти Case 600 (244) - WINCH INSTALLATION, CASE AND EXTERNAL PARTS (05) - UPPERSTRUCTURE CHASSIS

Схема запчастей Case 600 - (244) - WINCH INSTALLATION, CASE AND EXTERNAL PARTS (05) - UPPERSTRUCTURE CHASSIS
FIT
1:1
100%

Артикул

Название

Примечание

Количество

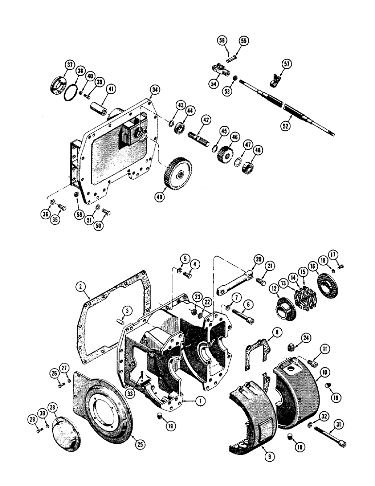
R36301

WINCH ASS'Y. - complete

1шт.

1

R36215

BOLT

CASE - winch

1шт.

2

F30821

GASKET - winch mt'g.

1шт.

3

39258

PIN - dowel

2шт.

4

14-1024

BOLT,Hex, 5/8" - 18 x 1-1/2", Gr 5

(Winch mt'g.) (45758) Hex, 5/8"-18 x 1 1/2", G5

10шт.

All parts listed above except 14-1024, 92-10, 62-1088, 61-1220, 14-824, 92-8, 221-14, 13-1244, 92-12, 25-1012, 14-816, 92-8, 13-816, 92, 61-12128, 132-146, 14-1024, 92-10, 14-624, 92-6, 13-1032, 92-10, 25-157, 213-4, 141-4, 132-26, 49856, 25-1010 must be obtained direct from Carco Winch.

1шт.

5

92-10

LOCK WASHER,5/8"

WASHER, LOCK, (48450) 5/8"

10шт.

All parts listed above except 14-1024, 92-10, 62-1088, 61-1220, 14-824, 92-8, 221-14, 13-1244, 92-12, 25-1012, 14-816, 92-8, 13-816, 92, 61-12128, 132-146, 14-1024, 92-10, 14-624, 92-6, 13-1032, 92-10, 25-157, 213-4, 141-4, 132-26, 49856, 25-1010 must be obtained direct from Carco Winch.

1шт.

6

62-1088

SHCS 5/8-18 NF x 5-1/2 (Winch mt'g.)

2шт.

All parts listed above except 14-1024, 92-10, 62-1088, 61-1220, 14-824, 92-8, 221-14, 13-1244, 92-12, 25-1012, 14-816, 92-8, 13-816, 92, 61-12128, 132-146, 14-1024, 92-10, 14-624, 92-6, 13-1032, 92-10, 25-157, 213-4, 141-4, 132-26, 49856, 25-1010 must be obtained direct from Carco Winch.

1шт.

7

Y1168-3

WASHER

2шт.

8

X30819

GASKET - case flange

2шт.

9

D30678

SLEEVE

CASE FLANGE - brake side

1шт.

10

D30673

CASE FLANGE - gear side

1шт.

11

61-1220

SHCS 3/4-10 NC x 1-1/4 Hex Soc Hd, 3/4"-10 x 1 1/4"

10шт.

All parts listed above except 14-1024, 92-10, 62-1088, 61-1220, 14-824, 92-8, 221-14, 13-1244, 92-12, 25-1012, 14-816, 92-8, 13-816, 92, 61-12128, 132-146, 14-1024, 92-10, 14-624, 92-6, 13-1032, 92-10, 25-157, 213-4, 141-4, 132-26, 49856, 25-1010 must be obtained direct from Carco Winch.

1шт.

12

X30733

CARRIER - bearing

1шт.

13

Y30787-1

SHIM - bevel gear adjusting

1шт.

14

Y30787-2

SHIM - bevel gear adjusting

1шт.

15

Y30787-3

SHIM - bevel gear adjusting

1шт.

16

X30732

CAP - bearing

1шт.

17

14-824

BOLT,Hex, 1/2" - 20 x 1-1/2", Gr 5

HHCS 1/2-20 NF x 1-1/2 (45708)

4шт.

All parts listed above except 14-1024, 92-10, 62-1088, 61-1220, 14-824, 92-8, 221-14, 13-1244, 92-12, 25-1012, 14-816, 92-8, 13-816, 92, 61-12128, 132-146, 14-1024, 92-10, 14-624, 92-6, 13-1032, 92-10, 25-157, 213-4, 141-4, 132-26, 49856, 25-1010 must be obtained direct from Carco Winch.

1шт.

18

92-8

LOCK WASHER,1/2"

(48448) 1/2"

4шт.

All parts listed above except 14-1024, 92-10, 62-1088, 61-1220, 14-824, 92-8, 221-14, 13-1244, 92-12, 25-1012, 14-816, 92-8, 13-816, 92, 61-12128, 132-146, 14-1024, 92-10, 14-624, 92-6, 13-1032, 92-10, 25-157, 213-4, 141-4, 132-26, 49856, 25-1010 must be obtained direct from Carco Winch.

1шт.

19

221-14

DRAIN PLUG,Sq Hd, 1/2"-14 NPTF

PLUG - pipe, ext. sq. head, 1/2 NP (41823)

3шт.

All parts listed above except 14-1024, 92-10, 62-1088, 61-1220, 14-824, 92-8, 221-14, 13-1244, 92-12, 25-1012, 14-816, 92-8, 13-816, 92, 61-12128, 132-146, 14-1024, 92-10, 14-624, 92-6, 13-1032, 92-10, 25-157, 213-4, 141-4, 132-26, 49856, 25-1010 must be obtained direct from Carco Winch.

1шт.

20

Y30786

GUARD - cable

1шт.

21

13-1244

BOLT,Hex, 3/4" - 10 x 2-3/4", Gr 5

(45188) Hex, 3/4"-10 x 2 3/4", G5

2шт.

All parts listed above except 14-1024, 92-10, 62-1088, 61-1220, 14-824, 92-8, 221-14, 13-1244, 92-12, 25-1012, 14-816, 92-8, 13-816, 92, 61-12128, 132-146, 14-1024, 92-10, 14-624, 92-6, 13-1032, 92-10, 25-157, 213-4, 141-4, 132-26, 49856, 25-1010 must be obtained direct from Carco Winch.

1шт.

22

92-12

LOCK WASHER,3/4"

WASHER, LOCK, (48452) 3/4"

2шт.

All parts listed above except 14-1024, 92-10, 62-1088, 61-1220, 14-824, 92-8, 221-14, 13-1244, 92-12, 25-1012, 14-816, 92-8, 13-816, 92, 61-12128, 132-146, 14-1024, 92-10, 14-624, 92-6, 13-1032, 92-10, 25-157, 213-4, 141-4, 132-26, 49856, 25-1010 must be obtained direct from Carco Winch.

1шт.

23

25-1012

NUT,3/4"-10, G5

(47807) 3/4"-10, G5

2шт.

All parts listed above except 14-1024, 92-10, 62-1088, 61-1220, 14-824, 92-8, 221-14, 13-1244, 92-12, 25-1012, 14-816, 92-8, 13-816, 92, 61-12128, 132-146, 14-1024, 92-10, 14-624, 92-6, 13-1032, 92-10, 25-157, 213-4, 141-4, 132-26, 49856, 25-1010 must be obtained direct from Carco Winch.

1шт.

24

Y2199

PLUG - breather

1шт.

25

F36231

COVER - brake

1шт.

26

14-816

BOLT,Hex, 1/2" - 20 x 1", Gr 5

HHCS 1/2-20 NF x 1 (45706)

9шт.

All parts listed above except 14-1024, 92-10, 62-1088, 61-1220, 14-824, 92-8, 221-14, 13-1244, 92-12, 25-1012, 14-816, 92-8, 13-816, 92, 61-12128, 132-146, 14-1024, 92-10, 14-624, 92-6, 13-1032, 92-10, 25-157, 213-4, 141-4, 132-26, 49856, 25-1010 must be obtained direct from Carco Winch.

1шт.

27

92-8

LOCK WASHER,1/2"

(48448) 1/2"

9шт.

All parts listed above except 14-1024, 92-10, 62-1088, 61-1220, 14-824, 92-8, 221-14, 13-1244, 92-12, 25-1012, 14-816, 92-8, 13-816, 92, 61-12128, 132-146, 14-1024, 92-10, 14-624, 92-6, 13-1032, 92-10, 25-157, 213-4, 141-4, 132-26, 49856, 25-1010 must be obtained direct from Carco Winch.

1шт.

28

F30742

COVER - clutch adjustment

1шт.

29

13-816

BOLT,Hex, 1/2" - 13 x 1", Gr 5, Full Thd

(45106) Hex, 1/2"-13 x 1", G5, Full Thd

4шт.

All parts listed above except 14-1024, 92-10, 62-1088, 61-1220, 14-824, 92-8, 221-14, 13-1244, 92-12, 25-1012, 14-816, 92-8, 13-816, 92, 61-12128, 132-146, 14-1024, 92-10, 14-624, 92-6, 13-1032, 92-10, 25-157, 213-4, 141-4, 132-26, 49856, 25-1010 must be obtained direct from Carco Winch.

1шт.

30

92

WASHER - med. sec. lock (48448)

4шт.

All parts listed above except 14-1024, 92-10, 62-1088, 61-1220, 14-824, 92-8, 221-14, 13-1244, 92-12, 25-1012, 14-816, 92-8, 13-816, 92, 61-12128, 132-146, 14-1024, 92-10, 14-624, 92-6, 13-1032, 92-10, 25-157, 213-4, 141-4, 132-26, 49856, 25-1010 must be obtained direct from Carco Winch.

1шт.

31

61-12128

SHCS 3/4-10 NC x 8 (Winch mt'g.)

2шт.

All parts listed above except 14-1024, 92-10, 62-1088, 61-1220, 14-824, 92-8, 221-14, 13-1244, 92-12, 25-1012, 14-816, 92-8, 13-816, 92, 61-12128, 132-146, 14-1024, 92-10, 14-624, 92-6, 13-1032, 92-10, 25-157, 213-4, 141-4, 132-26, 49856, 25-1010 must be obtained direct from Carco Winch.

1шт.

32

Y1168-2

WASHER

2шт.

33

132-146

PIN - cotter, 1/4 dia. x 1 (48735)

2шт.

All parts listed above except 14-1024, 92-10, 62-1088, 61-1220, 14-824, 92-8, 221-14, 13-1244, 92-12, 25-1012, 14-816, 92-8, 13-816, 92, 61-12128, 132-146, 14-1024, 92-10, 14-624, 92-6, 13-1032, 92-10, 25-157, 213-4, 141-4, 132-26, 49856, 25-1010 must be obtained direct from Carco Winch.

1шт.

O37667

ADAPTER ASS'Y. - winch

1шт.

34

R37664

PLATE - adapter

1шт.

35

14-1024

BOLT,Hex, 5/8" - 18 x 1-1/2", Gr 5

(45758) Hex, 5/8"-18 x 1 1/2", G5

8шт.

All parts listed above except 14-1024, 92-10, 62-1088, 61-1220, 14-824, 92-8, 221-14, 13-1244, 92-12, 25-1012, 14-816, 92-8, 13-816, 92, 61-12128, 132-146, 14-1024, 92-10, 14-624, 92-6, 13-1032, 92-10, 25-157, 213-4, 141-4, 132-26, 49856, 25-1010 must be obtained direct from Carco Winch.

1шт.

36

92-10

LOCK WASHER,5/8"

WASHER, LOCK, (48450) 5/8"

8шт.

All parts listed above except 14-1024, 92-10, 62-1088, 61-1220, 14-824, 92-8, 221-14, 13-1244, 92-12, 25-1012, 14-816, 92-8, 13-816, 92, 61-12128, 132-146, 14-1024, 92-10, 14-624, 92-6, 13-1032, 92-10, 25-157, 213-4, 141-4, 132-26, 49856, 25-1010 must be obtained direct from Carco Winch.

1шт.

37

X36633

RING - pilot

1шт.

38

6230-22

SEAL - "O" ring

1шт.

39

14-624

BOLT,Hex, 3/8" - 24 x 1-1/2", Gr 5

HHCS 3/8-24 NF x 1-1/2 (45658)

4шт.

All parts listed above except 14-1024, 92-10, 62-1088, 61-1220, 14-824, 92-8, 221-14, 13-1244, 92-12, 25-1012, 14-816, 92-8, 13-816, 92, 61-12128, 132-146, 14-1024, 92-10, 14-624, 92-6, 13-1032, 92-10, 25-157, 213-4, 141-4, 132-26, 49856, 25-1010 must be obtained direct from Carco Winch.

1шт.

40

92-6

LOCK WASHER,3/8"

(48446) 3/8"

4шт.

All parts listed above except 14-1024, 92-10, 62-1088, 61-1220, 14-824, 92-8, 221-14, 13-1244, 92-12, 25-1012, 14-816, 92-8, 13-816, 92, 61-12128, 132-146, 14-1024, 92-10, 14-624, 92-6, 13-1032, 92-10, 25-157, 213-4, 141-4, 132-26, 49856, 25-1010 must be obtained direct from Carco Winch.

1шт.

41

Y36632

COUPLING - PTO

1шт.

42

X37666

SHAFT - PTO

1шт.

43

5100-137

RING - snap

1шт.

44

207-NPP

BEARING - ball

1шт.

45

5100-162

RING - snap

1шт.

46

X38009

GEAR - pinion

1шт.

47

X38010

SPACER

1шт.

48

206-KG

BEARING - ball

1шт.

49

X30734

GEAR

1шт.

50

13-1032

BOLT,Hex, 5/8" - 11 x 2", Gr 5

(45160) Hex, 5/8"-11 x 2", G5

4шт.

All parts listed above except 14-1024, 92-10, 62-1088, 61-1220, 14-824, 92-8, 221-14, 13-1244, 92-12, 25-1012, 14-816, 92-8, 13-816, 92, 61-12128, 132-146, 14-1024, 92-10, 14-624, 92-6, 13-1032, 92-10, 25-157, 213-4, 141-4, 132-26, 49856, 25-1010 must be obtained direct from Carco Winch.

1шт.

51

92-10

LOCK WASHER,5/8"

WASHER, LOCK, (48450) 5/8"

4шт.

All parts listed above except 14-1024, 92-10, 62-1088, 61-1220, 14-824, 92-8, 221-14, 13-1244, 92-12, 25-1012, 14-816, 92-8, 13-816, 92, 61-12128, 132-146, 14-1024, 92-10, 14-624, 92-6, 13-1032, 92-10, 25-157, 213-4, 141-4, 132-26, 49856, 25-1010 must be obtained direct from Carco Winch.

1шт.

52

D34000-48

CABLE - control

2шт.

53

25-157

JAM NUT,Jam, 7/16"-20, G5

- hex jam (3/8-24 NF) (48192)

2шт.

All parts listed above except 14-1024, 92-10, 62-1088, 61-1220, 14-824, 92-8, 221-14, 13-1244, 92-12, 25-1012, 14-816, 92-8, 13-816, 92, 61-12128, 132-146, 14-1024, 92-10, 14-624, 92-6, 13-1032, 92-10, 25-157, 213-4, 141-4, 132-26, 49856, 25-1010 must be obtained direct from Carco Winch.

1шт.

54

213-4

ADJUSTABLE CLEVIS,3/8"-24 x 2 1/2"

YOKE - adjustable (48603)

2шт.

All parts listed above except 14-1024, 92-10, 62-1088, 61-1220, 14-824, 92-8, 221-14, 13-1244, 92-12, 25-1012, 14-816, 92-8, 13-816, 92, 61-12128, 132-146, 14-1024, 92-10, 14-624, 92-6, 13-1032, 92-10, 25-157, 213-4, 141-4, 132-26, 49856, 25-1010 must be obtained direct from Carco Winch.

1шт.

55

141-4

CLEVIS PIN,3/8" x 1.060"

PIN, CLEVIS, (48663) 3/8" x 1.060"

2шт.

All parts listed above except 14-1024, 92-10, 62-1088, 61-1220, 14-824, 92-8, 221-14, 13-1244, 92-12, 25-1012, 14-816, 92-8, 13-816, 92, 61-12128, 132-146, 14-1024, 92-10, 14-624, 92-6, 13-1032, 92-10, 25-157, 213-4, 141-4, 132-26, 49856, 25-1010 must be obtained direct from Carco Winch.

1шт.

56

132-26

COTTER PIN

Pin, Split (Cotter), 3/32" x 3/4" (48683)

2шт.

All parts listed above except 14-1024, 92-10, 62-1088, 61-1220, 14-824, 92-8, 221-14, 13-1244, 92-12, 25-1012, 14-816, 92-8, 13-816, 92, 61-12128, 132-146, 14-1024, 92-10, 14-624, 92-6, 13-1032, 92-10, 25-157, 213-4, 141-4, 132-26, 49856, 25-1010 must be obtained direct from Carco Winch.

1шт.

57

515-22254

CLAMP,1", Insul, 5/16" Bolt

CLAMP

2шт.

All parts listed above except 14-1024, 92-10, 62-1088, 61-1220, 14-824, 92-8, 221-14, 13-1244, 92-12, 25-1012, 14-816, 92-8, 13-816, 92, 61-12128, 132-146, 14-1024, 92-10, 14-624, 92-6, 13-1032, 92-10, 25-157, 213-4, 141-4, 132-26, 49856, 25-1010 must be obtained direct from Carco Winch.

1шт.

58

25-1010

NUT,5/8"-11, G5

(47806) 5/8"-11, G5

4шт.

All parts listed above except 14-1024, 92-10, 62-1088, 61-1220, 14-824, 92-8, 221-14, 13-1244, 92-12, 25-1012, 14-816, 92-8, 13-816, 92, 61-12128, 132-146, 14-1024, 92-10, 14-624, 92-6, 13-1032, 92-10, 25-157, 213-4, 141-4, 132-26, 49856, 25-1010 must be obtained direct from Carco Winch.

1шт.

Выбрано товаров: 88