Запчасти Case 600 (044) - 30455 GENERATOR ASSMEBLY (AUTO-LITE #GHD-6001SS), (USED UP TO S/N 7060500) (06) - ELECTRICAL SYSTEMS

Схема запчастей Case 600 - (044) - 30455 GENERATOR ASSMEBLY (AUTO-LITE #GHD-6001SS), (USED UP TO S/N 7060500) (06) - ELECTRICAL SYSTEMS
FIT
1:1
100%

Артикул

Название

Примечание

Количество

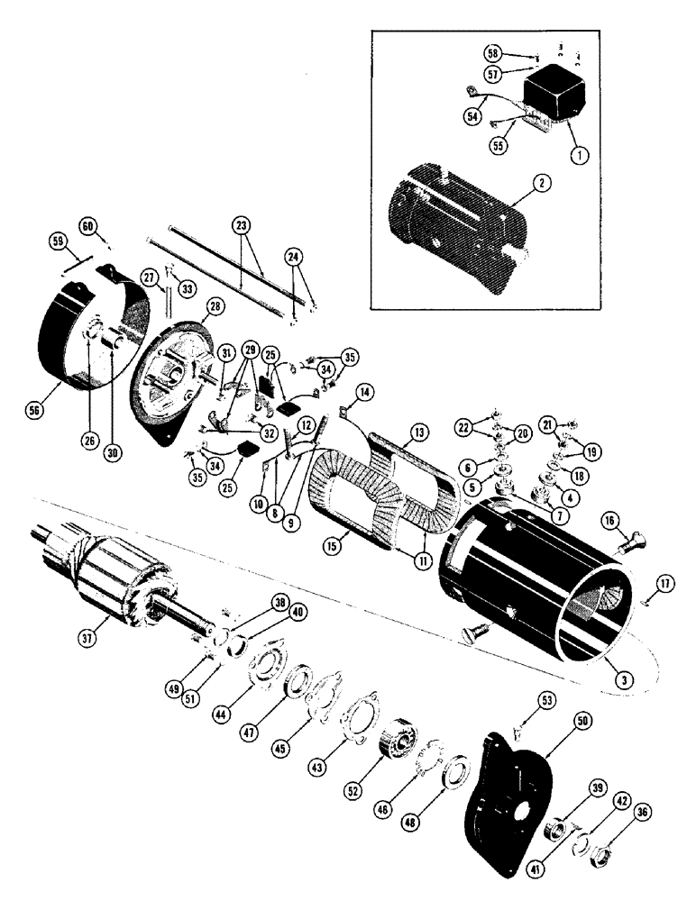
30455

X

GENERATOR ASS'Y.

1шт.

All part numbers listed above except for 30455 and 10019 must be obtained from an Auto-Lite Service Station.

1шт.

1

10019

X

REGULATOR ASS'Y. - voltage (Auto-Lite #VRR-4103A)

1шт.

All part numbers listed above except for 30455 and 10019 must be obtained from an Auto-Lite Service Station.

1шт.

2

NSS

NOT SOLD SEPARAT

GENERATOR ASS'Y.

1шт.

3

GHD-2001

FRAME & FIELD ASS'Y.

1шт.

4

GDW-44

WASHER - insulation, armature terminal

1шт.

5

GGU-30

WASHER - insulation, field terminal

1шт.

6

GGU-31

WASHER - plain, field terminal

1шт.

7

GGU-32

BUSHING - insulation, terminal stud

2шт.

8

GHD-34

LEAD ASS'Y.

1шт.

9

GGU-28

STUD - armature terminal, 1/4-28 NF

1шт.

10

X-976

TERMINAL

1шт.

11

GHD-1005

COIL ASS'Y. - field, complete

1шт.

12

GGU-27

STUD - field terminal, #10-32

1шт.

13

GHD-1007

COIL ASS'Y. - field, left terminal

1шт.

14

X-976

TERMINAL

1шт.

15

GHD-1008

COIL - field, right

1шт.

16

GK-38

SCREW - pole shoe

1шт.

17

MN-21

PIN - dowel

2шт.

18

SW-634

WASHER - plain, armature terminal

1шт.

19

12X-196

WASHER - lock, armature terminal, #10

2шт.

20

12X-199

WASHER - lock, field terminal, 1/4

2шт.

21

8X-1063

NUT - hex, armature terminal, 1/4-28 NF

2шт.

22

8X-1377

NUT - hex, field terminal, #10-32

2шт.

23

MW-20A

BOLT - thru

2шт.

24

12X-199

WASHER - lock, thru bolt, 1/4

2шт.

25

GBM-2012AS

BRUSH SET - service

1шт.

GHD-2002S

HEAD ASS'Y. - comm. end, complete

1шт.

26

GAL-40C

COVER - bearing, comm. end

1шт.

27

GGW-41

WICK - felt

1шт.

28

GHD-1002A

HEAD ASS'Y. - comm. end, partial

1шт.

29

GAR-219

ARM - brush

3шт.

30

GGU-38A

BEARING - absorbant bronze

1шт.

31

GHD-45L

SPRING - brush

1шт.

32

GHD-45R

SPRING - brush

2шт.

33

X-2961

OILER

1шт.

34

12X-195

WASHER - lock, lead screw, #8

3шт.

35

8X-305

SCREW - round hd., brush lead, #8-32 x 1/4

3шт.

36

GMB-21B

NUT - armature shaft, drive end

1шт.

37

GHD-2006

ARMATURE ASS'Y.

1шт.

38

GAR-171

RING - snap

1шт.

39

GJ-104B

SPACER - armature shaft, drive end

1шт.

40

GR-32

RETAINER - felt washer

1шт.

41

X-260

KEY - #5 Woodruff

1шт.

42

12X-864

WASHER - lock, shaft drive end

1шт.

GHD-1003S

HEAD ASS'Y. - drive end

1шт.

43

GMB-124

GASKET - bearing retainer

1шт.

44

GMB-125

RETAINER - felt washer. inner

1шт.

45

GMB-127

RETAINER - bearing

1шт.

46

GMB-128

RETAINER - felt washer, outer

1шт.

47

GG-164

WASHER - felt, inner

1шт.

48

GG-164A

WASHER - felt, outer

1шт.

49

GGW-52

SCREW - round hd., #10-32 x 1/2, br'g. retainer

3шт.

50

GHD-3S

HEAD - drive end

1шт.

51

12X-196

WASHER - lock, retainer screw, #10

3шт.

52

X-295

BEARING - ball, SAE #203

1шт.

53

X-2961

OILER

1шт.

54

GHD-30

LEAD ASS'Y. - armature terminal

1шт.

55

GHD-33

LEAD ASS'Y. - field terminal

1шт.

56

GHD-1024

BAND - cover

1шт.

57

X-1270

WASHER - lock, regulator mt'g., #10

3шт.

58

8X-321

SCREW - round hd., regulator mt'g., #10-32 x 5/16

3шт.

59

8X-714

SCREW - round hd., cover band mt'g., #10-32 x 1/2

1шт.

60

8X-794

NUT - square, cover band mt'g., #10-32

1шт.

Выбрано товаров: 65