Запчасти Case 9007B (9-56) - CAB AND CAB EXTERNAL TRIM (09) - CHASSIS

Схема запчастей Case 9007B - (9-56) - CAB AND CAB EXTERNAL TRIM (09) - CHASSIS
FIT
1:1
100%

Артикул

Название

Примечание

Количество

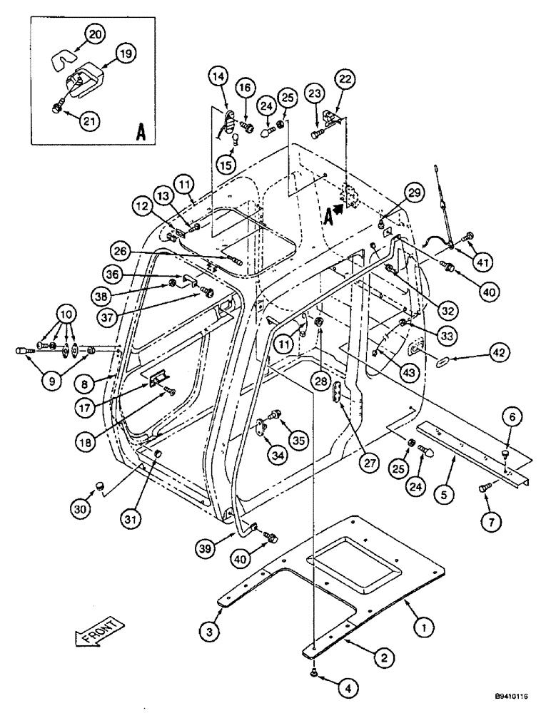
1

161336A1

INSULATOR

Lining, Opening Roof

1шт.

2

161337A1

INSULATOR

Lining, Left

1шт.

3

161338A1

INSULATOR

Lining, Right

1шт.

4

161339A1

COLLAR

Rivet

13шт.

5

161340A1

LARGE PLATE

PLATE, LARGE

1шт.

6

161341A1

STOP

2шт.

7

161342A1

BOLT

Screw

4шт.

8

161343A1

HOSE

1250 mm (49-14 in), Windshield washer

1шт.

9

161344A1

DIFFUSER

1шт.

10

161345A1

ADAPTER

Fitting

1шт.

11

161346A1

HARNESS

1шт.

12

161347A1

PLATE, SPACER

PLATE,SPACER

1шт.

13

161348A1

SELF-TAP SCREW

2шт.

14

161349A1

CEILING LAMP

Interior, Consists Of Ref. Number : 15

1шт.

15

162830A1

BULB

1шт.

16

159545A1

SELF-TAP SCREW

2шт.

17

161350A1

ASH TRAY

1шт.

18

161351A1

SELF-TAP SCREW

2шт.

19

161352A1

STOP

1шт.

20

161353A1

SHIM

1шт.

21

159544A1

BOLT

Screw

1шт.

22

161354A1

LOCK

1шт.

23

161355A1

FLANGE BOLT

Screw

8шт.

24

161356A1

STOP

4шт.

25

161357A1

NUT

4шт.

26

161358A1

COAT HOOK

Fastener

1шт.

27

161359A1

CAP

Cover

2шт.

28

161360A1

GUARD ASSY.

Grommet

1шт.

29

161361A1

PLUG

2шт.

30

161362A1

GROMMET

2шт.

31

161363A1

GROMMET

1шт.

32

162833A1

GROMMET

1шт.

33

161365A1

GROMMET

1шт.

34

161366A1

CATCH PLATE

Support

1шт.

35

161367A1

BOLT

Screw

9шт.

36

161368A1

STOP

1шт.

37

161369A1

SCREW

2шт.

38

161370A1

NUT

2шт.

39

164164A1

HANDLE

Rail, Grab

1шт.

40

KHN2727

BOLT,Spcl

Replaces 161371A1

3шт.

41

161372A1

ANTENNA

Auto Radio

1шт.

42

161373A1

GROMMET

1шт.

43

162832A1

HARNESS

1шт.

Выбрано товаров: 43