Запчасти Case 9007B (9-58) - CAB AND CAB EXTERNAL TRIM (09) - CHASSIS

Схема запчастей Case 9007B - (9-58) - CAB AND CAB EXTERNAL TRIM (09) - CHASSIS
FIT
1:1
100%

Артикул

Название

Примечание

Количество

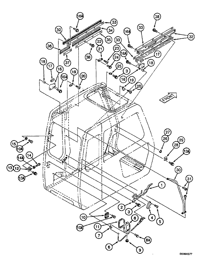
1

161375A1

HANDLE

1шт.

2

161376A1

LEVER

1шт.

3

161377A1

BOLT

Screw

6шт.

4

161378A1

COVER

1шт.

5

161379A1

SCREW,Pan Hd

2шт.

6

161380A1

CABLE

1шт.

7

161381A1

COLLAR

Clip

1шт.

8

161382A1

COVER

1шт.

8a

161342A1

BOLT

Screw

4шт.

9

161383A1

GROMMET

1шт.

10

161384A1

RH DOOR LOCK

Cover

1шт.

10a

161355A1

FLANGE BOLT

Screw

4шт.

11

161385A1

SEAL

1шт.

12

161386A1

PLATE

1шт.

13

161387A1

SERRATED NUT

Plate

1шт.

13a

161367A1

BOLT

Screw

2шт.

14

161388A1

STOP

2шт.

14a

161357A1

NUT

2шт.

15

161389A1

WASHER

2шт.

16

161390A1

LARGE PLATE

PLATE, LARGE

2шт.

16a

164958A1

SCREW

8шт.

17

161391A1

TRIM

Seal

2шт.

18

161392A1

GUIDE

2шт.

19

161393A1

LARGE PLATE

PLATE, LARGE

2шт.

20

161394A1

SCREW

4шт.

21

161395A1

STOP

R.H.

1шт.

22

161396A1

STOP

L.H.

1шт.

23

161397A1

SCREW

2шт.

24

161398A1

SCREW

2шт.

25

161399A1

PLATE

2шт.

26

161400A1

STOP

1шт.

27

161401A1

STOP

1шт.

28

161402A1

PLATE ASSY.

1шт.

29

161403A1

PLATE ASSY.

1шт.

30

161404A1

GRAB RAIL

1шт.

31

159586A1

BOLT,Hex Skt, M10 x 1.5 x 25mm

Screw

3шт.

32

164951A1

GUARD

3шт.

33

164954A1

LARGE PLATE

PLATE, LARGE

3шт.

34

164952A1

GUARD

1шт.

35

164955A1

LARGE PLATE

PLATE, LARGE

1шт.

36

164953A1

GUARD

1шт.

37

164956A1

LARGE PLATE

PLATE, LARGE

1шт.

38

164957A1

SCREW

19шт.

Выбрано товаров: 43