Запчасти Case 9007B (5-02) - UNDERCARRIAGE (11) - TRACKS/STEERING

Схема запчастей Case 9007B - (5-02) - UNDERCARRIAGE (11) - TRACKS/STEERING
FIT
1:1
100%

Артикул

Название

Примечание

Количество

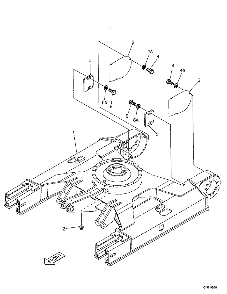
1

168158A1

FRAME

Undercarriage

1шт.

2

157221A1

PLUG

1шт.

3

167198A1

HOOD ASSY.

Cover Sheet

2шт.

4a

896-11010

WASHER,11mm ID x 21mm OD x 2.5mm Thk

6шт.

5

167195A1

COVER

Sheet

2шт.

6

627-12025

BOLT,Hex, M12 x 1.75 x 25mm, Cl 10.9, Full Thd

4шт.

6a

896-15012

WASHER,13.5mm ID x 28mm OD x 4mm Thk

13.5 x 28 x 4 mm

4шт.

4

627-10030

BOLT,Hex, M10 x 1.5 x 30mm, Cl 10.9, Full Thd

6шт.

Выбрано товаров: 8