Запчасти Case 9007B (2-38) - CYLINDER BLOCK (02) - ENGINE

Схема запчастей Case 9007B - (2-38) - CYLINDER BLOCK (02) - ENGINE
FIT
1:1
100%

Артикул

Название

Примечание

Количество

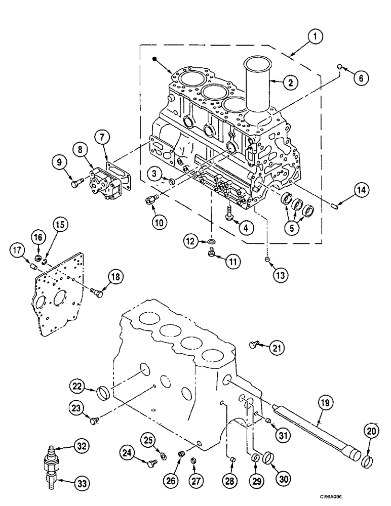
1

355137A1

CRANKCASE

Block Cylinder, Consists Of Ref. Numbers : 2-5

1шт.

2

NSS

NOT SOLD SEPARAT

Sleeve Cylinder

4шт.

3

NSS

NOT SOLD SEPARAT

Bushing

3шт.

4

353948A1

BOLT

10шт.

5

353949A1

RING

Bushing

1шт.

6

355142A1

DOWEL

Pin

2шт.

7

355147A1

GASKET

Cover

1шт.

8

355146A1

COVER

Sheet

1шт.

9

288985A1

BOLT

Screw

4шт.

10

NSS

NOT SOLD SEPARAT

Adapter

1шт.

11

355157A1

PLUG

1шт.

12

355158A1

GASKET

Seal

1шт.

13

355160A1

PLUG

2шт.

14

355153A1

DOWEL

Pin, dia. 10

2шт.

15

289783A1

LOCK WASHER

Lock

1шт.

16

355159A1

NUT

1шт.

17

355151A1

DOWEL

Pin, dia. 10

1шт.

18

355152A1

BOLT

1шт.

19

355154A1

PIPE

1шт.

20

355144A1

RING

Bushing dia. 36

1шт.

21

355138A1

PLUG

1шт.

22

289074A1

CUP

Bushing dia. 45

3шт.

23

355138A1

PLUG

3шт.

24

289998A1

PLUG

1шт.

25

289810A1

PACKING

Seal

1шт.

26

355143A1

PLUG

2шт.

27

289437A1

CUP

Plug, dia. 32

3шт.

28

289414A1

CUP

Plug, dia. 12.3

1шт.

29

355145A1

RING

Bushing, dia. 38

1шт.

30

355156A1

RING

Bushing, dia. 56

1шт.

31

355149A1

RING

Bushing, dia. 16

2шт.

32

355150A1

PRESSURE SWITCH

Switch, Oil

1шт.

33

355155A1

ADAPTER

1шт.

Выбрано товаров: 33