Запчасти Case 9007B (4-04) - ALTERNATOR (04) - ELECTRICAL SYSTEMS

Схема запчастей Case 9007B - (4-04) - ALTERNATOR (04) - ELECTRICAL SYSTEMS
FIT
1:1
100%

Артикул

Название

Примечание

Количество

355879A1

ALTERNATOR

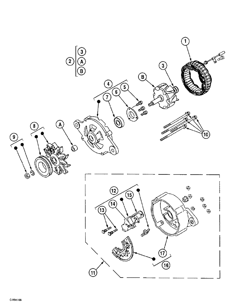
GENERATOR ASSY, Consists of: ref.nos. 1-17

1шт.

1

355680A1

STATOR

1шт.

2

355675A1

ROTOR

Consists of: ref. no. 3

1шт.

3

NSS

NOT SOLD SEPARAT

Bearing, Ball

1шт.

Part of Rotor, P/N 355675A1

1шт.

4

355676A1

HOUSING

Cover Sheet, Consists of: ref. nos. 5, 6, 7

1шт.

5

355688A1

SCREW

1шт.

Part of Cover Sheet, P/N 355676A1

1шт.

6

355687A1

HOLDER

1шт.

Part of Cover Sheet, P/N 355676A1

1шт.

7

NSS

NOT SOLD SEPARAT

Bearing, Ball

1шт.

Part of Rotor, P/N 355675A1

1шт.

8

355678A1

PIN

1шт.

9

355677A1

NUT

1шт.

10

355679A1

BOLT

4шт.

11

355674A1

HOUSING ASSY.

Cover Sheet, Consists of: ref. nos. 12, 16

1шт.

12

355681A1

REGULATOR

Assy, Consists of: ref. nos. 13, 14, 15

1шт.

Part of Cover Sheet, P/N 355674A1

1шт.

13

355683A1

SCREW

2шт.

Part of Regulator Assembly, P/N 355681A1

1шт.

14

355684A1

BRUSH, COMMUTATOR

BRUSH

2шт.

Part of Regulator Assembly, P/N 355681A1

1шт.

15

355685A1

REGULATOR

1шт.

Part of Regulator Assembly, P/N 355681A1

1шт.

16

355682A1

HOUSING

Consists of: ref. no. 17

1шт.

Part of Cover Sheet, P/N 355674A1

1шт.

17

355686A1

HOUSING

Cover Sheet

1шт.

Part of Housing, P/N 355682A1

1шт.

Выбрано товаров: 0