Запчасти Case 9010 (9-24) - RIGHT-HAND CONTROL LINKAGE (09) - CHASSIS

Схема запчастей Case 9010 - (9-24) - RIGHT-HAND CONTROL LINKAGE (09) - CHASSIS
20
29
35
12
15
22
33
10
18
4
27
8
5
11
32
34
13
25
26
31
6
2
10
14
24
1
3
30
28
21
16
27
7
23
17
9
28
19
FIT
1:1
100%

Артикул

Название

Примечание

Количество

152122A1

BOX

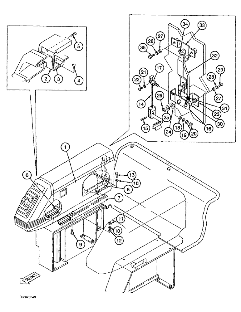
CONSOLE ASSEMBLY control, right-hand, Includes: Ref. 1-35

1шт.

1

151788A1

BOX

CONSOLE control right-hand

1шт.

2

151779A1

BRACKET

end cover mounting

1шт.

3

151775A1

COVER

top end right-hand console

1шт.

4

151159A1

SCREW,Truss Hd, M4 x 12mm

special

2шт.

5

152025A1

SCREW,Phil Truss Hd, M3 x 5mm

truss head, special

2шт.

6

152670A1

RAIL

slide right-hand outer

1шт.

7

152669A1

RAIL

slide right-hand inner

1шт.

8

152406A1

BRACKET

mounting

1шт.

9

627-8020

BOLT,Hex, M8 x 1.25 x 20mm, Cl 10.9, Full Thd

hex, full threads 8 - 1.25 x 20 mm, class 10.9

4шт.

10

892-11008

LOCK WASHER,8mm ID

WASHER, LOCK, M8

8шт.

11

829-1408

NUT,Hex, M8 x 1.25, Cl 10.9

- hex, 8 mm - 1.25, class 10

4шт.

13

627-8016

BOLT,Hex, M8 x 1.25 x 16mm, Cl 10.9, Full Thd

hex, full threads 8 - 1.25 x 16 mm, class 10.9

4шт.

14

151972A1

CABLE

latch

1шт.

151972A1 IS JUST THE CABLE. THE PART SHOWING AT THE BOTTOM IS ACTUALLY THE ADJUSTING LEVER THAT IS PART OF 152669A1 SLIDE RAIL ASSY. NEED TO ORDER THE SLIDE RAIL TO GET THE LEVER. 1/9/97 bw

1шт.

15

153077A1

COTTER PIN

CLIP hair pin type

1шт.

16

151948A1

LINK

console latch

1шт.

17

151964A1

SPECIAL PIN

PIN special

1шт.

18

151372A1

WAVE WASHER

special

1шт.

19

895-11005

WASHER,5.5mm ID x 10mm OD x 1mm Thk

1шт.

20

825-1405

NUT,M5, Cl 8

2шт.

21

892-11003

LOCK WASHER,M3

WASHER lock 3 mm

1шт.

22

840-1316

SCREW,Pan, M3 x 16mm, Cl 4.8

- machine, pan Phillips, 3 - 0.5 x 16 mm

1шт.

23

151956A1

BRACKET

link mounting

1шт.

24

151389A1

WAVE WASHER

special

1шт.

25

895-11010

WASHER,11mm ID x 20mm OD x 2mm Thk

flat, 11 x 21 x 2 mm

1шт.

26

800-1110

SNAP RING,M10, Ext

RING external retaining No. 10 external

1шт.

27

895-11006

WASHER,6.6mm ID x 12mm OD x 1.6mm Thk

5шт.

28

892-11006

LOCK WASHER,M6

WASHER, LOCK, M6

5шт.

29

840-1612

SCREW,Pan, M6 x 12mm, Cl 4.8

- machine, pan Phillips, 6 - 1.0 x 12 mm

2шт.

30

151358A1

SPECIAL PIN

PIN spring tension

1шт.

31

151364A1

SPRING

latch rod

1шт.

32

152126A1

ROD

threaded threaded

1шт.

33

151348A1

HANDLE

LATCH handle top cover

1шт.

34

733-2012

COTTER PIN,M2 x 12

PIN, SPLIT (COTTER), M2 x 12

1шт.

35

627-6012

BOLT,Hex, M6 x 1 x 12mm, Cl 10.9, Full Thd

hex, full threads 6 - 1.0 x 12 mm, class 10.9

3шт.

Выбрано товаров: 36