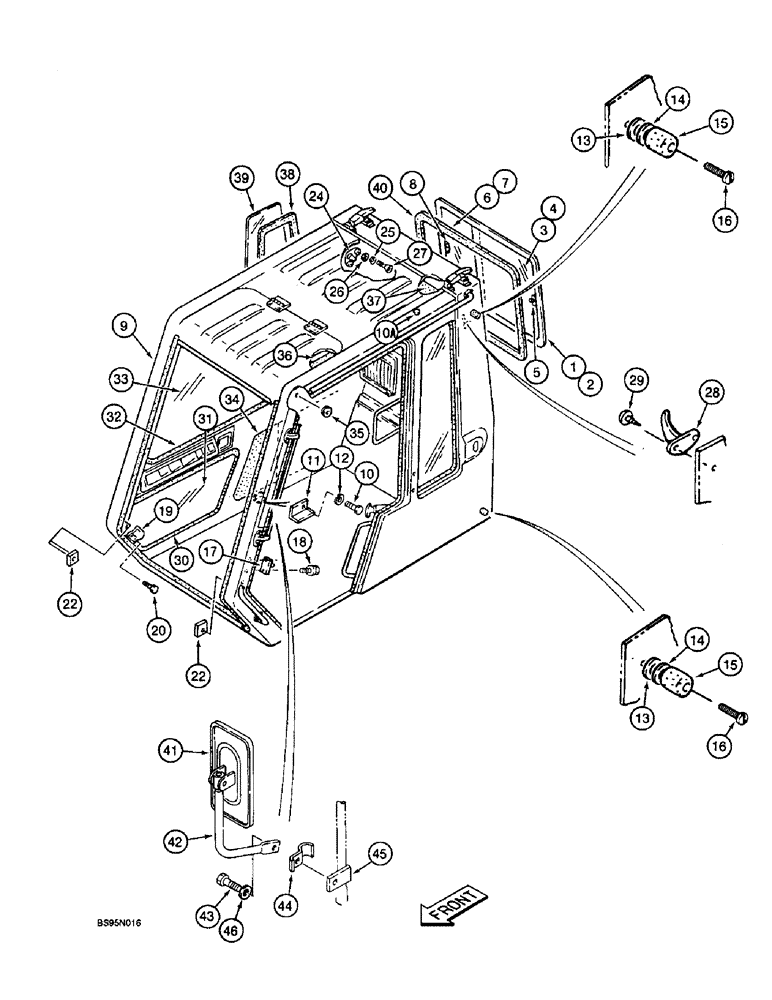
Запчасти Case 9010 (9-42) - CAB REAR AND RIGHT-HAND SIDE GLASS, AND REAR VIEW MIRROR (09) - CHASSIS

Схема запчастей Case 9010 - (9-42) - CAB REAR AND RIGHT-HAND SIDE GLASS, AND REAR VIEW MIRROR (09) - CHASSIS
5
26
18
13
10
34
37
25
16
39
12
32
11
30
20
16
24
40
42
44
18
27
33
45
7
36
41
3
19
1
10a
17
14
29
16
6
9
28
8
19
22
15
31
36
4
35
2
22
14
43
FIT
1:1
100%

Артикул

Название

Примечание

Количество

KHN1148

CAB

ASSEMBLY operators, Includes: P/N 152609A1 and Ref. 1-8, Replaces 152792A1, KHN12000

1шт.

152609A1

WINDOW

ASSEMBLY cab, Includes: Ref. 1-8

1шт.

1

152622A1

FRAME

rear window, sliding

1шт.

2

152626A1

CHAIN GUIDE

TRACK sliding window, If Used

1шт.

3

152624A1

WINDOW

GLASS ASSEMBLY window left-hand side, with latch, Includes: Ref. 7,8, If Used

1шт.

4

152592A1

CAB GLASS

GLASS window left-hand side, If Used

1шт.

5

152860A1

LOCK

LATCH rear window, left-hand side, If Used

1шт.

6

152625A1

WINDOW

GLASS ASSEMBLY rear window, right-hand side, with latch, If Used

1шт.

7

152592A1

CAB GLASS

GLASS window rear window, right-hand side, If Used

1шт.

8

151494A1

LOCK

LATCH rear window, right-hand side, If Used

1шт.

9

152789A1

CAB

FRAME - cab, Replaces 152794A1

1шт.

10

627-10016

BOLT,Hex, M10 x 1.5 x 16mm, Cl 10.9, Full Thd

- hex, full threads, 10 - 1.5 x 16 mm, class 10.9

1шт.

10a

156919A1

BOLT

BOLT hex special

2шт.

11

152521A1

SUPPORT

BRACKET 90 degree

1шт.

12

895-11010

WASHER,11mm ID x 20mm OD x 2mm Thk

flat, 11 x 21 x 2 mm

1шт.

13

152667A1

RUBBER WASHER

SHIM rubber

2шт.

14

152668A1

RUBBER WASHER

SHIM rubber

2шт.

15

152370A1

RUBBER BLOCK

BUMPER rubber

2шт.

16

152543A1

SPECIAL BOLT

SCREW special

2шт.

17

152493A1

CATCH PLATE

CATCH cab door

1шт.

18

152466A1

BOLT

BOLT special catch mounting

2шт.

19

152526A1

ENGINE VENT SLEEVE

CATCH windshield frame

2шт.

20

152542A1

BOLT

BOLT special

2шт.

22

152737A1

STOP

BUMPER rubber windshield frame

2шт.

24

151585A1

PLATE

special sliding window, pin retaining

4шт.

25

113631A1

LOCK WASHER

toothed conical, special 8 mm

8шт.

26

151590A1

WASHER

special

8шт.

27

151290A1

HEX SOC SCREW,Flat Csk Hd, M8 x 20mm

BOLT special

8шт.

28

151824A1

COAT HOOK

HOOK clothing

1шт.

29

152705A1

SPECIAL BOLT,Spcl

SCREW special hook mounting

2шт.

30

KHN0774

FIXING STRIP

SEAL - glass, Replaces 152564A1

1шт.

31

KHN1289

CAB GLASS

GLASS - window, lower right-hand, Replaces 152555A1

1шт.

32

KHN0772

FIXING STRIP

SEAL - glass, Replaces 152565A1

1шт.

33

KHN1288

CAB GLASS

GLASS - window, upper right-hand, Replaces 152558A1

1шт.

34

152684A1

PADDING

PAD cab lower right-hand

1шт.

35

152503A1

GROMMET

rubber

1шт.

36

152832A1

GASKET

TRIM overhead door

1шт.

37

152384A1

NOISE PROTECTION

PAD ceiling

1шт.

38

152223A1

GASKET

SEAL rubber, glass retaining narrow right-hand side window

1шт.

39

KHN1290

CAB GLASS

GLASS - window, right-hand side, Replaces 152552A1

1шт.

40

152141A1

SEALING STRIP

SEAL rubber, rear cab window

1шт.

41

KHP13190

REAR VIEW MIRROR,166mm x 330mm

MIRROR rear view

1шт.

42

156562A1

SUPPORT

ARM rear view mirror, was 150692A1

1шт.

43

627-12030

BOLT,Hex, M12 x 1.75 x 30mm, Cl 10.9, Full Thd

hex, full threads 12 - 1.75 x 30 mm, class 10.9, For models without item 46 washer

1шт.

43

627-12040

BOLT,Hex, M12 x 1.75 x 40mm, Cl 10.9, Full Thd

For models with Item 46 washer Hex, M12 x 40, 10.9, Full Thd

1шт.

44

150151A1

CLAMP

special

1шт.

45

150694A1

PLATE

mirror mounting

1шт.

46

892-11012

LOCK WASHER,M12

WASHER, LOCK, , If Used M12

1шт.

Выбрано товаров: 48