Запчасти Case 9010 (2-06) - AIR CLEANER SYSTEM (02) - ENGINE

Схема запчастей Case 9010 - (2-06) - AIR CLEANER SYSTEM (02) - ENGINE
21
12
8
7
23
4
16
4
15
12
14
4
7
3
12
2
13
20a
18
15
17
15
17
22
19
9
20
6
1
11
10
5
FIT
1:1
100%

Артикул

Название

Примечание

Количество

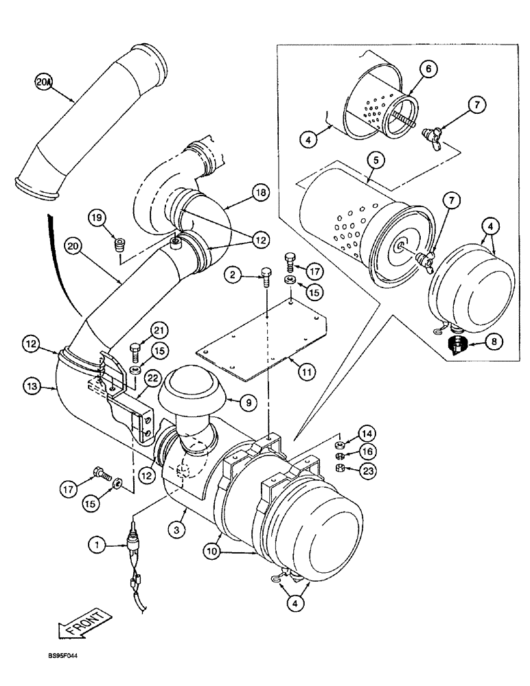
1

150675A1

SENSOR

SWITCH air restriction indicator

1шт.

2

627-8020

BOLT,Hex, M8 x 1.25 x 20mm, Cl 10.9, Full Thd

hex, full threads 8 - 1.25 x20 mm, class 10.9

4шт.

3

151166A1

AIR CLEANER

CLEANER ASSEMBLY air, Includes: Ref. 4-10

1шт.

4

150832A1

AIR CLEANER

HOUSING ASSEMBLY air cleaner includes end cap and clamp

1шт.

5

150478A1

ELEMENT

outer primary

1шт.

6

150482A1

ELEMENT

inner secondary

1шт.

7

156497A1

WING NUT

NUT wing, includes gasket

2шт.

8

156669A1

VALVE

CUP dust air cleaner

1шт.

9

150111A1

CAP

COVER air inlet

1шт.

10

150118A1

BAND

CLAMP band air cleaner mounting

2шт.

11

150864A1

BRACKET

PLATE air cleaner mounting

1шт.

12

150902A1

COLLAR

CLAMP adjustable

4шт.

13

151346A1

INTAKE AIR HOSE,76.20 mm ID x 360.00 mm

- At air cleaner, to engine 76.20 mm ID x 360.00 mm

1шт.

14

895-11008

WASHER,9mm ID x 16mm OD x 1.6mm Thk

flat 9 x 17 x 1.6 mm

4шт.

15

150409A1

WASHER

flat, special 10.5 x 21 x 3.2 mm special

8шт.

16

892-11008

LOCK WASHER,8mm ID

WASHER, LOCK, M8

4шт.

17

627-10020

BOLT,Hex, M10 x 1.5 x 20mm, Cl 10.9, Full Thd

hex, full threads, 10 - 1.5 x 20 mm, class 10.9

6шт.

18

158073A1

INTAKE AIR HOSE,76.20 mm ID

At engine, From Air Cleaner, Replaces 151349A1 76.20 mm ID

1шт.

19

150990A1

PLUG

air cleaner tube, if used

1шт.

20

151353A1

AIR INTAKE TUBE

TUBE air cleaner replaced by158072A1

1шт.

20a

158072A1

AIR INTAKE TUBE

TUBE air cleaner replaces151353A1 and eliminates plug, 150990A1

1шт.

21

627-10025

BOLT,Hex, M10 x 1.5 x 25mm, Cl 10.9, Full Thd

hex, full threads, 10 - 1.5 x 25 mm, class 10.9

2шт.

22

151359A1

BRACKET

support air inlet tube

1шт.

23

829-1408

NUT,Hex, M8 x 1.25, Cl 10.9

- hex, 8 mm - 1.25, class 10

4шт.

Выбрано товаров: 24