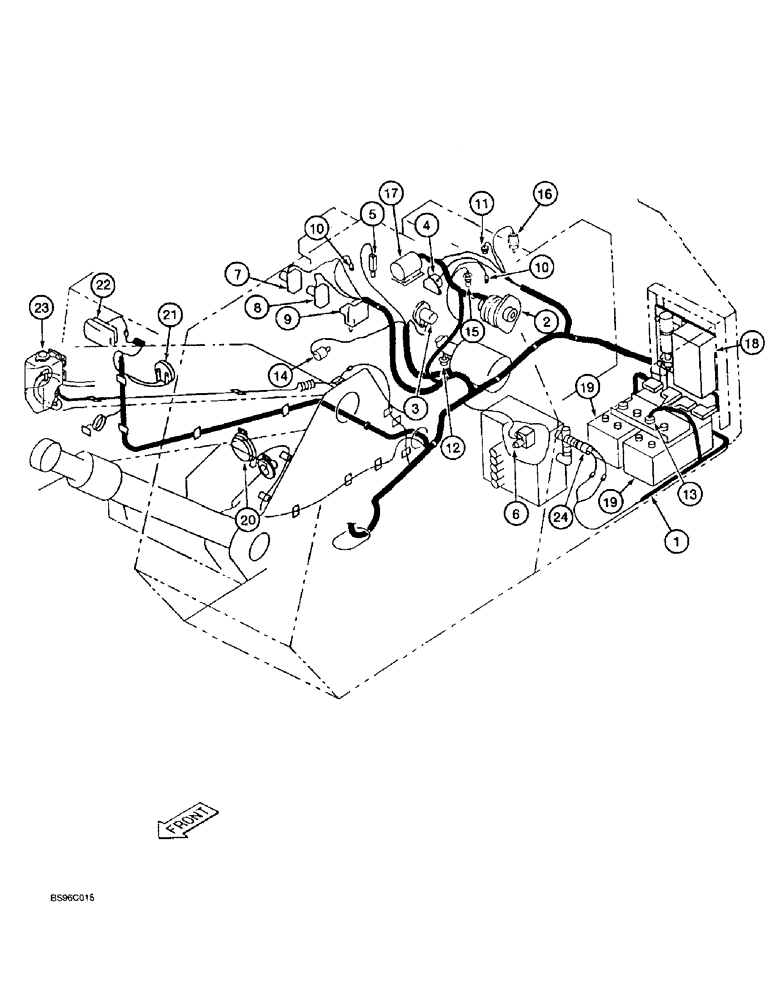
Запчасти Case 9010 (4-06) - ELECTRICAL SYSTEM, MAIN HARNESS AND RELATED PARTS (04) - ELECTRICAL SYSTEMS

Схема запчастей Case 9010 - (4-06) - ELECTRICAL SYSTEM, MAIN HARNESS AND RELATED PARTS (04) - ELECTRICAL SYSTEMS
14
18
10
20
15
24
3
2
7
23
8
9
13
6
12
22
17
19
10
1
5
11
21
19
16
4
FIT
1:1
100%

Артикул

Название

Примечание

Количество

1

151220A1

HARNESS

HARNESS main electrical see Figure 4-9B for guards, clams and hardware

1шт.

2

A187916

ALTERNATOR,24V, 45A

ALTERNATOR ASSEMBLY engine parts list Figure 4-2

1шт.

2

87297236

REMAN-ALTERNATOR

REMANUFACTURED 24 VOLT, 45 AMP ALTERNATOR

1шт.

2

87297237

CORE-ALTERNATOR

Return Number, 24 VOLT, 45 AMP ALTERNATOR

1шт.

3

1987566C1

STARTER MOTOR,24V, 5.5kW

STARTER ASSEMBLY engine parts list Figure 4-4

1шт.

For use with Encore blocks order J934119.

1шт.

3

1987566C1R

REMAN-STARTER,24V, 5.5kW

Reman For New PN 1987566C1

1шт.

3

1987566C1C

CORE-STARTER,24V, 5.5kW

Return Number

1шт.

3

1987566C1GV

STARTER MOTOR,24V, 5.5kW

Value

1шт.

4

162218A1

ALARM

ALARM travel was 151829A1, Figure 4-9A for mounting hardware

1шт.

5

156885A1

VALVE

VALVE solenoid pump proportional, Figure 8-20

1шт.

6

150844A1

VALVE

VALVE ASSEMBLY solenoid cushion, parts list Figure 8-44

1шт.

7

150501A1

VALVE

VALVE ASSEMBLY solenoid swing brake, parts list Figure 8-46

1шт.

8

150501A1

VALVE

VALVE ASSEMBLY solenoid two speed travel, parts list Figure 8-46

1шт.

9

150425A1

VALVE

VALVE ASSEMBLY solenoid control shutoff, parts list Figure 8-42

1шт.

10

150974A1

SENSOR

SENDER temperature engine coolant and hydraulic oil

2шт.

11

L126191

THERMOSTATIC SWITCH

THERMOCOUPLE circuit breaking, includes lead wires cold start

1шт.

12

150675A1

SENSOR

SWITCH air restriction indicator Figure 2-6

1шт.

13

150126A1

SENSOR

SENSOR low electrolyte see Figure 4-10

1шт.

14

1546461C1

SWITCH

SWITCH oil pressure 10 psi Figure 2-28

1шт.

15

1983238C1

SENSOR,1/2" - 14

SENDER engine coolant temperature Figure 2-28

1шт.

This is a switch not a sender. Switch used to activate warning light. Sender used to register bar graph. See Ref. 10 for the sender.

1шт.

16

A77797

SOLENOID

SOLENOID shut down 24 volt fuel injection pump, see Figure 3-12

1шт.

17

152920A1

MOTOR

MOTOR throttle Figure 3-6

1шт.

152920A1R

REMAN-ELECTRIC MOTOR

9010 (2/93-)

1шт.

152920A1C

CORE-ELECTRIC MOTOR

Return Number

1шт.

18

REF

INSTRUCTION

CABLES battery, relays and solenoids see Figure 4-9C

1шт.

19

REF

INSTRUCTION

BATTERIES covers and mounting Figure 4-10

1шт.

20

REF

INSTRUCTION

HORNS and mounting see Figure 4-8

1шт.

21

152111A1

SENSOR

SENSOR fuel level

1шт.

22

REF

INSTRUCTION

LAMPS work, and wiring see Figure 4-20

1шт.

23

150610A1

RESERVOIR

RESERVOIR windshield washer fluid Figure 4-24

1шт.

24

150912A1

SWITCH

SWITCH pressure swing

1шт.

Выбрано товаров: 33