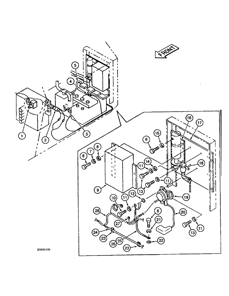
Запчасти Case 9010 (4-09C) - ELECTRICAL SYSTEM, BATTERY CABLES, RELAYS AND SOLENOID VALVES (04) - ELECTRICAL SYSTEMS

Схема запчастей Case 9010 - (4-09C) - ELECTRICAL SYSTEM, BATTERY CABLES, RELAYS AND SOLENOID VALVES (04) - ELECTRICAL SYSTEMS
11
26
4
6
16
28
15
13
17
24
11
1
23
23
6
9
10
13
8
22
19
27
3
6
11
25
11
20
18
7
2
12
5
21
14
FIT
1:1
100%

Артикул

Название

Примечание

Количество

1

150844A1

VALVE

ASSEMBLY solenoid

1шт.

2

150912A1

SWITCH

pressure

1шт.

3

150563A1

CLIP

wire

1шт.

4

150738A1

NEG BATTERY CABLE

CABLE battery

1шт.

5

150388A1

TUBE,13 mm ID, 17.5 mm OD, 300 mm Length

GUARD harness

1шт.

6

627-10020

BOLT,Hex, M10 x 1.5 x 20mm, Cl 10.9, Full Thd

hex, full threads, 10 - 1.5 x 20 mm, class 10.9

8шт.

7

892-11010

LOCK WASHER,M10

4шт.

8

895-11010

WASHER,11mm ID x 20mm OD x 2mm Thk

flat, 11 x 21 x 2 mm

3шт.

9

151251A1

COVER

relay

1шт.

11

892-11008

LOCK WASHER,8mm ID

WASHER, LOCK, M8

8шт.

12

893-11008

LOCK WASHER,Ext Tooth, M8

WASHER, LOCK, Ext Tooth, M8

1шт.

13

627-8020

BOLT,Hex, M8 x 1.25 x 20mm, Cl 10.9, Full Thd

hex, full threads 8 - 1.25 x 20 mm, class 10.9

6шт.

14

895-11006

WASHER,6.6mm ID x 12mm OD x 1.6mm Thk

3шт.

15

150409A1

WASHER

flat, special, 10.5 x 21 x 3.2 mm

4шт.

16

L126094

VALVE

ASSEMBLY solenoid see Figure 4-26 for components and related parts

1шт.

17

151250A1

BRACKET

relay mounting

1шт.

18

150070A1

RELAY

safety

1шт.

19

150663A1

RELAY

battery

1шт.

20

150707A1

NEG BATTERY CABLE

CABLE battery

1шт.

21

892-11010

LOCK WASHER,M10

1шт.

22

893-11010

LOCK WASHER,Ext Tooth, M10

WASHER, LOCK, Ext Tooth, M10

1шт.

23

150712A1

CLIP

tube support

1шт.

24

150270A1

TUBE

SLEEVE corrugated, 39-3/8 inch (1000 mm long)

1шт.

25

150749A1

NEG BATTERY CABLE

CABLE battery

1шт.

26

150388A1

TUBE,13 mm ID, 17.5 mm OD, 300 mm Length

GUARD harness

1шт.

27

150369A1

DIODE

electrical

1шт.

28

150398A1

LOOM

GUARD cable

1шт.

10

627-8025

BOLT,Hex, M8 x 1.25 x 25mm, Cl 10.9, Full Thd

hex, full threads 8 - 1.25 x 25 mm, class 10.9

1шт.

Выбрано товаров: 28