Запчасти Case 9010 (8-64) - 153082A1 CONTROL VALVE ASSEMBLY, LEFT-HAND SECTION, LOAD CHECK AND SWING PRIORITY VALVES (08) - HYDRAULICS

Схема запчастей Case 9010 - (8-64) - 153082A1 CONTROL VALVE ASSEMBLY, LEFT-HAND SECTION, LOAD CHECK AND SWING PRIORITY VALVES (08) - HYDRAULICS
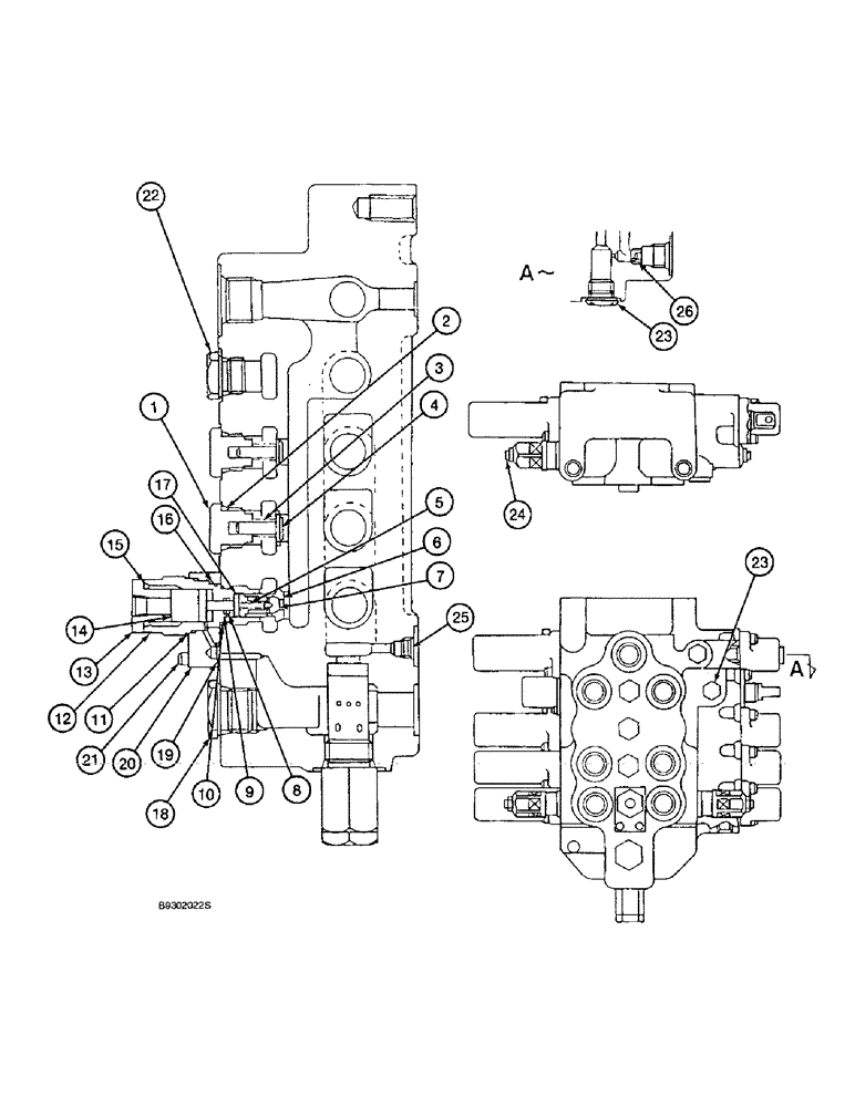
21
11
3
7
1
14
19
24
9
5
23
18
15
6
23
13
12
25
20
16
8
2
22
10
26
4
17
FIT
1:1
100%

Артикул

Название

Примечание

Количество

153082A1

VALVE

ASSEMBLY control, Includes: P/N 155756A1, 155751A1 and Ref. 1-26 parts list Figures 8-60 - 8-67A

1шт.

155756A1

VALVE

SUBASSEMBLY left-hand, Includes: P/N 155751A1, and Ref. 1-26 parts list Figures 8-62, 8-64 and 8-67A

1шт.

155751A1

VALVE, CHECK

VALVE ASSEMBLY check load, Includes: Ref. 1-4

2шт.

1

NSS

NOT SOLD SEPARAT

PLUG check

1шт.

2

153882A1

O-RING

check plug

1шт.

3

NSS

NOT SOLD SEPARAT

SPRING poppet

1шт.

4

NSS

NOT SOLD SEPARAT

POPPET control valve

1шт.

155749A1

VALVE, CHECK

VALVE ASSEMBLY check swing priority, Includes: Ref. 5-17

1шт.

5

NSS

NOT SOLD SEPARAT

SPRING return

1шт.

6

NSS

NOT SOLD SEPARAT

POPPET valve, outer

1шт.

7

NSS

NOT SOLD SEPARAT

POPPET valve, inner

1шт.

8

154446A1

O-RING

piston shaft

1шт.

9

153940A1

BACK-UP RING

RING backup

1шт.

10

153882A1

O-RING

cartridge body, inner

1шт.

11

155170A1

O-RING

cartridge body, outer

1шт.

12

NSS

NOT SOLD SEPARAT

BODY relief cartridge

1шт.

13

NSS

NOT SOLD SEPARAT

PLUG end, cartridge

1шт.

14

NSS

NOT SOLD SEPARAT

PLUNGER cartridge

1шт.

15

154503A1

O-RING

plug

1шт.

16

155169A1

O-RING

cartridge body, center

1шт.

17

NSS

NOT SOLD SEPARAT

PLUNGER cartridge, inner

1шт.

18

155449A1

PLUG

port

1шт.

19

155086A1

O-RING

seal

1шт.

20

155559A1

SPACER

BLOCK adapter

1шт.

21

863-8030

HEX SOC SCREW,M8 x 30mm, Cl 12.9

SCREW - hex socket, 8 - 1.25 x 30 mm, class 12.9

2шт.

22

155446A1

PLUG

special

1шт.

23

155448A1

PLUG

special

2шт.

24

155745A1

VALVE PRESSURE RELIE

VALVE relief circuit, parts list Figure 8-67A

2шт.

25

151026A1

PLUG

port

2шт.

26

155450A1

PLUG

port

1шт.

Выбрано товаров: 30