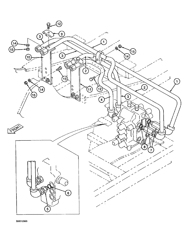
Запчасти Case 9010 (8-72) - ARM AND BUCKET HYDRAULIC CIRCUITS, CONTROL VALVE TO BASE OF BOOM (08) - HYDRAULICS

Схема запчастей Case 9010 - (8-72) - ARM AND BUCKET HYDRAULIC CIRCUITS, CONTROL VALVE TO BASE OF BOOM (08) - HYDRAULICS
14
7
1
5
11
12
2
14
10
3
2
1
8
6
15
15
13
15
9
3
14
4
3
12
FIT
1:1
100%

Артикул

Название

Примечание

Количество

1

152844A1

TUBE

rear arm port at control valve

1шт.

2

152846A1

TUBE

front arm port at control valve

1шт.

3

152849A1

TUBE

rear bucket port at control valve

1шт.

4

152852A1

TUBE

front bucket port at control valve

1шт.

5

151654A1

HYD CONNECTOR,3/4" NPT O-Ring x 3/4" NPT

ADAPTER straight hydraulic, Includes: Ref. 6

2шт.

6

154503A1

O-RING

adapter

1шт.

7

152634A1

STUD

CONNECTOR straight straight

2шт.

8

154503A1

O-RING

connector

1шт.

9

152533A1

SPECIAL CLAMP

CLAMP tube

4шт.

10

152656A1

BRACKET

mounting right-hand

1шт.

11

152678A1

BRACKET

mounting left-hand

1шт.

12

828-12070

BOLT,Hex, M12 x 1.75 x 70mm, Cl 10.9

hex 12 - 1.75 x 70 mm, class 10.9

3шт.

13

626-12040

BOLT,Hex, M12 x 1.75 x 40mm, Cl 10.9, Full Thd

4шт.

14

150988A1

WASHER

flat, special 12 mm

7шт.

15

829-1312

NUT,M12 x 1.75, Cl 10

hex 12 mm - 1.75, class 10

7шт.

Выбрано товаров: 15