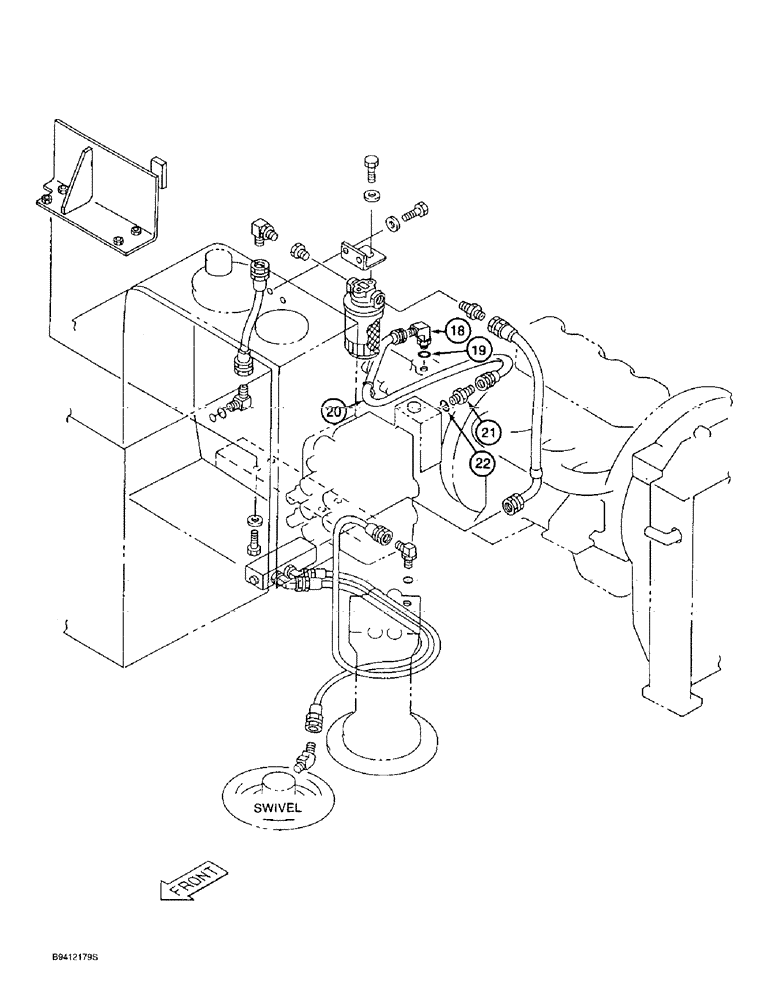
Запчасти Case 9010B (8-012) - FILTER AND RESERVOIR RETURN LINES, MODELS WITHOUT LOAD HOLD (08) - HYDRAULICS

Схема запчастей Case 9010B - (8-012) - FILTER AND RESERVOIR RETURN LINES, MODELS WITHOUT LOAD HOLD (08) - HYDRAULICS
20
21
18
22
19
FIT
1:1
100%

Артикул

Название

Примечание

Количество

18

157585A1

ELBOW

- special (common), Includes: Ref. 19

1шт.

19

154487A1

O-RING

- elbow (common)

1шт.

20

161268A1

HYDRAULIC HOSE,12.70 mm ID x 850.00 mm

(Pump to reservoir return line) (See figure note) 12.70 mm ID x 850.00 mm

1шт.

This part is used on units prior to P.I.N. DAC01#1004. Only those parts listed as common are interchangeable with both configurations. If Ref. 20 or 21 are no longer available, it will be necessary to replace all earlier parts with Ref. 18 - 24 in Figure 8-10. Partial modification is not possible.

1шт.

21

151654A1

HYD CONNECTOR,3/4" NPT O-Ring x 3/4" NPT

ADAPTER - straight (see figure note), Includes: Ref. 22

1шт.

This part is used on units prior to P.I.N. DAC01#1004. Only those parts listed as common are interchangeable with both configurations. If Ref. 20 or 21 are no longer available, it will be necessary to replace all earlier parts with Ref. 18 - 24 in Figure 8-10. Partial modification is not possible.

1шт.

22

154503A1

O-RING

- adapter (common)

1шт.

Выбрано товаров: 7