Запчасти Case 9010B (8-022) - BYPASS OIL FILTER AND LINES (08) - HYDRAULICS

Схема запчастей Case 9010B - (8-022) - BYPASS OIL FILTER AND LINES (08) - HYDRAULICS
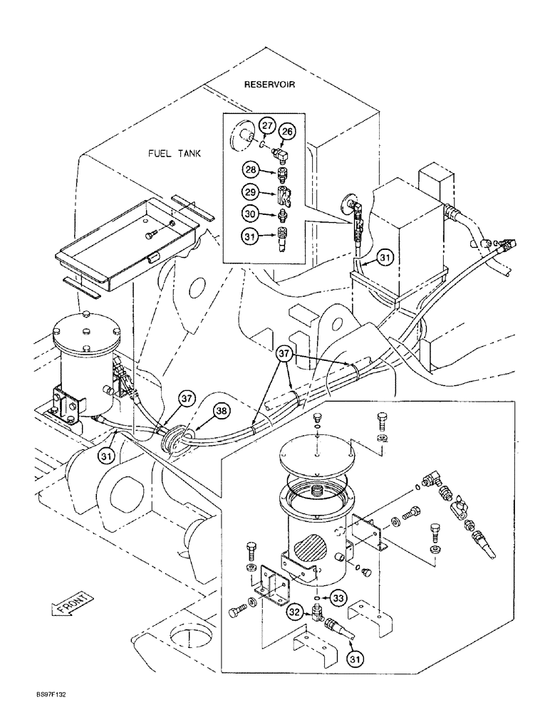
31
32
30
31
38
31
31
29
26
27
28
37
33
37
FIT
1:1
100%

Артикул

Название

Примечание

Количество

20

157850A1

HOSE,6.4 mm ID x 2350.00 mm

- 2350 mm (92-1/2 inch) long

1шт.

The parts in this Figure are used on units prior to P.I.N. DAC01#1004. Only those parts listed as common are interchangeable with both configurations. If Ref. 20, 30, 31, 37 or 38 are no longer available, it will be necessary to replace all earlier parts with Ref. 20, 26 - 33, 37 and 38 on Figure 8-20. Partial modification is not possible.

1шт.

26

150913A1

ELBOW,90 Degree, 1/4" O-Ring x 1/4"

- 90 degree (see figure note) (common), Includes: Ref. 27

1шт.

27

154467A1

O-RING,10.8mm ID x 2.4mm Width

- elbow (see figure note) (common)

1шт.

28

153601A1

ADAPTER

- straight (see figure note) (common)

1шт.

29

158923A1

DRAIN VALVE

VALVE - line shut-off (see figure note) (common)

1шт.

30

153603A1

ADAPTER

- straight

1шт.

The parts in this Figure are used on units prior to P.I.N. DAC01#1004. Only those parts listed as common are interchangeable with both configurations. If Ref. 20, 30, 31, 37 or 38 are no longer available, it will be necessary to replace all earlier parts with Ref. 20, 26 - 33, 37 and 38 on Figure 8-20. Partial modification is not possible.

1шт.

31

157850A1

HOSE,6.4 mm ID x 2350.00 mm

- 2350 mm (92-1/2 inch) long, filter discharge line

1шт.

The parts in this Figure are used on units prior to P.I.N. DAC01#1004. Only those parts listed as common are interchangeable with both configurations. If Ref. 20, 30, 31, 37 or 38 are no longer available, it will be necessary to replace all earlier parts with Ref. 20, 26 - 33, 37 and 38 on Figure 8-20. Partial modification is not possible.

1шт.

32

150913A1

ELBOW,90 Degree, 1/4" O-Ring x 1/4"

- 90 degree (see figure note) (common), Includes: Ref. 33

1шт.

33

154467A1

O-RING,10.8mm ID x 2.4mm Width

- elbow, (see figure note) (common)

1шт.

37

150496A1

MOUNTING CLIP

STRAP - tie, 250 mm long

1шт.

The parts in this Figure are used on units prior to P.I.N. DAC01#1004. Only those parts listed as common are interchangeable with both configurations. If Ref. 20, 30, 31, 37 or 38 are no longer available, it will be necessary to replace all earlier parts with Ref. 20, 26 - 33, 37 and 38 on Figure 8-20. Partial modification is not possible.

1шт.

38

162191A1

GROMMET

- rubber

1шт.

The parts in this Figure are used on units prior to P.I.N. DAC01#1004. Only those parts listed as common are interchangeable with both configurations. If Ref. 20, 30, 31, 37 or 38 are no longer available, it will be necessary to replace all earlier parts with Ref. 20, 26 - 33, 37 and 38 on Figure 8-20. Partial modification is not possible.

1шт.

Выбрано товаров: 16