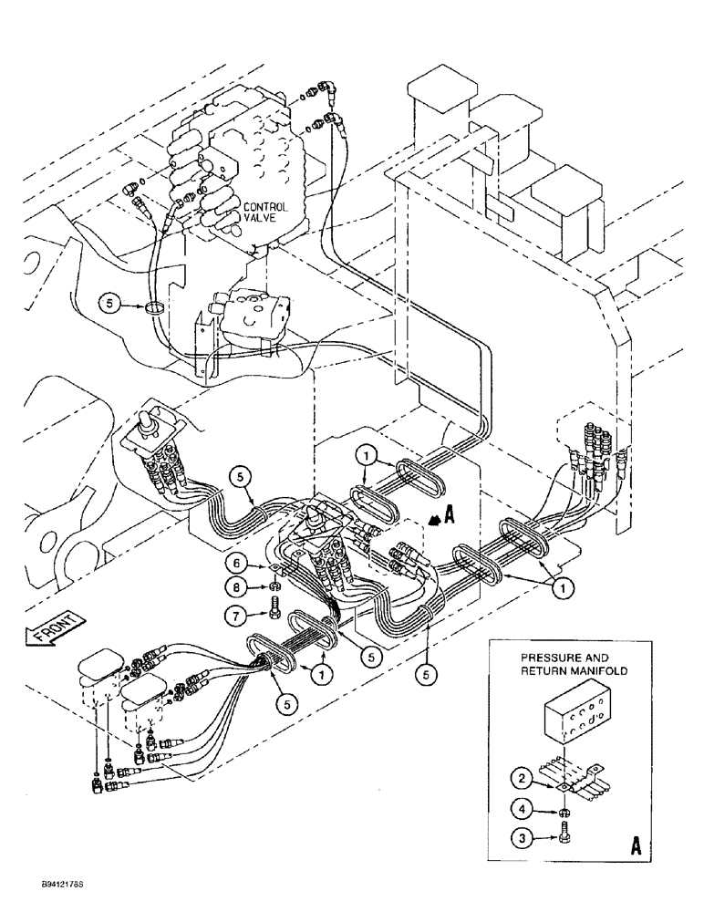
Запчасти Case 9010B (8-026) - BULKHEAD GROMMETS AND HOSE SUPPORTS (08) - HYDRAULICS

Схема запчастей Case 9010B - (8-026) - BULKHEAD GROMMETS AND HOSE SUPPORTS (08) - HYDRAULICS
4
5
5
7
2
5
1
5
6
8
1
1
3
5
FIT
1:1
100%

Артикул

Название

Примечание

Количество

1

159251A1

GROMMET

- rubber

6шт.

2

159250A1

CLAMP

- support

1шт.

3

627-8012

BOLT,Hex, M8 x 1.25 x 12mm, Cl 10.9, Full Thd

- hex, full threads, 8 - 1.25 x 12 mm, class 10.9

2шт.

4

892-11008

LOCK WASHER,8mm ID

WASHER, LOCK, M8

2шт.

5

150071A1

MOUNTING CLIP

STRAP - tie, 365 mm long

1шт.

6

159025A1

CLAMP

- support

1шт.

7

627-8012

BOLT,Hex, M8 x 1.25 x 12mm, Cl 10.9, Full Thd

- hex, full threads, 8 - 1.25 x 12 mm, class 10.9

2шт.

8

892-11008

LOCK WASHER,8mm ID

WASHER, LOCK, M8

2шт.

Выбрано товаров: 8