Запчасти Case 9010B (2-002) - ENGINE MOUNTING (02) - ENGINE

Схема запчастей Case 9010B - (2-002) - ENGINE MOUNTING (02) - ENGINE
7
9
2
6
7
9
2
7
3
8
10a
5
7
8
11
5
6
7
7
8
9
7
12
1
11
10
9
1
6
5
7
6
2
3
4
5
11
13
11
2
8
FIT
1:1
100%

Артикул

Название

Примечание

Количество

REF

INSTRUCTION

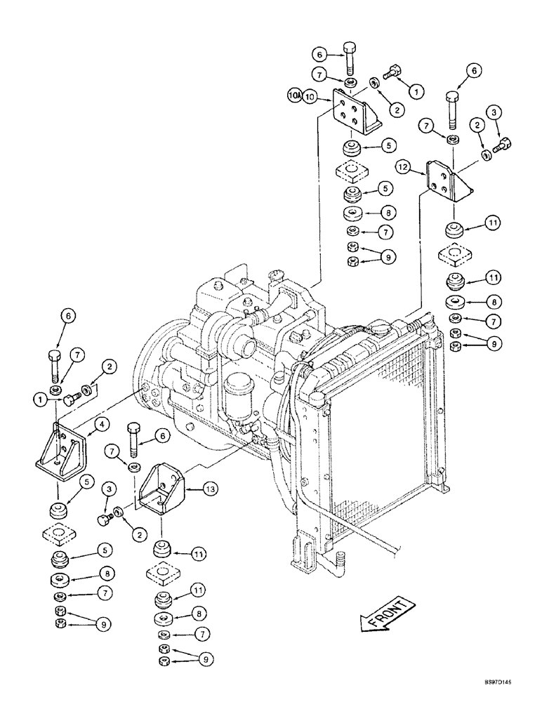
ENGINE ASSEMBLY - see parts list Figures 2-28 - 2-104 and 3-12 - 3-28

1шт.

1

627-12035

BOLT,Hex, M12 x 1.75 x 35mm, Cl 10.9, Full Thd

- hex, full threads, 12 - 1.75 x 35 mm, class 10.9

8шт.

2

150811A1

WASHER

- flat, special, 12 mm

14шт.

3

627-12030

BOLT,Hex, M12 x 1.75 x 30mm, Cl 10.9, Full Thd

- hex, full threads, 12 - 1.75 x 30 mm, class 10.9

6шт.

4

161128A1

SUPPORT

BRACKET - engine mounting, right-hand, front

1шт.

5

159782A1

GROMMET

ISOLATOR - rubber, engine mounting, right-hand

4шт.

6

827-16140

BOLT,Hex, M16 x 2 x 140mm, Cl 10.9

- hex, 16 - 2.0 x 140 mm, class 10.9

4шт.

7

150814A1

WASHER,17mm ID x 32mm OD x 4.5mm Thk

- flat, special

8шт.

8

161127A1

WASHER

- special, isolator

4шт.

9

829-1416

NUT,M16, Cl 10

- hex, 16 mm - 2.0, class 10

8шт.

10

161123A1

ENGINE MOUNT

BRACKET - engine mounting, right-hand, rear, Serial Range: -DAC01#2001

1шт.

See Figure 1-002 for explanation of model variations.

1шт.

10a

164623A1

ENGINE MOUNT

BRACKET - engine mounting, right-hand, rear, Start Serial: DAC01#2001

1шт.

See Figure 1-002 for explanation of model variations.

1шт.

11

161122A1

INSULATOR BLOCK

ISOLATOR - rubber, engine mounting, left-hand

4шт.

12

161129A1

ENGINE MOUNT

BRACKET - engine mounting, left-hand, rear

1шт.

13

151291A1

ENGINE MOUNT

BRACKET - engine mounting, left-hand, front

1шт.

Выбрано товаров: 17