Запчасти Case 9010B (8-060) - BOOM CYLINDER LINES, MODELS WITHOUT LOAD HOLD (08) - HYDRAULICS

Схема запчастей Case 9010B - (8-060) - BOOM CYLINDER LINES, MODELS WITHOUT LOAD HOLD (08) - HYDRAULICS
3
12
4
15a
13
6
11
16
4
11
5
9
11
4
14
17
1
2
13
19
14
10
11
15
6
8
18
7
20
FIT
1:1
100%

Артикул

Название

Примечание

Количество

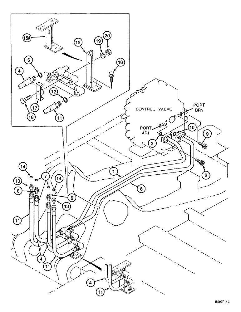
1

161204A1

TUBE ASSY.

TUBE - boom-down (connects to control valve port AR1)

1шт.

2

862-8030

HEX SOC SCREW,M8 x 30mm, Cl 12.9

BOLT - hex socket, 8 - 1.25 x 30 mm, class 12.9

4шт.

3

154499A1

O-RING

- tube

1шт.

4

161167A1

HYDRAULIC HOSE,12.70 mm ID x 640.00 mm

Boom-down lines, Includes Ref. 5 12.70 mm ID x 640.00 mm

2шт.

5

154487A1

O-RING

- hose

1шт.

6

151650A1

HYD CONNECTOR,1/2" NPT O-Ring x 1/2" NPT

ADAPTER - straight, Includes: Ref. 7

2шт.

7

154487A1

O-RING

- adapter

1шт.

8

161205A1

TUBE ASSY.

TUBE - boom-up (connects to control valve port BR1)

1шт.

9

862-10030

HEX SOC SCREW,M10 x 30mm, Cl 12.9

SCREW - hex socket, 10 - 1.5 x 30 mm, class 12.9, Incl Ref. 10

4шт.

10

154528A1

O-RING

- tube

1шт.

11

161168A1

HYDRAULIC HOSE,15.90 mm ID x 640.00 mm

Boom-up lines, Includes Ref. 12 15.90 mm ID x 640.00 mm

2шт.

12

154503A1

O-RING

- hose

1шт.

13

161102A1

ADAPTER

- straight, Includes: Ref. 14

2шт.

14

154487A1

O-RING

- adapter

1шт.

15

161157A1

BRACKET

- mounting, machines without load hold

1шт.

15a

163496A1

COVER

BRACKET - mounting, machines with load hold

1шт.

16

152718A1

BOLT,Spcl, Hex Wshr, M12 x 25mm, Cl 10.9

- special

2шт.

17

152085A1

COLLAR

CLAMP - tube

1шт.

18

827-12065

BOLT,Hex, M12 x 1.75 x 65mm, Cl 10.9

- hex, 12 - 1.75 x 65 mm, class 10.9

1шт.

19

150811A1

WASHER

- flat, special, 12 mm

1шт.

20

829-1412

NUT,M12, Cl 10.9

- hex, 12 mm - 1.75, class 10

1шт.

Выбрано товаров: 21