Запчасти Case 9010B (2-008) - RADIATOR MOUNTING, SUPPORTS AND SEALS, PRIOR TO P.I.N. DAC01#2001 (02) - ENGINE

Схема запчастей Case 9010B - (2-008) - RADIATOR MOUNTING, SUPPORTS AND SEALS, PRIOR TO P.I.N. DAC01#2001 (02) - ENGINE
6
5
1
19
1
9
8
15
12
10
5
18
6
4
5
6
5
4
13
11
16
3
9
21
2
14
22
20
10
7
17
6
10
4
4
FIT
1:1
100%

Артикул

Название

Примечание

Количество

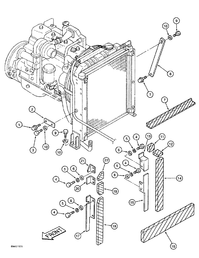
161073A1

RADIATOR

ASSEMBLY - water and hydraulic oil cooling, see parts list Figure 2-24

1шт.

1

152718A1

BOLT,Spcl, Hex Wshr, M12 x 25mm, Cl 10.9

- special, radiator support

2шт.

2

161134A1

SUPPORT

- radiator, front

1шт.

3

827-12050

BOLT,Hex, M12 x 1.75 x 50mm, Cl 10.9

- hex, 12 - 1.75 x 50 mm, class 10.9, Radiator support

1шт.

4

627-8020

BOLT,Hex, M8 x 1.25 x 20mm, Cl 10.9, Full Thd

- hex, full threads, 8 - 1.25 x 20 mm, class 10.9, retainer

11шт.

5

892-11008

LOCK WASHER,8mm ID

WASHER, LOCK, M8

11шт.

7

161143A1

SEAL

- cushion, upper

1шт.

8

161121A1

SUPPORT

- radiator, rear

1шт.

9

627-12035

BOLT,Hex, M12 x 1.75 x 35mm, Cl 10.9, Full Thd

- hex, full threads, 12 - 1.75 x 35 mm, class 10.9, Radiator support and mount

3шт.

10

150811A1

WASHER

- flat, special, 12 mm

6шт.

11

161144A1

SEAL

- cushion

1шт.

12

161145A1

SEAL

- cushion

1шт.

13

161138A1

RING

RETAINER - cushion seal

1шт.

14

161146A1

SEAL

- cushion

1шт.

15

161139A1

RING

RETAINER - cushion seal

1шт.

16

161147A1

SEAL

- cushion, lower

1шт.

17

161135A1

RING

RETAINER - cushion seal

1шт.

18

161140A1

SEAL

- cushion

1шт.

19

161141A1

SEAL

- cushion

1шт.

20

161136A1

BRACKET, SUPPORTING

RETAINER - cushion seal

1шт.

21

161137A1

BRACKET, SUPPORTING

RETAINER - cushion seal

1шт.

22

161142A1

SEAL

- cushion

1шт.

6

895-11008

WASHER,9mm ID x 16mm OD x 1.6mm Thk

- flat, 9 x 17 x 1.6 mm

10шт.

Выбрано товаров: 23