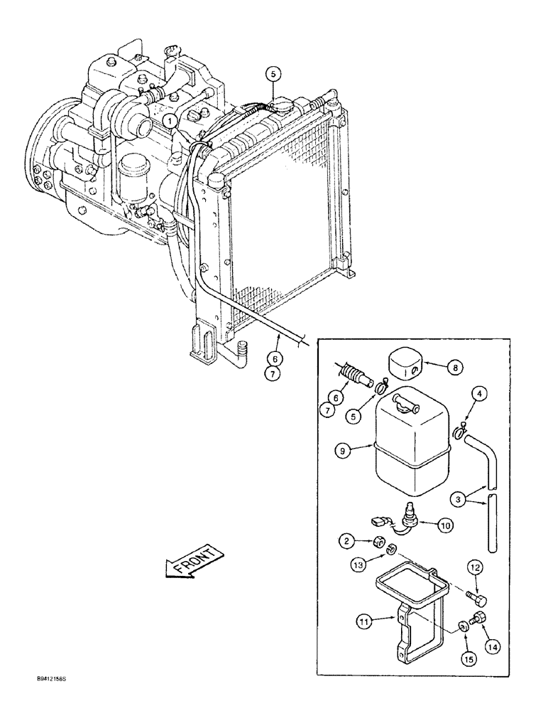
Запчасти Case 9010B (2-012) - RADIATOR OVERFLOW RESERVOIR AND HOSES, PRIOR TO P.I.N. DAC01#2001 (02) - ENGINE

Схема запчастей Case 9010B - (2-012) - RADIATOR OVERFLOW RESERVOIR AND HOSES, PRIOR TO P.I.N. DAC01#2001 (02) - ENGINE
2
6
7
1
7
13
14
11
3
6
8
12
9
5
10
4
5
15
FIT
1:1
100%

Артикул

Название

Примечание

Количество

1

150067A1

MOUNTING CLIP

STRAP - tie, 150 mm long

2шт.

2

829-1408

NUT,Hex, M8 x 1.25, Cl 10.9

- hex, 8 mm - 1.25, class 10

3шт.

3

150066A1

HOSE,7.00 mm ID x 800.00 mm

1шт.

4

153040A1

COLLAR

CLAMP - wire-type, drain hose

1шт.

5

153042A1

CLAMP

- adjustable, reservoir overflow hose

2шт.

6

161495A1

HOSE

1шт.

7

157693A1

PLASTIC-RUBBER TUBE

TUBE - corrugated, plastic, special, 1500 mm (59 inch) long

1шт.

8

157140A1

COVER

- coolant recovery reservoir

1шт.

160626A1

RESERVOIR, COOLANT E

RESERVOIR ASSEMBLY - radiator overflow, Includes: Ref. 9 and 10

1шт.

9

150026A1

TANK

RESERVOIR - coolant recovery

1шт.

10

161740A1

SWITCH

- sender, coolant level

1шт.

11

150465A1

HOLDER

STRAP - mounting, reservoir

1шт.

12

627-8020

BOLT,Hex, M8 x 1.25 x 20mm, Cl 10.9, Full Thd

- hex, full threads, 8 - 1.25 x 20 mm, class 10.9

1шт.

13

892-11008

LOCK WASHER,8mm ID

WASHER, LOCK, M8

1шт.

14

627-10025

BOLT,Hex, M10 x 1.5 x 25mm, Cl 10.9, Full Thd

- hex, full threads, 10 - 1.5 x 25 mm, class 10.9

2шт.

15

895-11010

WASHER,11mm ID x 20mm OD x 2mm Thk

- flat, 11 x 20 x 2 mm

2шт.

Выбрано товаров: 16