Запчасти Case 9010B (9-064) - CAB MISCELLANEOUS PARTS (09) - CHASSIS

Схема запчастей Case 9010B - (9-064) - CAB MISCELLANEOUS PARTS (09) - CHASSIS
23
37
11
33
20
14
33
14a
16
16
19
22
31
18
19
27
13a
15
13
4
10
12
34
9
38
21
32
38
28
5
8a
10a
16a
17
32
24
3
35
20
8
16a
16a
13a
2
29
33
10a
6
26
1
16a
25
18
3
17
36
7
30
FIT
1:1
100%

Артикул

Название

Примечание

Количество

166114A1

CAB

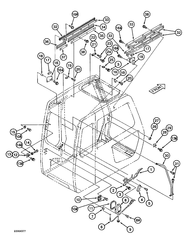
ASSEMBLY - operator's, replaces 161802A1 or 164948A1 cab assembly, includes all parts on Figures 9-60 - 9-72, Includes: Ref. 1 - 38

1шт.

164949A1

CAB

- operator's, replaces 162169A1 body assembly, Includes: Ref. 1 - 38

1шт.

1

161375A1

HANDLE

CAP - rubber, door lever

1шт.

2

161376A1

LEVER

- door

1шт.

3

161377A1

BOLT

BOLT - special, door lever

6шт.

4

161378A1

COVER

- special, door lever

1шт.

5

161379A1

SCREW,Pan Hd

- special, door lever cover

2шт.

6

161380A1

CABLE

- control

1шт.

7

161381A1

COLLAR

CLIP - wire

1шт.

8

161382A1

COVER

- door catch

1шт.

8a

161342A1

BOLT

BOLT - flange, special

4шт.

9

161383A1

GROMMET

- rubber, special

1шт.

10

161384A1

RH DOOR LOCK

CATCH - door

1шт.

10a

161355A1

FLANGE BOLT

BOLT - flange, special

4шт.

11

161385A1

SEAL

- door catch cover

1шт.

12

161386A1

PLATE

- special

1шт.

13

161387A1

SERRATED NUT

PLATE - special

1шт.

13a

161367A1

BOLT

BOLT - door striker

2шт.

14

161388A1

STOP

PER - rubber, special

2шт.

14a

161357A1

NUT

- rubber door stopper

2шт.

15

161389A1

WASHER

- flat, special

2шт.

16

161390A1

LARGE PLATE

PLATE - cover

2шт.

16a

159545A1

SELF-TAP SCREW

- self-tapping, special, for models without front window storage guards

4шт.

16a

164958A1

SCREW

- self-tapping, special, for models with front window storage guards

8шт.

17

161391A1

TRIM

- cover plate

2шт.

18

161392A1

GUIDE

- spring

2шт.

19

161393A1

LARGE PLATE

PLATE - slide latch

2шт.

20

161394A1

SCREW

- slide latch plate

4шт.

21

161395A1

STOP

PER - rubber, front window R.H.

1шт.

22

161396A1

STOP

PER - rubber, front window L.H.

1шт.

23

161397A1

SCREW

- front window stopper

2шт.

24

161398A1

SCREW

- front window stopper

2шт.

25

161399A1

PLATE

STRIKER - front window

2шт.

26

161400A1

STOP

PER - rubber, special

1шт.

27

161401A1

STOP

PER - rubber, special

1шт.

28

161402A1

PLATE ASSY.

PLATE - special

1шт.

29

161403A1

PLATE ASSY.

PLATE - special

1шт.

30

161404A1

GRAB RAIL

RAIL - hand

1шт.

31

159586A1

BOLT,Hex Skt, M10 x 1.5 x 25mm

BOLT - special

3шт.

32

164951A1

GUARD

- spring, for models with front window storage guards

3шт.

33

164954A1

LARGE PLATE

PLATE - guard, retaining, for models with front window storage guards

3шт.

34

164952A1

GUARD

- spring, for models with front window storage guards

1шт.

35

164955A1

LARGE PLATE

PLATE - guard, retaining, for models with front window storage guards

1шт.

36

164953A1

GUARD

- spring, for models with front window storage guards

1шт.

37

164956A1

LARGE PLATE

PLATE - guard, retaining, for models with front window storage guards

1шт.

38

164957A1

SCREW

BOLT - special, for models with front window storage guards

19шт.

Выбрано товаров: 46