Запчасти Case 9010B (5-008) - TRACK ADJUSTER (11) - TRACKS/STEERING

Схема запчастей Case 9010B - (5-008) - TRACK ADJUSTER (11) - TRACKS/STEERING
17
4
14
5
15
9
18
7
1
16
20
10
1
3
8
11
13
19
2
2
12
6
FIT
1:1
100%

Артикул

Название

Примечание

Количество

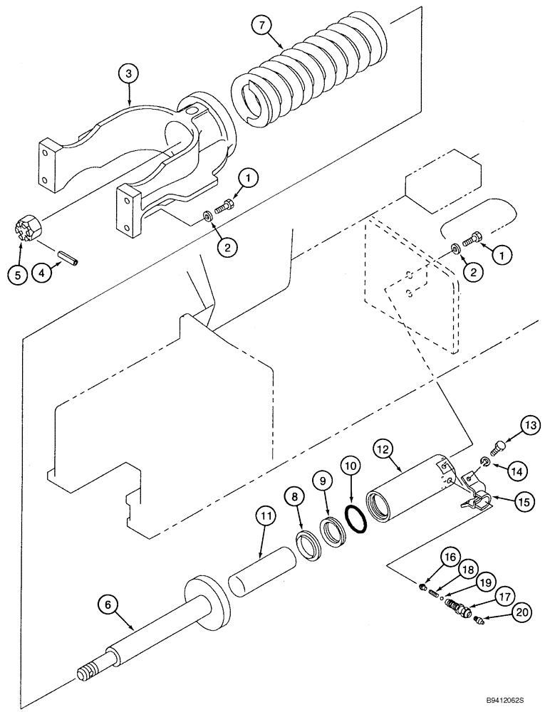
1

627-16050

BOLT,Hex, M16 x 2 x 50mm, Cl 10.9, Full Thd

8шт.

2

150814A1

WASHER,17mm ID x 32mm OD x 4.5mm Thk

- flat, special

8шт.

3

160688A1

FORK

YOKE - idler wheel

2шт.

4

738-1663

LOCK PIN,M6 x 63, Slotted

PIN - roll, 6 x 63 mm, guide nut

2шт.

5

112246A1

SLOTTED NUT

- hex slotted, special

2шт.

6

150553A1

ROD,THREADED

GUIDE - tension spring

2шт.

7

150549A1

SPRING

- track tension

2шт.

150903A1

CYLINDER

ASSEMBLY - track adjuster, Includes: Ref. 8 - 20

2шт.

8

150557A1

SEAL,65mm ID x 79mm OD x 11mm Thk

WIPER - rod

1шт.

9

KHA10090

BACK-UP RING

RING - backup, replaces 150558A1 & 154095A1, backup ring

1шт.

10

154656A1

O-RING

- piston rod

1шт.

11

150756A1

JACK PISTON

ROD - piston

1шт.

12

150907A1

CYLINDER ASSY.

TUBE - cylinder

1шт.

13

627-10020

BOLT,Hex, M10 x 1.5 x 20mm, Cl 10.9, Full Thd

- hex, full threads, 10 - 1.5 x 20 mm, class 10.9

2шт.

14

892-11010

LOCK WASHER,M10

2шт.

15

151234A1

BRACKET

- mounting

1шт.

150107A1

LUBE NIPPLE

VALVE - check, Includes: Ref. 16 - 20

1шт.

16

150120A1

CAP

POPPET - check valve

1шт.

17

150112A1

VALVE SEAT

BODY - check valve

1шт.

18

150115A1

SPRING

- check valve

1шт.

19

150897A1

BALL

- check

1шт.

20

153630A1

LUBE NIPPLE

FITTING - grease, straight

1шт.

Выбрано товаров: 22