Запчасти Case 9010B (2-070) - CYLINDER BLOCK, 4TA-390 ENG,**PRIOR TO P.I.N. DAC01#2001,PRIOR TO ENG S/N 45537238,ENG BLOCK HEATER (02) - ENGINE

Схема запчастей Case 9010B - (2-070) - CYLINDER BLOCK, 4TA-390 ENG,**PRIOR TO P.I.N. DAC01#2001,PRIOR TO ENG S/N 45537238,ENG BLOCK HEATER (02) - ENGINE
6
24
12
25
10
41
2
21
17
22
6
37
15
30a
1
23
27
29a
31
26
3
11
7
20
33
18
16
9
38
35
11a
13
28
34
36
4
39
38
32
7
6
34
40
38a
7
14
29
8
26
19
5
30
FIT
1:1
100%

Артикул

Название

Примечание

Количество

1989187C1

ENGINE ASSEMBLY

ENGINE ASSY ENGINE ASSEMBLY - complete, 4TA-390, includes all parts except fan, air cleaner, muffler and exhaust pipe, for service order basic engine below

1шт.

1989187C1R

REMAN-REPLACEMENT EN

Remanufactured

1шт.

4TA-390C

CORE-REPLACEMENT ENG

Return Number

1шт.

1989092C3R

REMAN-BASIC ENGINE

Reman Basic Engine, includes all parts except starter, alternator, fan, fan belt, air cleaner, muffler, exhaust manifold, flywheel and housing, oil fill and dipstick, fuel injection pump, injectors and lines, front pulley, belt tensioner, turbocharger and aftercooler

1шт.

1989092C3C

CORE-BASIC ENGINE

Return Number

1шт.

1989092C2

BASIC ENGINE

ENGINE ASSEMBLY - basic, includes all parts except starter, alternator, fan,fanbelt, air cleaner, muffler, exhaust manifold, flywheel&housing, oil fill&dipstick, fuel injection pump, injectors&lines,front pulley, belt tensioner, turbocharger&aftercooler

1шт.

JR933237

REMAN-SHORT ENGINE

BLOCK ASSEMBLY - short, remanufactured, North America only, component parts shown on this Figure do not apply to the remanufactured assembly, replaces AR77806 remanufactured short block assembly, Includes: Ref.1 - 8

1шт.

JC933237

CORE-SHORT ENGINE

Return Number

1шт.

J933237

SKELETON ENGINE

BLOCK ASSEMBLY - short,new, includes stripped block,pistons,connecting rods,crankshaft&bearings,replaces A77806short blockassy.,order J933220 hardware kit shown on Fig. 2-80&(1) 250838A2 conn. is used for adapting the oil press.switch tothe new cly.block

1шт.

87430582

ENGINE, EXCHANGE

ENGINE (EXCHANGE) Remanufactured, For N.A. Only

1шт.

6T-591C

CORE

Return number - For N.A. only

1шт.

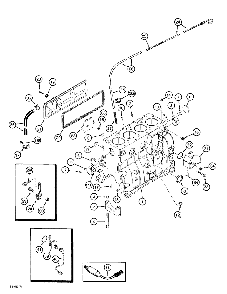
1

J916254

BLOCK ASSY.

BLOCK ASSEMBLY - stripped, engine, no longer available, order J932012 stripped block assy., J933220 hardware kit shown on Fig. 2-80 and (1) 250838A2 connector., Includes: Ref. 2 - 8

1шт.

2

J900967

BEARING CAP

CAP - main bearing

5шт.

3

J900068

BEARING WASHER

RING - dowel, 18 mm OD

10шт.

4

J904217

BOLT,Hex, M14 x 2 x 119mm, Cl 12.9

BOLT - main bearing cap, special

10шт.

5

REF

INSTRUCTION

BUSHING - camshaft, front, see Figure 2-66, Ref. 2

1шт.

6

A77782

PLUG

PLUG - expansion, 58 mm OD

4шт.

7

J900956

PLUG

PLUG - expansion, 18 mm OD

3шт.

8

41-1616

PLUG,Cup, 1", Stainless

PLUG, Cup, 1", Stainless

2шт.

J802641

PACKAGE, REPAIR

KIT - block hardware, replaces J920399 kit, Includes: Ref. 9 - 18

1шт.

9

J900958

PLUG

PLUG - expansion, 32 mm OD

1шт.

10

J900955

PLUG

PLUG - expansion, 10 mm OD

2шт.

11

172599

PLUG,Exp, 2 3/8"

PLUG - expansion, Welch, 60 mm OD

1шт.

11a

J926047

O-RING,0.07" Thk x 2.239" ID

O-RING - sealing, 57 mm ID

1шт.

12

J920706

PLUG

PLUG - expansion, 22 mm OD, not used in this application, Ref. 15, Figure 2-40, J903744 turbocharger oil drain tube is installed in this port

1шт.

13

J900257

PIN,10.01mm OD x 16mm L

PIN - dowel, 16 mm long, locating

2шт.

14

J902343

DOWEL

RING - dowel, 16 mm OD

2шт.

15

J900068

BEARING WASHER

RING - dowel, 18 mm OD

2шт.

16

J906619

PLUG,1/8" - 27

PLUG - hex, 1/8 inch PT (1) not used in this application, Ref. 38, 1546461C2 engine oil pressure switch is installed in this port

2шт.

17

J930139

NOZZLE CAP

NOZZLE - piston cooling (4 used in this application), replaces J919002 nozzle

6шт.

18

A77429

PLUG

PLUG - hex socket, 1/2 inch PT

1шт.

19

J900267

SEAL

SEAL - cover bolt

4шт.

20

845-8020

BOLT,Hvy Hex, M8 x 20mm, Cl 8.8

BOLT - heavy hex flange, 8 - 1.25 x 20 mm

4шт.

21

J925680

COVER

COVER - tappet

1шт.

22

J928831

GASKET

GASKET - tappet cover, replaces J922078 gasket

1шт.

23

J907586

BAFFLE

BAFFLE - tappet cover

1шт.

24

J914731

DIPSTICK,1194mm L

DIPSTICK - engine oil

1шт.

25

J905802

FITTING,9.53 mm OD x 39 mm L

END - oil dipstick tube

1шт.

26

J905801

TUBE

TUBE - oil dipstick

1шт.

27

A77645

TUBE

TUBE - oil dipstick, at block

1шт.

28

J905804

BRACKET

BRACE - tube

1шт.

29

845-8016

BOLT,Hvy Hex, M8 x 16mm, Cl 8.8

BOLT - heavy hex flange, 8 - 1.25 x 16 mm, Dipstick tube to tube brace

1шт.

29a

845-8025

BOLT,Hex Flg, M8 x 25mm, Cl 8.8

BOLT - heavy hex flange, 8 - 1.25 x 25 mm, Retains tube brace to Ref. 20, J914486 air crossover connection on Figure 2-40

1шт.

30

825-1408

NUT,M8, Cl 8

Nut, M8, Cl 8

1шт.

30a

214-1308

HOSE CLAMP,#8, 1/2", Spring

CLAMP, HOSE, , Retains dipstick tube to tube brace #8, 1/2", Spring

1шт.

31

J903103

MANIFOLD

CONNECTION - water inlet

1шт.

32

J906697

SEAL,Square, 5.16mm Thk x 50.17mm ID

O-RING - sealing, 50 mm ID

1шт.

33

854-10075

BOLT,Hvy Hex, M10 x 75mm, Cl 10.9

BOLT - heavy hex flange, 10 - 1.5 x 75 mm, class 10.9

3шт.

34

A77429

PLUG

PLUG - hex socket, 1/2 inch PT

2шт.

35

1981643C1

HOSE

HOSE - 800 mm (31-1/2 inch) long, engine breather

1шт.

36

J904230

CLAMP,25.4mm

CLAMP - spring, hose, breather hose to tappet cover

1шт.

37

J909670

CLIP

CLIP - retaining, breather hose to torque converter access cover screw

1шт.

38

1546461C2

SWITCH

SWITCH - oil pressure, 10 psi, installed in the No. 1 oil port on the injection pump side of the engine, replaces 1546461C1 switch

1шт.

38a

158254A1

SCREW,Phil Pan Hd, M6 x 10mm

SCREW - pan head, special

1шт.

196803A1

KIT

KIT - engine block heater, replaces A77634 kit, Includes: Ref. 39 - 41

1шт.

39

NSS

NOT SOLD SEPARAT

ELEMENT - engine heater, 120 volt, block

1шт.

40

196466A1

ELECTRIC CABLE

CABLE - engine block heater, replaces J905113 cable

1шт.

41

J910517

O-RING

O-RING - heater sealing, engine block heater

1шт.

Выбрано товаров: 58