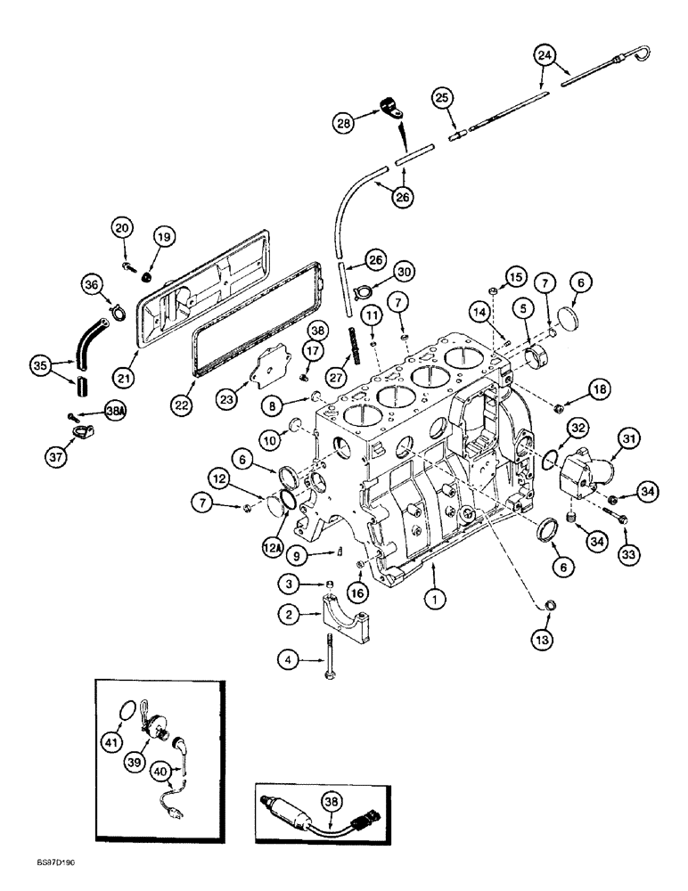
Запчасти Case 9010B (2-074) - CYLINDR BLOCK,4TA-390 EMISS CERT ENG,*P.I.N. DAC01#2001 & AFT,PRIOR TO ENG S/N 45537238,ENG BLK HTR (02) - ENGINE

Схема запчастей Case 9010B - (2-074) - CYLINDR BLOCK,4TA-390 EMISS CERT ENG,*P.I.N. DAC01#2001 & AFT,PRIOR TO ENG S/N 45537238,ENG BLK HTR (02) - ENGINE
28
4
6
26
22
39
18
31
14
20
7
15
7
24
38
9
6
1
40
35
26
23
5
10
17
11
7
2
25
34
16
27
36
41
34
12a
19
38
12
30
6
21
33
32
13
8
37
38a
3
FIT
1:1
100%

Артикул

Название

Примечание

Количество

197900A1

ENGINE ASSEMBLY - complete, 4TA-390, includes all parts except fan, air cleaner, muffler and exhaust pipe, for service order basic engine below

1шт.

The engine part number is stamped on a metal tag which is mounted on the front gear cover.

1шт.

234277A1

BASIC ENGINE

ENGINE ASSEMBLY - basic, includes all parts except starter, alternator, fan, fan belt, air cleaner, muffler, exhaust manifold, flywheel&housing, oil fill&dipstick, fuel injection pump, injectors&lines, front pulley,belt tensioner, turbocharger&aftercooler

1шт.

234277A2R

REMAN-BASIC ENGINE

Remanufactured Basic Engine Assembly, assembly includes short block assembly, cylinder head, valve cover, front cover, oil pan, water pump, thermostat and gasket kit to transfer trim parts

1шт.

234277A2C

CORE-BASIC ENGINE

Return Number

1шт.

1

A77862

SKELETON ENGINE

BLOCK ASSEMBLY - short, new, includes stripped block, pistons, connecting rods and bearings, crankshaft and bearings, no longer available, order J933648 short block assembly on Figure 2-78 and (2) 250838A2 connectors., Includes: Ref. 2 - 18

1шт.

1

AR77862

BLOCK

ASSEMBLY - short, remanufactured, component parts shown on this Figure do not apply to the remanufactured assembly, no longer available, order JR933648 remanufactured short block assembly shown on Fig.2-78, Includes: Ref. 2 - 18

1шт.

1

AC77862

CORE-ENGINE

RETURN NUMBER - use this part number to return short block core for credit when using a remanufactured assembly, Includes: Ref. 2 - 18

1шт.

2

J903492

BEARING CAP

CAP - main bearing, Includes: Ref. 3

5шт.

3

J900068

BEARING WASHER

RING - dowel, 18 mm OD

2шт.

4

J904217

BOLT,Hex, M14 x 2 x 119mm, Cl 12.9

- main bearing cap, special

10шт.

5

REF

INSTRUCTION

BUSHING - camshaft, front, see Figure 2-68, Ref. 2

1шт.

6

A77782

PLUG

- expansion, 58 mm OD

4шт.

7

J900956

PLUG

- expansion, 18 mm OD

3шт.

8

41-1616

PLUG,Cup, 1", Stainless

2шт.

9

J930139

NOZZLE CAP

NOZZLE - piston cooling (4 used in this application)

6шт.

10

J900958

PLUG

- expansion, 32 mm OD

1шт.

11

J900955

PLUG

- expansion, 10 mm OD

2шт.

12

172599

PLUG,Exp, 2 3/8"

- expansion, Welch, 60 mm OD

1шт.

12a

J926047

O-RING,0.07" Thk x 2.239" ID

- sealing, 57 mm ID

1шт.

13

J920706

PLUG

- expansion, 22 mm OD, not used in this application, Ref. 15, Figure 2-42, J903744 turbocharger oil drain tube is installed in this port

1шт.

14

J900257

PIN,10.01mm OD x 16mm L

- dowel, 16 mm long, locating

2шт.

15

J902343

DOWEL

RING - dowel, 16 mm OD

2шт.

16

J900068

BEARING WASHER

RING - dowel, 18 mm OD

2шт.

17

J906619

PLUG,1/8" - 27

- hex, 1/8 inch PT (1) not used in this application, Ref. 38, Figure 2-78, 1546461C2 engine oil pressure switch is installed in this port

2шт.

18

A77429

PLUG

- hex socket, 1/2 inch PT

1шт.

19

J900267

SEAL

- cover bolt

4шт.

20

845-8016

BOLT,Hvy Hex, M8 x 16mm, Cl 8.8

- heavy hex flange, 8 - 1.25 x 16 mm

4шт.

21

J925680

COVER

- tappet

1шт.

22

J928831

GASKET

- tappet cover

1шт.

23

J907586

BAFFLE

- tappet cover

1шт.

24

J933113

DIPSTICK

- engine oil

1шт.

25

J905802

FITTING,9.53 mm OD x 39 mm L

END - oil dipstick tube

1шт.

26

J933114

TUBE,9.53 mm ID x 12.7 mm OD x 600 mm L

- oil dipstick

1шт.

27

A77645

TUBE

- oil dipstick, at block

1шт.

28

A77508

CLAMP

- P-type, attaches to Refs. 2 and 9 shown on Figure 2-84, using existing hardware

1шт.

30

214-1308

HOSE CLAMP,#8, 1/2", Spring

CLAMP, HOSE, , Retains dipstick tube to tube brace #8, 1/2", Spring

1шт.

31

J903103

MANIFOLD

CONNECTION - water inlet

1шт.

32

J906697

SEAL,Square, 5.16mm Thk x 50.17mm ID

O-RING - sealing, 50 mm ID

1шт.

33

854-10075

BOLT,Hvy Hex, M10 x 75mm, Cl 10.9

- heavy hex flange, 10 - 1.5 x 75 mm, class 10.9

3шт.

34

A77429

PLUG

- hex socket, 1/2 inch PT

2шт.

35

1981643C1

HOSE

- 800 mm (31-1/2 inch) long, engine breather

1шт.

36

J904230

CLAMP,25.4mm

- spring, hose, breather hose to tappet cover

1шт.

37

J909670

CLIP

- retaining, breather hose to torque converter access cover screw

1шт.

38

1546461C2

SWITCH

- oil pressure, 10 psi, installed in the No. 1 oil port on the injection pump side of the engine

1шт.

38a

158254A1

SCREW,Phil Pan Hd, M6 x 10mm

- pan head, special

1шт.

196803A1

KIT

- engine block heater, Includes: Ref. 39 - 41

1шт.

39

NSS

NOT SOLD SEPARAT

ELEMENT - engine heater, 120 volt, block

1шт.

40

196466A1

ELECTRIC CABLE

CABLE - engine block heater

1шт.

41

J910517

O-RING

- heater sealing, engine block

1шт.

Выбрано товаров: 50