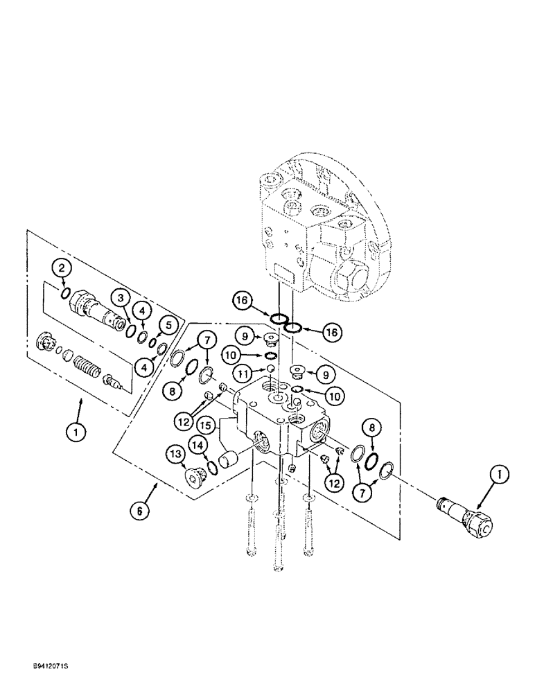
Запчасти Case 9010B (6-016) - TRACK DRIVE MOTOR, CONTROL VALVE ASSEMBLY, STANDARD MODELS PRIOR TO P.I.N. DAC0101222 (06) - POWER TRAIN

Схема запчастей Case 9010B - (6-016) - TRACK DRIVE MOTOR, CONTROL VALVE ASSEMBLY, STANDARD MODELS PRIOR TO P.I.N. DAC0101222 (06) - POWER TRAIN
15
14
1
7
2
1
16
4
11
10
13
4
8
10
12
9
5
8
16
12
6
7
9
3
FIT
1:1
100%

Артикул

Название

Примечание

Количество

160892A1

MOTOR, HYDRAULIC

MOTOR ASSEMBLY - track drive, includes all parts listed on Figures 6-8, 6-12, and 6-16, Includes: Ref. 1 - 15

1шт.

161322A1

VALVE

ASSEMBLY - base plate, replaces 161037A1, valve assembly, Includes: Ref. 1 - 15

1шт.

1

NSS

NOT SOLD SEPARAT

KIT - valve, Includes: Ref. 2 - 5

2шт.

2

154483A1

O-RING

- outer, valve cartridge

1шт.

Part of seal kit P/N 163884A1.

1шт.

3

154491A1

O-RING

- intermediate, valve cartridge

1шт.

Part of seal kit P/N 163884A1.

1шт.

4

153961A1

BACK-UP RING

RING - backup

2шт.

Part of seal kit P/N 163884A1.

1шт.

5

154475A1

O-RING

- inner, valve cartridge

1шт.

Part of seal kit P/N 163884A1.

1шт.

6

NSS

NOT SOLD SEPARAT

KIT - body, valve, Includes: Ref. 7 - 15

1шт.

7

153973A1

BACK-UP RING

RING - backup

4шт.

Part of seal kit P/N 163884A1.

1шт.

8

154491A1

O-RING

- seal

2шт.

Part of seal kit P/N 163884A1.

1шт.

9

NSS

NOT SOLD SEPARAT

PLUG - port, valve body

2шт.

10

154467A1

O-RING,10.8mm ID x 2.4mm Width

- port plug

2шт.

Part of seal kit P/N 163884A1.

1шт.

11

160979A1

BALL

- steel

2шт.

12

155490A1

PLUG

- port, valve body

6шт.

13

NSS

NOT SOLD SEPARAT

PLUG - hex socket, valve body

1шт.

14

154487A1

O-RING

- plug

1шт.

Part of seal kit P/N 163884A1.

1шт.

15

NSS

NOT SOLD SEPARAT

BODY - valve, includes piston

1шт.

16

154491A1

O-RING

- seal, valve assembly

2шт.

Part of seal kit P/N 163884A1.

1шт.

163884A1

SEAL KIT

KIT - seal, includes Refs. 2, 3, 4, 5, 7, 8, 10, 14 and 16, replaces 161044A1 seal kit

1шт.

Выбрано товаров: 28