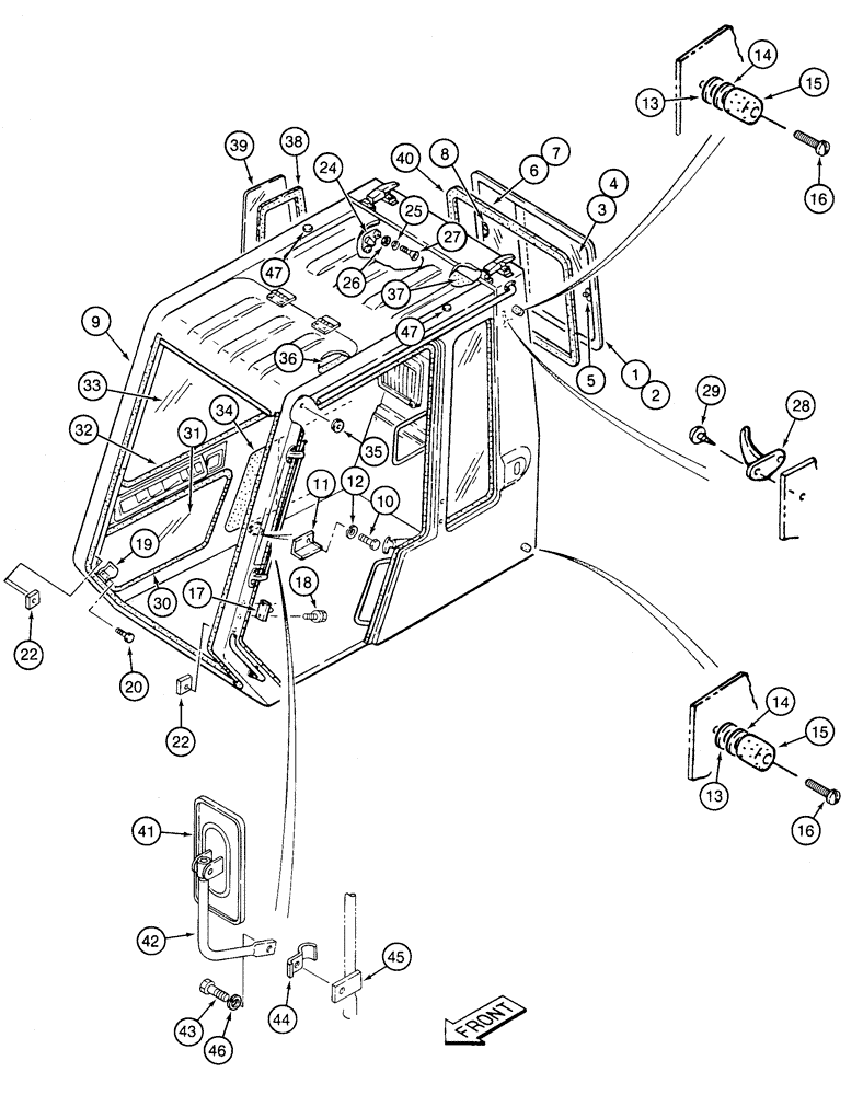
Запчасти Case 9020 (9-38) - CAB REAR AND RIGHT-HAND SIDE GLASS AND REAR VIEW MIRROR (09) - CHASSIS

Схема запчастей Case 9020 - (9-38) - CAB REAR AND RIGHT-HAND SIDE GLASS AND REAR VIEW MIRROR (09) - CHASSIS
45
11
42
22
27
24
31
20
9
47
18
17
22
15
12
43
35
6
46
16
15
30
8
13
10
4
3
19
41
2
7
1
5
34
26
25
40
44
37
33
13
29
32
16
36
14
39
14
47
38
28
FIT
1:1
100%

Артикул

Название

Примечание

Количество

KHN1148

CAB

ASSEMBLY operators, includes all parts on Figures 9-36 thru 9-42, Includes: Ref. 1 - 46, Replaces 152792A1, KHN12000

1шт.

152609A1

WINDOW

ASSEMBLY cab, Includes: Ref. 1 - 8

1шт.

1

152622A1

FRAME

rear window, sliding

1шт.

2

152626A1

CHAIN GUIDE

CHAIN TRACK TRACK sliding window, If Used

1шт.

3

152624A1

WINDOW

GLASS ASSEMBLY window, left-hand side, with latch, If Used

1шт.

4

152592A1

CAB GLASS

window, left-hand side, If Used

1шт.

5

152860A1

LOCK

LATCH rear window, left-hand side, If Used

1шт.

6

152625A1

WINDOW

GLASS ASSEMBLY rear window, right-hand side, with latch, If Used

1шт.

7

152592A1

CAB GLASS

rear window, right-hand side, If Used

1шт.

8

151494A1

LOCK

LATCH rear window, right-hand side, If Used

1шт.

9

NSS

NOT SOLD SEPARAT

FRAME - cab order cab assembly 152792A1

1шт.

10

627-10016

BOLT,Hex, M10 x 1.5 x 16mm, Cl 10.9, Full Thd

Special

3шт.

11

152521A1

SUPPORT

BRACKET 90 degree

1шт.

12

895-11010

WASHER,11mm ID x 20mm OD x 2mm Thk

flat, 11 x 21 x 2 mm

1шт.

13

152667A1

RUBBER WASHER

SHIM

2шт.

14

152668A1

RUBBER WASHER

SHIM

2шт.

15

152370A1

RUBBER BLOCK

BUMPER

2шт.

16

152543A1

SPECIAL BOLT

2шт.

17

152493A1

CATCH PLATE

CATCH cab door

1шт.

18

152466A1

BOLT

special, catch mounting

2шт.

19

152526A1

ENGINE VENT SLEEVE

CATCH windshield frame

2шт.

20

152542A1

BOLT

special

8шт.

22

152737A1

STOP

BUMPER rubber windshield frame

2шт.

24

151585A1

PLATE

special sliding window, pin retaining

4шт.

25

151590A1

WASHER

special

8шт.

26

113631A1

LOCK WASHER

toothed conical, special, 8 mm

8шт.

27

151290A1

HEX SOC SCREW,Flat Csk Hd, M8 x 20mm

20шт.

28

151824A1

COAT HOOK

clothing

1шт.

29

152705A1

SPECIAL BOLT,Spcl

hook mounting

2шт.

30

152564A1

SEALING STRIP

glass

1шт.

31

152555A1

GLASS

window, lower, right-hand

1шт.

32

152565A1

SEALING STRIP

glass

1шт.

33

152558A1

GLASS

window, upper, right-hand

1шт.

34

152684A1

PADDING

cab, lower, right-hand

1шт.

35

152503A1

GROMMET

rubber

1шт.

36

152832A1

GASKET

TRIM overhead door

1шт.

37

152384A1

NOISE PROTECTION

PAD cab interior

1шт.

38

152223A1

GASKET

SEAL rubber, glass retaining narrow, right-hand side window

1шт.

39

152552A1

GLASS

window, right-hand, side window

1шт.

40

152141A1

SEALING STRIP

SEAL rubber, rear, cab window

1шт.

NSS

NOT SOLD SEPARAT

MIRROR ASSEMBLY rear, Includes: Ref. 41 - 46

1шт.

41

KHP13190

REAR VIEW MIRROR,166mm x 330mm

rear view

1шт.

42

156562A1

SUPPORT

ARM rear view mirror, replaces arm 150692A1

1шт.

43

627-12030

BOLT,Hex, M12 x 1.75 x 30mm, Cl 10.9, Full Thd

Full Thd, Replaced by 627-12040

1шт.

43

627-12040

BOLT,Hex, M12 x 1.75 x 40mm, Cl 10.9, Full Thd

Replaces 627-12035

1шт.

44

150151A1

CLAMP

special

1шт.

45

150694A1

PLATE

mirror mounting

1шт.

46

892-11012

LOCK WASHER,M12

1шт.

47

156919A1

BOLT

hex

2шт.

Выбрано товаров: 0