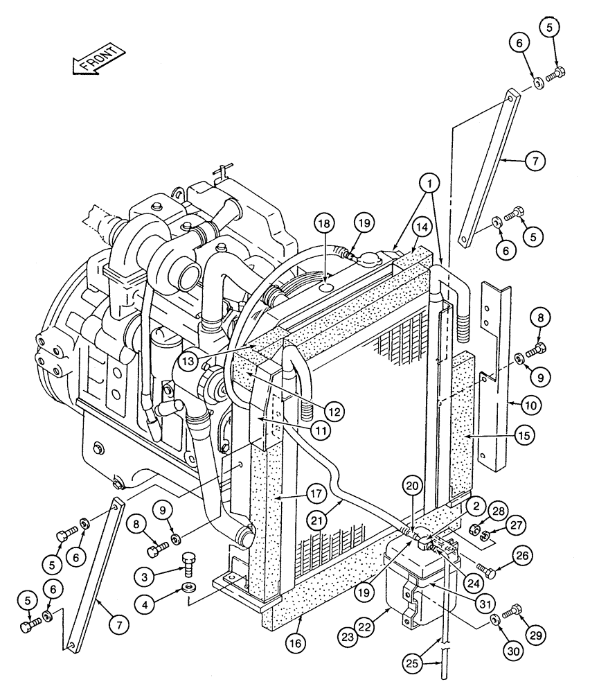
Запчасти Case 9020 (2-04) - RADIATOR, SUPPORTS AND COOLANT RECOVERY RESERVOIR (02) - ENGINE

Схема запчастей Case 9020 - (2-04) - RADIATOR, SUPPORTS AND COOLANT RECOVERY RESERVOIR (02) - ENGINE
13
6
23
19
6
4
7
28
3
27
17
19
14
9
31
16
8
15
25
8
9
21
30
5
11
12
10
22
5
2
18
6
29
5
20
5
24
1
6
26
7
FIT
1:1
100%

Артикул

Название

Примечание

Количество

1

150212A1

RADIATOR

ASSEMBLY engine and hydraulic oil cooling, parts list Figure 2-10

1шт.

2

157140A1

COVER

coolant, recovery reservoir

1шт.

3

627-16040

BOLT,Hex, M16 x 2 x 40mm, Cl 10.9, Full Thd

4шт.

4

150814A1

WASHER,17mm ID x 32mm OD x 4.5mm Thk

flat, special

4шт.

5

627-12030

BOLT,Hex, M12 x 1.75 x 30mm, Cl 10.9, Full Thd

Full Thd

4шт.

6

150811A1

WASHER

flat, special, 12 mm

4шт.

7

150229A1

STAY

BRACE radiator mounting

2шт.

8

627-10020

BOLT,Hex, M10 x 1.5 x 20mm, Cl 10.9, Full Thd

6шт.

9

150409A1

WASHER

flat, special, 10.5 x 21 x 3.2 mm

6шт.

10

150148A1

BRACKET

radiator side

1шт.

11

150256A1

BRACKET

radiator mounting

1шт.

12

150144A1

SEAL

PAD insulation

1шт.

13

157577A1

PAD

insulation

1шт.

14

157576A1

PAD

insulation

1шт.

15

150262A1

SEAL

PAD insulation

1шт.

16

150274A1

SEAL

PAD insulation

1шт.

17

150269A1

SEAL

PAD insulation

1шт.

18

151885A1

DECAL

LABEL - coolant

1шт.

19

153042A1

CLAMP

adjustable

2шт.

20

150740A1

HOSE

, Serial Range: radiator-reservoir

1шт.

21

157138A1

PLASTIC-RUBBER TUBE,13 mm ID, 17.5 mm OD, 1600 mm Length

GUARD overflow hose

1шт.

150021A1

RESERVOIR, COOLANT E

ASSEMBLY coolant recovery, Includes: Ref. 22 and 23

1шт.

22

NSS

NOT SOLD SEPARAT

RESERVOIR coolant, recovery not available, order 150021A11

1шт.

23

150032A1

LIMIT SWITCH

limit

1шт.

24

153040A1

COLLAR

wire-type

1шт.

25

150490A1

HOSE

overflow, reservoir

1шт.

26

627-8020

BOLT,Hex, M8 x 1.25 x 20mm, Cl 10.9, Full Thd

Full threads

1шт.

27

892-11008

LOCK WASHER,8mm ID

1шт.

28

829-1408

NUT,Hex, M8 x 1.25, Cl 10.9

1шт.

29

627-10020

BOLT,Hex, M10 x 1.5 x 20mm, Cl 10.9, Full Thd

2шт.

30

895-11010

WASHER,11mm ID x 20mm OD x 2mm Thk

flat, 11 x 21 x 2 mm

2шт.

31

150465A1

HOLDER

strap, mounting reservoir

1шт.

Выбрано товаров: 32