Запчасти Case 9020 (2-18) - TURBOCHARGER SYSTEM, 4TA-390 ENGINE (02) - ENGINE

Схема запчастей Case 9020 - (2-18) - TURBOCHARGER SYSTEM, 4TA-390 ENGINE (02) - ENGINE
4
23
3
26
19
1
15
25
23
24
14
11
18
10
21
14
3a
17
22
9
12
7
7
24
8
6
24
13
26
24
8
2
20
16
5
FIT
1:1
100%

Артикул

Название

Примечание

Количество

1

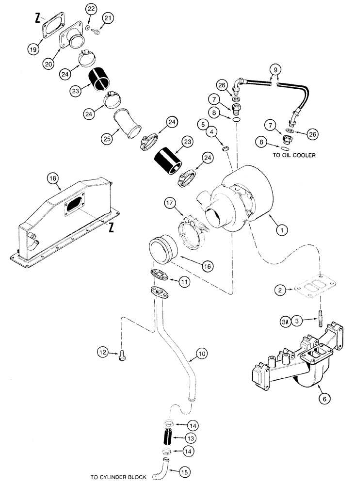
J919129

TURBOCHARGER

ASSEMBLY engine, new production only, order J802290, turbocharger kit shown on Figure 2-21, replaces J919135, turbocharger assembly

1шт.

2

J901356

GASKET,0.5mm Thk

, Serial Range: turbocharger-manifold

1шт.

3

J905417

STUD

STUD turbocharger mounting, used with Ref. 4, J901961, nut only, if used

4шт.

3a

J818823

STUD

turbocharger mounting, used with Ref. 5, J818824, nut only, if used

4шт.

4

J901961

NUT

hex, special, 10 mm - 1.25, turbocharger mounting, if used

4шт.

5

J818824

FLANGE NUT

hex flange, special, 10 mm - 1.5, turbocharger mounting, if used

4шт.

6

J901635

MANIFOLD

exhaust, see Figure 2-17, for mounting parts

1шт.

7

J919687

HYD CONNECTOR

ADAPTER female hex, special, Includes: Ref. 8

2шт.

8

238-5013

O-RING,0.07" Thk x 0.426" ID, -13, Cl 5, 75 Duro

1шт.

9

J909545

HOSE

406 mm (16.0"), Turbocharger

1шт.

10

J903741

TUBE

turbocharger oil drain, upper

1шт.

11

J914388

GASKET

turbo, oil drain tube

1шт.

12

845-8020

BOLT,Hvy Hex, M8 x 20mm, Cl 8.8

2шт.

13

J903745

LARGE HOSE

HOSE,LARGE 3 inch, (76 mm) long

1шт.

14

214-1416

HOSE CLAMP,#16, 0.81" - 1.5", Type F Worm

Adj., Turbocharger drain hose

2шт.

15

J903744

PIPE FITTING,22.42 mm ID x 28 mm OD x 90.2, 64 mm L

tube, turbocharger oil drain

1шт.

16

J910990

TUBE,64 mm ID x 72.64 mm OD x 40.50 mm L

exhaust outlet, turbocharger to exhaust pipe

1шт.

17

A170467

CLAMP,72mm ID

includes, hardware, replaces J903652

1шт.

18

J919805

AFTERCOOLER

air intake, see Figure 2-17, for mounting parts

1шт.

19

J914856

GASKET,1.02mm Thk

air crossover, Serial Range: connection-aftercooler

1шт.

20

J914486

MANIFOLD

CONNECTION air crossover

1шт.

21

845-8025

BOLT,Hex Flg, M8 x 25mm, Cl 8.8

4шт.

22

J918189

SEALING WASHER

WASHER sealing

4шт.

23

J916166

INTAKE AIR HOSE

2-3/4 inch, (71 mm) long, intake

2шт.

24

214-1428

HOSE CLAMP,#28, 1.31" - 2.25", Type F Worm

Adjustable, Replaces 214-258

4шт.

25

J908776

TUBE,50.8 mm OD x 125.4 mm L

air crossover

1шт.

26

222-993

GASKET,3/8 Tube, Fl, Copper

2шт.

Выбрано товаров: 27