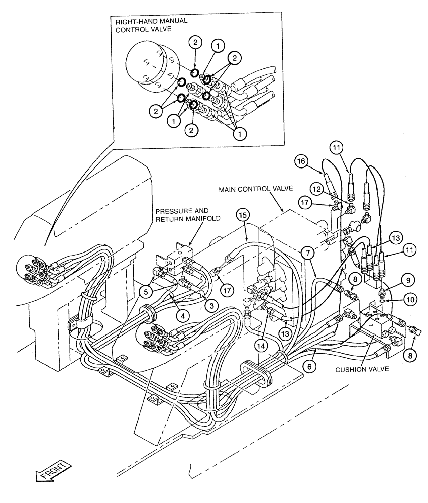
Запчасти Case 9020 (8-028) - R.H. MANUAL CONTROL VALVE PILOT CNTRL LINES, PRESSR & RETRN LINES,BOOM CNTRL LINES,BUCKET CNTRL LINE (08) - HYDRAULICS

Схема запчастей Case 9020 - (8-028) - R.H. MANUAL CONTROL VALVE PILOT CNTRL LINES, PRESSR & RETRN LINES,BOOM CNTRL LINES,BUCKET CNTRL LINE (08) - HYDRAULICS
7
14
5
1
1
10
2
17
13
9
8
2
3
11
2
16
11
15
17
4
1
12
13
8
2
6
FIT
1:1
100%

Артикул

Название

Примечание

Количество

1

152747A1

ADAPTER

straight, Includes: Ref. 2

6шт.

2

154467A1

O-RING,10.8mm ID x 2.4mm Width

adapter

1шт.

3

153088A1

HOSE

59 inch (1500 mm) long, pilot pressure supply line, (pressure and return manifold port "P" to right-hand manual control valve port "P")

1шт.

4

153088A1

HOSE

59 inch (1500 mm) long, pilot pressure return line, (pressure and return manifold port "T" to right-hand manual control valve port "T")

1шт.

5

153495A1

ADAPTER

ELBOW 90 degree hydraulic

2шт.

6

150392A1

HOSE

114-1/8 inch (2900 mm) long, boom-up signal line, (right-hand manual control valve port "4" to cushion valve port "F")

1шт.

7

152984A1

HOSE

94-1/2 inch (2400 mm) long, boom-down signal line, (right-hand manual control valve port "2" to cushion valve port "E")

1шт.

8

153526A1

ELBOW

90 degree, special

2шт.

9

152128A1

HYD CONNECTOR,3/8" NPT O-Ring x 3/8" NPT

straight, hydraulic, Includes: Ref. 10

2шт.

10

154475A1

O-RING

adapter

1шт.

11

153319A1

HOSE ASSY.

31-1/2 inch (800 mm) long, boom-up signal line, (cushion valve port "H" to tee in main control valve port "Pa22")

1шт.

12

152749A1

ADAPTER

ELBOW 90 degree

1шт.

13

152781A1

HOSE

33-7/16 inch (850 mm) long, boom-down signal line, (cushion valve port "G" to cross fitting in main control valve port "Pb12")

1шт.

14

152748A1

ADAPTER

straight

1шт.

15

150392A1

HOSE

114-1/8 inch (2900 mm) long, bucket-open line, (right-hand manual control valve port "3" to main control valve port "Pb23")

1шт.

16

152988A1

HOSE

126 inch (3200 mm) long, bucket-close line, (right-hand manual control valve port "1" to main control valve port "Pa23")

1шт.

17

152749A1

ADAPTER

ELBOW 90 degree

2шт.

Выбрано товаров: 17