Запчасти Case 9020 (8-030) - L. H. MANUAL CONTROL VALVE PILOT CNTRL LINES,PRESSR & RETRN LINES,ARM CNTRL LINES, SWING CNTRL LINES (08) - HYDRAULICS

Схема запчастей Case 9020 - (8-030) - L. H. MANUAL CONTROL VALVE PILOT CNTRL LINES,PRESSR & RETRN LINES,ARM CNTRL LINES, SWING CNTRL LINES (08) - HYDRAULICS
8
10
2
16
2
8
5
11
14
15
11
12
4
16
7
13
1
2
14
1
1
9
6
2
12
3
13
FIT
1:1
100%

Артикул

Название

Примечание

Количество

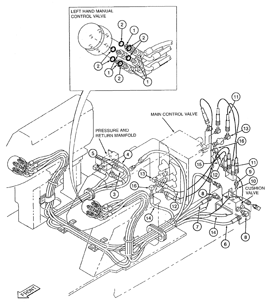
1

152747A1

ADAPTER

straight, Includes: Ref. 2

12шт.

2

154467A1

O-RING,10.8mm ID x 2.4mm Width

adapter

1шт.

3

153089A1

HOSE

86-5/8 inch (220 mm) long, pilot pressure supply line, (pressure and return manifold port "P" to left-hand manual control valve port "P")

1шт.

4

153089A1

HOSE

86-5/8 inch (220 mm) long, pilot pressure return line, (pressure and return manifold port "T" to left-hand manual control valve port "T")

1шт.

5

153597A1

ADAPTER

straight

2шт.

6

152960A1

HOSE

78-3/4 inch (2000 mm) long, arm-in signal line, (left-hand manual control valve port "2" to cushion valve port "B")

1шт.

7

153533A1

HOSE

82-11/16 inch (2100 mm) long, arm-out signal line, (left-hand manual control valve port "4" to cushion valve port "A")

1шт.

8

153526A1

ELBOW

90 degree, special

2шт.

9

152128A1

HYD CONNECTOR,3/8" NPT O-Ring x 3/8" NPT

straight, Includes: Ref. 10

2шт.

10

154475A1

O-RING

adapter

1шт.

11

152889A1

HOSE ASSY.

25-5/8 inch (650 mm) long, arm-in signal line, (cushion valve port "D" to tee in main control valve port "Pa14")

1шт.

12

153319A1

HOSE ASSY.

31-1/2 inch (800 mm) long, arm-out signal line, (cushion valve port "C" to main control valve port "Pb14")

1шт.

13

152749A1

ADAPTER

ELBOW 90 degree

2шт.

14

150385A1

HYDRAULIC HOSE

74-13/16 inch (1900 mm) long, swing-right signal line, (left-hand manual control valve port "1" to main control valve port "Pb13")

1шт.

15

150387A1

HOSE

92-1/2 inch (2350 mm) long, swing-left signal line, (left-hand manual control valve port "3" to main control valve port "Pa13")

1шт.

16

152749A1

ADAPTER

ELBOW 90 degree

2шт.

Выбрано товаров: 16