Запчасти Case 9020 (8-056) - 150501A1 SOLENOID VALVE (08) - HYDRAULICS

Схема запчастей Case 9020 - (8-056) - 150501A1 SOLENOID VALVE (08) - HYDRAULICS
8
2
1
6
7
4
5
3
FIT
1:1
100%

Артикул

Название

Примечание

Количество

150501A1

VALVE

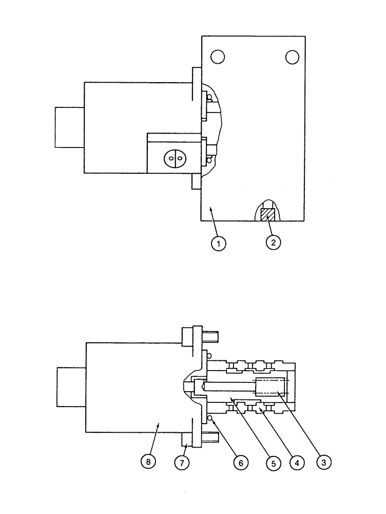
ASSEMBLY solenoid, Includes: Ref. 1 - 8

1шт.

One solenoid valve assembly functions as the swing brake release valve assembly and a second functions as the two-speed travel valve assembly

1шт.

1

NSS

NOT SOLD SEPARAT

HOUSING valve

1шт.

2

NSS

NOT SOLD SEPARAT

PLUG valve

1шт.

3

156061A1

SPRING

compression

1шт.

4

156285A1

GUIDE

SLEEVE valve

1шт.

5

NSS

NOT SOLD SEPARAT

SPOOL valve

1шт.

6

154498A1

O-RING

solenoid

1шт.

7

156174A1

BOLT

hex socket

2шт.

8

156718A1

SOLENOID

valve

1шт.

Выбрано товаров: 10