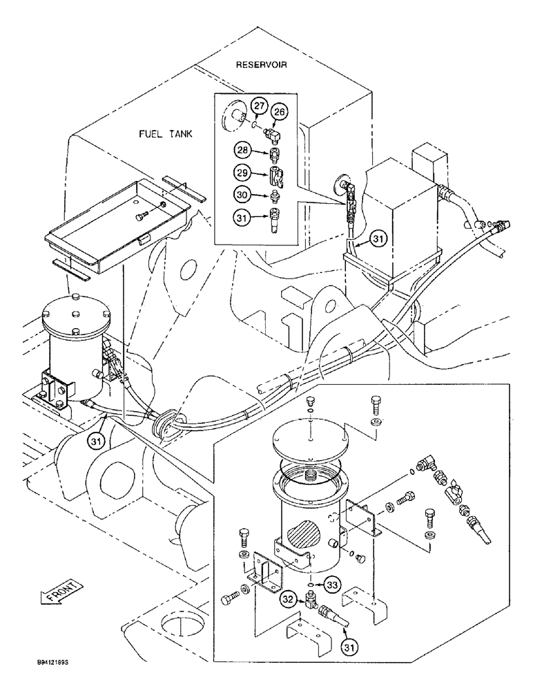
Запчасти Case 9020B (8-020) - BYPASS OIL FILTER AND LINES, PRIOR TO P.I.N. DAC0201004 (08) - HYDRAULICS

Схема запчастей Case 9020B - (8-020) - BYPASS OIL FILTER AND LINES, PRIOR TO P.I.N. DAC0201004 (08) - HYDRAULICS
31
28
31
31
32
31
29
27
33
26
30
FIT
1:1
100%

Артикул

Название

Примечание

Количество

26

150913A1

ELBOW,90 Degree, 1/4" O-Ring x 1/4"

- 90 degree, (common), Includes: Ref. 27

1шт.

Parts listed in this Figure are keyed to Figure 8-18 for comparison purposes. Excavators prior to P.I.N. DAC0201004 can be upgraded by replacing the parts listed in this Figure with the parts listed on Figure 8-18, plus other parts identified on Figures 8-2, 8-10, 8-42, and 8-50.

1шт.

27

154467A1

O-RING,10.8mm ID x 2.4mm Width

- elbow, (common)

1шт.

Parts listed in this Figure are keyed to Figure 8-18 for comparison purposes. Excavators prior to P.I.N. DAC0201004 can be upgraded by replacing the parts listed in this Figure with the parts listed on Figure 8-18, plus other parts identified on Figures 8-2, 8-10, 8-42, and 8-50.

1шт.

28

153601A1

ADAPTER

- straight, (common)

1шт.

Parts listed in this Figure are keyed to Figure 8-18 for comparison purposes. Excavators prior to P.I.N. DAC0201004 can be upgraded by replacing the parts listed in this Figure with the parts listed on Figure 8-18, plus other parts identified on Figures 8-2, 8-10, 8-42, and 8-50.

1шт.

29

158923A1

DRAIN VALVE

VALVE - line shut-off, (common)

1шт.

Parts listed in this Figure are keyed to Figure 8-18 for comparison purposes. Excavators prior to P.I.N. DAC0201004 can be upgraded by replacing the parts listed in this Figure with the parts listed on Figure 8-18, plus other parts identified on Figures 8-2, 8-10, 8-42, and 8-50.

1шт.

30

153603A1

ADAPTER

- straight

1шт.

Parts listed in this Figure are keyed to Figure 8-18 for comparison purposes. Excavators prior to P.I.N. DAC0201004 can be upgraded by replacing the parts listed in this Figure with the parts listed on Figure 8-18, plus other parts identified on Figures 8-2, 8-10, 8-42, and 8-50.

1шт.

31

151895A1

HOSE,2450.00 mm

- Filter discharge line 2450.00 mm

1шт.

Parts listed in this Figure are keyed to Figure 8-18 for comparison purposes. Excavators prior to P.I.N. DAC0201004 can be upgraded by replacing the parts listed in this Figure with the parts listed on Figure 8-18, plus other parts identified on Figures 8-2, 8-10, 8-42, and 8-50.

1шт.

32

150913A1

ELBOW,90 Degree, 1/4" O-Ring x 1/4"

- 90 degree, (common), Includes: Ref. 33

1шт.

Parts listed in this Figure are keyed to Figure 8-18 for comparison purposes. Excavators prior to P.I.N. DAC0201004 can be upgraded by replacing the parts listed in this Figure with the parts listed on Figure 8-18, plus other parts identified on Figures 8-2, 8-10, 8-42, and 8-50.

1шт.

33

154467A1

O-RING,10.8mm ID x 2.4mm Width

- elbow, (common)

1шт.

Parts listed in this Figure are keyed to Figure 8-18 for comparison purposes. Excavators prior to P.I.N. DAC0201004 can be upgraded by replacing the parts listed in this Figure with the parts listed on Figure 8-18, plus other parts identified on Figures 8-2, 8-10, 8-42, and 8-50.

1шт.

Выбрано товаров: 16