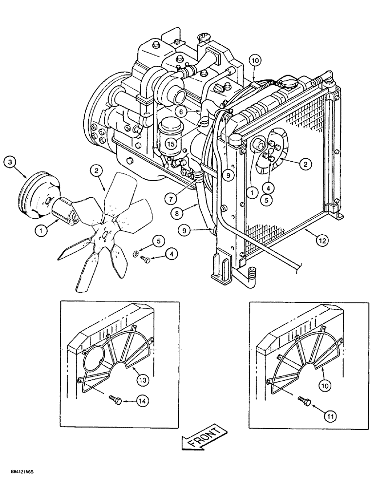
Запчасти Case 9020B (2-004) - RADIATOR, HOSES AND ENGINE FAN, PRIOR TO P.I.N. DAC02#2001, P.I.N. DAC02#2001 AND AFTER (02) - ENGINE

Схема запчастей Case 9020B - (2-004) - RADIATOR, HOSES AND ENGINE FAN, PRIOR TO P.I.N. DAC02#2001, P.I.N. DAC02#2001 AND AFTER (02) - ENGINE
9
4
1
7
13
3
2
5
14
10
12
2
8
1
9
5
15
4
10
6
11
FIT
1:1
100%

Артикул

Название

Примечание

Количество

PRIOR TO P.I.N. DAC02#2001

1шт.

1

A184545

SPACER

fan, with four mounting holes

1шт.

2

140977A1

FAN

- engine cooling

1шт.

3

A189284

PULLEY,151mm OD

- air conditioner compressor drive

1шт.

4

828-10080

BOLT,Hex, M10 x 1.5 x 80mm, Cl 10.9

- hex, 10 - 1.5 x 80 mm, class 10.9

4шт.

5

150409A1

WASHER

- flat, special, 10.5 x 21 x 3.2 mm

4шт.

6

163738A1

RADIATOR HOSE,44.00 mm ID, 49.00 mm ID x 247.00 mm

Upper, Replaces 161149A1 44.00 mm ID, 49.00 mm ID x 247.00 mm

1шт.

7

152796A1

COLLAR

CLAMP - adjustable, replaces 153055A1 and 150893A1 clamp

1шт.

8

163737A1

RADIATOR HOSE,49.00 mm ID, 57.00 mm ID x 258.90 mm

Lower, Replaces 161148A1 49.00 mm ID, 57.00 mm ID x 258.90 mm

1шт.

9

157287A1

COLLAR

CLAMP - adjustable, replaces 153053A1 and 150890A1 clamp

2шт.

10

161876A1

GUARD ASSY.

GUARD - fan, machines without air conditioning compressor, part of radiator assembly, see Figure 2-22, Ref. 15

1шт.

11

162121A1

BOLT,Sems, Hex, M8 x 16mm, Spcl

BOLT - special, fan guard attaching

5шт.

12

161073A1

RADIATOR

ASSEMBLY - water and hydraulic oil cooling, parts list Figure 2-22, for radiator mounting parts see Figure 2-6

1шт.

13

163264A1

GUARD ASSY.

GUARD - fan, machines with air conditioning compressor

1шт.

14

162121A1

BOLT,Sems, Hex, M8 x 16mm, Spcl

BOLT - special

4шт.

15

150887A1

CLAMP

- adjustable, upper radiator hose, replaces 153051A1 clamp

1шт.

P.I.N. DAC02#2001 & AFTER

1шт.

1

A184546

SPACER

- fan, 60 mm long, with four mounting holes

1шт.

2

256550A1

FAN

- engine cooling

1шт.

3

A189284

PULLEY,151mm OD

- air conditioner compressor drive

1шт.

4

828-10090

BOLT,Hex, M10 x 1.5 x 90mm, Cl 10.9

- hex, 10 - 1.5 x 90 mm, class 10.9

4шт.

5

150409A1

WASHER

- flat, special, 10.5 x 21 x 3.2 mm

4шт.

6

165515A1

RADIATOR HOSE

Upper

1шт.

7

152796A1

COLLAR

CLAMP - adjustable

1шт.

8

165516A1

RADIATOR HOSE

Lower

1шт.

9

157287A1

COLLAR

CLAMP - adjustable

2шт.

10

165521A1

GUARD ASSY.

GUARD - fan, machines without air conditioning compressor

1шт.

11

162121A1

BOLT,Sems, Hex, M8 x 16mm, Spcl

BOLT - special, fan guard attaching

5шт.

12

REF

INSTRUCTION

RADIATOR ASSEMBLY - water and hydraulic oil cooling, parts list Figure 2-24 for radiator mounting parts see Figure 2-8

1шт.

13

165522A1

GUARD ASSY.

GUARD - fan, machines with air conditioning compressor

1шт.

14

162121A1

BOLT,Sems, Hex, M8 x 16mm, Spcl

BOLT - special

4шт.

15

150887A1

CLAMP

- adjustable, upper radiator hose

1шт.

Выбрано товаров: 0