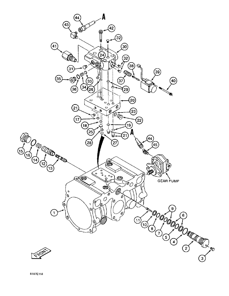
Запчасти Case 9020B (8-102) - HYDRAULIC PUMP ASSEMBLY, PROPORTIONING COMPONENTS (08) - HYDRAULICS

Схема запчастей Case 9020B - (8-102) - HYDRAULIC PUMP ASSEMBLY, PROPORTIONING COMPONENTS (08) - HYDRAULICS
32
3
8
14
6
20
34
21
5
32
35
18
22
36
13
25
9
44
41
30
11
7
38
15
31
42
19
17
23
43
4
16
45
1
37
39
26
27
33
28
2
10
21
40
29
12
44
FIT
1:1
100%

Артикул

Название

Примечание

Количество

161302A1

PUMP, HYDRAULIC

PUMP ASSEMBLY - hydraulic, parts list Figures 8-96 - 8-104, Includes: Ref. 1 - 45, Serial Range: -DAC02#2001

1шт.

315617A2R

REMAN-HYD PUMP

Remanufactured, HYDRAULIC PUMP, For N.A. Only

1шт.

315617A1C

CORE-HYDRAULIC PUMP

Return Number, For N.A. Only

1шт.

165409A1

PUMP, HYDRAULIC

PUMP ASSEMBLY - hydraulic, parts list Figures 8-96 - 8-104, Includes: Ref. 1 - 45, Start Serial: DAC02#2001

1шт.

169304A1R

REMAN-HYD PUMP

Remanufactured, HYDRAULIC PUMP, For N.A. Only

1шт.

169304A1C

CORE-HYDRAULIC PUMP

Return Number, For N.A. Only

1шт.

1

NSS

NOT SOLD SEPARAT

HOUSING - pump

1шт.

2

NSS

NOT SOLD SEPARAT

BODY - valve, reducing

1шт.

3

NSS

NOT SOLD SEPARAT

PLUG - valve body

1шт.

4

161749A1

O-RING

O-RING - valve body

1шт.

Part of Seal Component Kit, P/N 161774A1

1шт.

5

154491A1

O-RING

O-RING - valve body

1шт.

Part of Seal Component Kit, P/N 161774A1

1шт.

6

153973A1

BACK-UP RING

RING - backup

2шт.

Part of Seal Component Kit, P/N 161774A1

1шт.

7

154487A1

O-RING

O-RING - valve body

1шт.

Part of Seal Component Kit, P/N 161774A1

1шт.

8

154483A1

O-RING

O-RING - valve body

1шт.

Part of Seal Component Kit, P/N 161774A1

1шт.

9

153970A1

BACK-UP RING

RING - backup

2шт.

Part of Seal Component Kit, P/N 161774A1

1шт.

10

153967A1

BACK-UP RING

RING - backup

1шт.

Part of Seal Component Kit, P/N 161774A1

1шт.

11

NSS

NOT SOLD SEPARAT

PISTON - reducing valve

1шт.

161781A1

GASKET KIT

VALVE ASSEMBLY - reducing, Includes: Ref. 12 and 13

1шт.

12

NSS

NOT SOLD SEPARAT

SLEEVE - valve

1шт.

13

NSS

NOT SOLD SEPARAT

SPOOL - valve

1шт.

14

161787A1

SPRING

SPRING - compression

1шт.

15

163553A1

PLUG

PLUG - port

1шт.

16

154503A1

O-RING

O-RING - plug

1шт.

Part of Seal Component Kit, P/N 161774A1

1шт.

17

154459A1

O-RING

O-RING - passage

1шт.

Part of proportioning solenoid seal KIT, P/N 161775A1

1шт.

18

154471A1

O-RING

O-RING - passage

1шт.

Part of proportioning solenoid seal KIT, P/N 161775A1

1шт.

19

154447A1

O-RING

O-RING - passage

2шт.

Part of proportioning solenoid seal KIT, P/N 161775A1

1шт.

20

163558A1

PLATE

BASE - proportioning valve

1шт.

21

163548A1

PLUG

PLUG - port

4шт.

22

161773A1

PLUG

PLUG - port

2шт.

23

154467A1

O-RING,10.8mm ID x 2.4mm Width

O-RING - plug

2шт.

Part of Seal Component Kit, P/N 161774A1

1шт.

24

154459A1

O-RING

O-RING - passage

1шт.

Part of proportioning solenoid seal KIT, P/N 161775A1

1шт.

25

163554A1

FILTER SCREEN

FILTER - disk

1шт.

26

154471A1

O-RING

O-RING - filter

1шт.

Part of proportioning solenoid seal KIT, P/N 161775A1

1шт.

27

NSS

NOT SOLD SEPARAT

ORIFICE - proportioning

1шт.

28

154451A1

O-RING

O-RING - orifice

1шт.

Part of proportioning solenoid seal KIT, P/N 161775A1

1шт.

29

154447A1

O-RING

O-RING - passage

2шт.

Part of proportioning solenoid seal KIT, P/N 161775A1

1шт.

30

NSS

NOT SOLD SEPARAT

HOUSING - solenoid valve

1шт.

31

NSS

NOT SOLD SEPARAT

PLUG - port

1шт.

32

NSS

NOT SOLD SEPARAT

PLUG - port

3шт.

33

163554A1

FILTER SCREEN

FILTER - disk

1шт.

34

161790A1

SPRING

SPRING - compression

1шт.

35

155480A1

PLUG

PLUG - valve

1шт.

36

154475A1

O-RING

O-RING - plug

1шт.

Part of proportioning solenoid seal KIT, P/N 161775A1

1шт.

37

NSS

NOT SOLD SEPARAT

SLEEVE - solenoid valve

1шт.

38

NSS

NOT SOLD SEPARAT

SPOOL - solenoid valve

1шт.

161786A1

SOLENOID VALVE

SOLENOID ASSEMBLY - proportioning, Includes: Ref. 39 and 40

1шт.

39

NSS

NOT SOLD SEPARAT

SOLENOID - proportioning

1шт.

40

NSS

NOT SOLD SEPARAT

SCREW - solenoid attaching

4шт.

41

161756A1

VALVE

VALVE ASSEMBLY - relief, Component parts not serviced separately.

1шт.

42

861-8070

HEX SOC SCREW,M8 x 70mm, Cl 12.9

BOLT - hex socket, 8 - 1.25 x 70 mm, class 12.9

4шт.

43

161752A1

ELBOW

ELBOW - 90 degree, special

1шт.

44

161751A1

HYDRAULIC HOSE,260.00 mm

Pump transfer line

1шт.

45

161752A1

ELBOW

ELBOW - 90 degree, special

1шт.

161774A1

SEAL KIT

KIT - seal components, Includes: Refs. 4 - 10, 16 and 23, see also Figures 8-96 - 8-102

1шт.

161775A1

SEAL KIT

KIT - proportioning solenoid seal, Includes: Refs. 17 - 19, 24, 26, 28, 29 and 36

1шт.

Выбрано товаров: 72