Запчасти Case 9020B (8-138) - BOOM CYLINDERS, MODELS WITH LOAD HOLD OPTION (08) - HYDRAULICS

Схема запчастей Case 9020B - (8-138) - BOOM CYLINDERS, MODELS WITH LOAD HOLD OPTION (08) - HYDRAULICS
11
22
16
3
25
17
20
1
24
15
18
8
14
26
7
23
30
28
12
4
19
1
6
29
9
27
13
5
2
10
21
FIT
1:1
100%

Артикул

Название

Примечание

Количество

163476A1

CYLINDER ASSY.

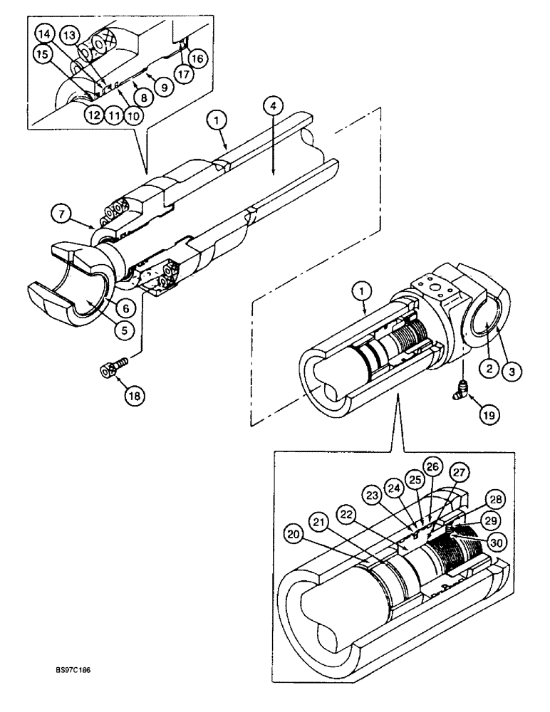
CYLINDER ASSEMBLY - 115 (4-1/2) ID x 1184 mm (46-5/8 inch) stroke, boom, Includes: Ref. 1 - 30

2шт.

161902A1

TUBE

KIT - tube replacement, Includes: Ref. 1 and 2

1шт.

1

NSS

NOT SOLD SEPARAT

TUBE - cylinder

1шт.

2

155431A1

BUSHING

- mounting pin, cylinder tube

1шт.

3

155156A1

RING

WIPER - mounting pin, at cylinder tube

2шт.

161903A1

ROD

KIT - rod replacement, Includes: Ref. 4 and 5

1шт.

4

NSS

NOT SOLD SEPARAT

ROD - cylinder

1шт.

5

155432A1

BUSHING

- mounting pin, cylinder rod

1шт.

6

155157A1

RING

WIPER - mounting pin, at cylinder rod eye

2шт.

161053A1

SET OF PARTS

KIT - gland replacement, Includes: Ref. 7 - 9

1шт.

7

NSS

NOT SOLD SEPARAT

GLAND - cylinder

1шт.

8

155430A1

BUSHING

- gland

1шт.

9

155696A1

RING, SNAP

RING - snap

1шт.

160501A1

SEALING RING

RING ASSEMBLY - buffer, kit, containing the following three parts, Includes: Ref. 10 - 12

1шт.

Part of seal replacement KIT, P/N 161912A1

1шт.

10

160524A1

RING

- slide

1шт.

11

160510A1

BACK-UP RING

RING - backup

1шт.

12

160528A1

RING

- square

1шт.

13

155132A1

RING,80mm ID x 95mm OD x 9mm Thk

SEAL - U-cup

1шт.

Part of seal replacement KIT, P/N 161912A1

1шт.

14

155241A1

BACK-UP RING

RING - backup

1шт.

Part of seal replacement KIT, P/N 161912A1

1шт.

15

161884A1

BACK-UP RING

WIPER - piston rod

1шт.

Part of seal replacement KIT, P/N 161912A1

1шт.

16

154741A1

O-RING

SEAL - gland

1шт.

Part of seal replacement KIT, P/N 161912A1

1шт.

17

160812A1

BACK-UP RING

RING - backup

1шт.

Part of seal replacement KIT, P/N 161912A1

1шт.

18

161059A1

BOLT,Hex Skt, M16 x 70mm, Cl 12.9

BOLT - hex, special

12шт.

19

153912A1

LUBE NIPPLE,90 Degree, 1/8"-27 NPT x 21.5mm lg

1шт.

20

155160A1

RING

BEARING - cushion

1шт.

21

155155A1

SEAL

O-RING - cushion ring

1шт.

Part of seal replacement KIT, P/N 161912A1

1шт.

22

160943A1

PISTON

- cylinder

1шт.

23

160824A1

SEALING RING

SEAL - piston, two piece

1шт.

Part of seal replacement KIT, P/N 161912A1

1шт.

24

160813A1

BACK-UP RING

RING - backup

2шт.

Part of seal replacement KIT, P/N 161912A1

1шт.

25

161885A1

BACK-UP RING

RING - wear

2шт.

Part of seal replacement KIT, P/N 161912A1

1шт.

26

160827A1

RING

- wear

2шт.

Part of seal replacement KIT, P/N 161912A1

1шт.

27

155723A1

WASHER

- special

1шт.

Part of seal replacement KIT, P/N 161912A1

1шт.

28

160972A1

NUT

- special

1шт.

29

156223A1

SET SCREW

SCREW - set

1шт.

30

155977A1

BALL

- steel

1шт.

161912A1

SEAL KIT

KIT - seal replacement, Includes: Refs. 13 - 17, 21, 23 - 27 and P/N 160501A1.

1шт.

Выбрано товаров: 48