Запчасти Case 9020B (8-146) - ARM CYLINDER, MODELS WITH LOAD HOLD OPTION (08) - HYDRAULICS

Схема запчастей Case 9020B - (8-146) - ARM CYLINDER, MODELS WITH LOAD HOLD OPTION (08) - HYDRAULICS
19
20
17
26
27
8
32
37
1
33
7
18
36
34
25
12
29
1
15
13
4
30
21
22
28
16
2
35
3
24
23
5
10
9
14
31
6
11
FIT
1:1
100%

Артикул

Название

Примечание

Количество

163487A1

CYLINDER ASSY.

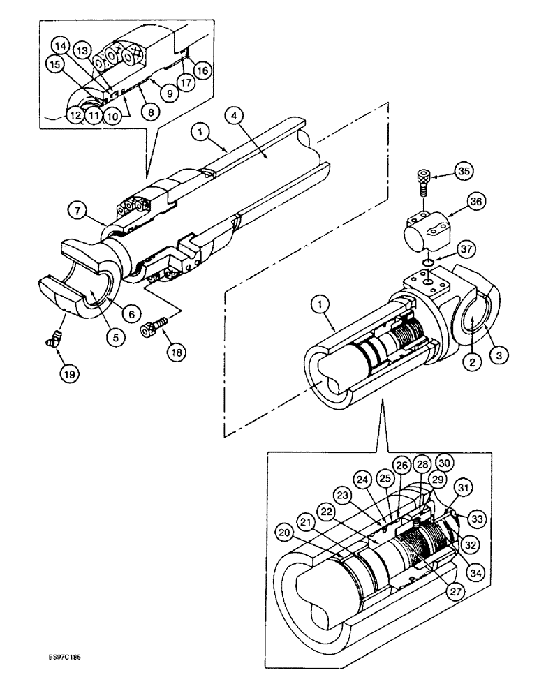
CYLINDER ASSEMBLY - 125 (4-7/8) ID x 1335 mm (52-9/16 inch) stroke, arm, Includes: Ref. 1 - 37

1шт.

161905A1

ROD

KIT - rod replacement, Includes: Ref. 1 and 2

1шт.

1

NSS

NOT SOLD SEPARAT

TUBE - cylinder

1шт.

2

161875A1

BUSHING

- mounting pin, cylinder tube

1шт.

3

160500A1

RING

WIPER - pin, at cylinder tube

2шт.

161904A1

TUBE

KIT - tube replacement, Includes: Ref. 4 and 5

1шт.

4

NSS

NOT SOLD SEPARAT

ROD - cylinder

1шт.

5

161875A1

BUSHING

- mounting pin, cylinder rod

1шт.

6

160500A1

RING

WIPER - pin, at cylinder rod eye

2шт.

161906A1

HEAD

KIT - gland replacement, Includes: Ref. 7 - 9

1шт.

7

NSS

NOT SOLD SEPARAT

GLAND - cylinder

1шт.

8

160050A1

BUSHING

- gland

1шт.

9

155713A1

RING, SNAP

RING - retaining

1шт.

160123A1

BACK-UP RING

RING ASSEMBLY - buffer, kit, containing the following three parts, Includes: Ref. 10 - 12

1шт.

Part of seal replacement KIT, P/N 161913A1

1шт.

10

160015A1

BACK-UP RING

RING - slide

1шт.

11

159991A1

BACK-UP RING

RING - backup

1шт.

12

160020A1

RING

- square

1шт.

13

155145A1

RING,90mm ID x 105mm OD x 9mm Thk

SEAL - U-cup

1шт.

Part of seal replacement KIT, P/N 161913A1

1шт.

14

155249A1

BACK-UP RING

RING - backup

1шт.

Part of seal replacement KIT, P/N 161913A1

1шт.

15

161877A1

BACK-UP RING

WIPER - piston rod

1шт.

Part of seal replacement KIT, P/N 161913A1

1шт.

16

154761A1

O-RING,119.4mm ID x 3.1mm Width

SEAL - gland

1шт.

Part of seal replacement KIT, P/N 161913A1

1шт.

17

155240A1

BACK-UP RING

RING - backup

1шт.

Part of seal replacement KIT, P/N 161913A1

1шт.

18

161059A1

BOLT,Hex Skt, M16 x 70mm, Cl 12.9

BOLT - hex, special

12шт.

19

153912A1

LUBE NIPPLE,90 Degree, 1/8"-27 NPT x 21.5mm lg

1шт.

20

161878A1

BUSHING

BEARING - cushion

1шт.

21

160125A1

SEAL

- cushion ring

1шт.

Part of seal replacement KIT, P/N 161913A1

1шт.

22

160570A1

PISTON

- cylinder

1шт.

23

155311A1

SEALING RING

SEAL - piston, two piece

1шт.

Part of seal replacement KIT, P/N 161913A1

1шт.

24

160509A1

BACK-UP RING

RING - backup

2шт.

Part of seal replacement KIT, P/N 161913A1

1шт.

25

161886A1

BACK-UP RING

RING - wear

2шт.

Part of seal replacement KIT, P/N 161913A1

1шт.

26

155306A1

SEALING RING

RING - wear

2шт.

Part of seal replacement KIT, P/N 161913A1

1шт.

27

155737A1

SHIM

WASHER - flat, special

1шт.

Part of seal replacement KIT, P/N 161913A1

1шт.

28

156233A1

NUT

- special

1шт.

29

156223A1

SET SCREW

SCREW - set

1шт.

30

155977A1

BALL

- steel

1шт.

31

161879A1

RING

- cushion

1шт.

32

160555A1

SEAL

- cushion

1шт.

Part of seal replacement KIT, P/N 161913A1

1шт.

33

160556A1

STOP

- cushion

2шт.

34

161926A1

RING, SNAP

RING - snap

1шт.

35

160301A1

BOLT

- special

4шт.

36

161893A1

JOINT

ELBOW - 90 degree, flange type

1шт.

37

154543A1

O-RING

-, Serial Range: Elbow-tube

1шт.

161913A1

SEAL KIT

KIT - seal replacement, Includes: Refs. 13 - 17, 21, 23 - 27, 32 and P/N 160123A1

1шт.

Выбрано товаров: 56