Запчасти Case 9020B (9-066) - CAB MISCELLANEOUS PARTS (09) - CHASSIS

Схема запчастей Case 9020B - (9-066) - CAB MISCELLANEOUS PARTS (09) - CHASSIS
19
32
38
24
40
35
36
25
21
15
27
5
8
30
12
9
40
39
43
20
6
22
1
33
16
3
34
25
23
41
42
11
37
11
28
26
4
24
29
13
17
14
18
7
2
11
31
FIT
1:1
100%

Артикул

Название

Примечание

Количество

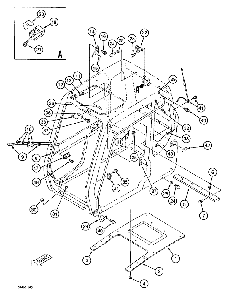
164948A1

CAB

ASSEMBLY - operator's, replaces 161802A1 cab assembly, includes all parts on Figures 9-64 - 9-76, Includes: Ref. 1 - 43

1шт.

164949A1

CAB

- operator's, replaces 162169A1 body assembly, Includes: Ref. 1 - 43

1шт.

1

161336A1

INSULATOR

PAD - roof, rear

1шт.

2

161337A1

INSULATOR

PAD - roof, left-hand

1шт.

3

161338A1

INSULATOR

PAD - roof, right-hand

1шт.

4

161339A1

COLLAR

CLIP - trim

13шт.

5

161340A1

LARGE PLATE

PLATE - special

1шт.

6

161341A1

STOP

PER - special

2шт.

7

161342A1

BOLT

BOLT - flange, special

4шт.

8

161343A1

HOSE

- 1250 mm (49-3/16 inch) long, Windshield washer

1шт.

9

161344A1

DIFFUSER

NOZZLE - special, windshield washer

1шт.

10

161345A1

ADAPTER

- nozzle, special

1шт.

11

161346A1

HARNESS

- electrical wiring, wiper motor

1шт.

12

161347A1

PLATE, SPACER

PLATE - connector, special

1шт.

13

161348A1

SELF-TAP SCREW

- self-tapping, special

2шт.

14

161349A1

CEILING LAMP

LAMP - cab dome, Includes: Ref. 15

1шт.

15

162830A1

BULB

- dome lamp

1шт.

16

159545A1

SELF-TAP SCREW

- self-tapping, special

2шт.

17

161350A1

ASH TRAY

ASHTRAY - cab

1шт.

18

161351A1

SELF-TAP SCREW

- self-tapping, special

2шт.

19

161352A1

STOP

PER - rubber, special

1шт.

20

161353A1

SHIM

- rubber stopper

1шт.

21

159544A1

BOLT

BOLT - rubber stopper, special

1шт.

22

161354A1

LOCK

- window

1шт.

23

161355A1

FLANGE BOLT

BOLT - flange, special

8шт.

24

161356A1

STOP

PER - rubber, door

4шт.

25

161357A1

NUT

- rubber door stopper

4шт.

26

161358A1

COAT HOOK

HANGER - operators clothes

1шт.

27

161359A1

CAP

- special

2шт.

28

161360A1

GUARD ASSY.

GROMMET - rubber, special

1шт.

29

161361A1

PLUG

- special

2шт.

30

161362A1

GROMMET

- rubber, special

2шт.

31

161363A1

GROMMET

- rubber, special

1шт.

32

162833A1

GROMMET

- rubber, special

1шт.

33

161365A1

GROMMET

- rubber, special

1шт.

34

161366A1

CATCH PLATE

STRIKER - cab door

1шт.

35

161367A1

BOLT

BOLT - door striker

9шт.

36

161368A1

STOP

PER - roof lock

1шт.

37

161369A1

SCREW

- roof lock stopper

2шт.

38

161370A1

NUT

- special

2шт.

39

164164A1

HANDLE

HANDRAIL - cab, replaces 162834A1, hand rail

1шт.

40

KHN2727

BOLT,Spcl

Replaces 161371A1

3шт.

41

161372A1

ANTENNA

- cab radio

1шт.

42

161373A1

GROMMET

- special, door catch

1шт.

43

162832A1

HARNESS

- electrical wiring, cab fan

1шт.

Выбрано товаров: 0