Запчасти Case 9020B (2-040) - TURBOCHARGER SYSTEM, 4TA-390 EMISSIONS CERTIFIED ENGINE,P.I.N. DAC02#2001 AND AFTER (02) - ENGINE

Схема запчастей Case 9020B - (2-040) - TURBOCHARGER SYSTEM, 4TA-390 EMISSIONS CERTIFIED ENGINE,P.I.N. DAC02#2001 AND AFTER (02) - ENGINE
26
23
3
20
14
4
19
24
17
1
7
24
15
22
14
9
10
11
2
5
9
26
16
21
7
8
12
13
18
8
FIT
1:1
100%

Артикул

Название

Примечание

Количество

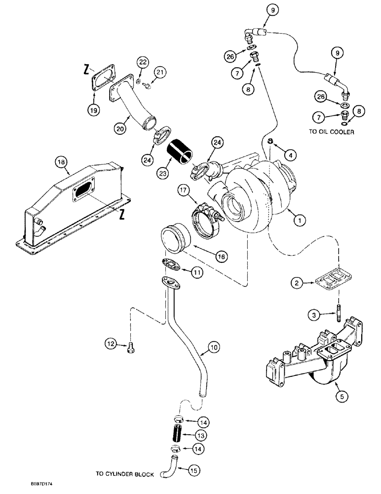
1

J537033

TURBOCHARGER

ASSEMBLY - engine, new, production only, order J802906 turbocharger kit, see Figure 2-44

1шт.

2

J919369

GASKET,0.5mm Thk

-, Serial Range: turbocharger-manifold

1шт.

3

J818823

STUD

- turbocharger mounting, M10 x 40

4шт.

4

J818824

FLANGE NUT

- hex flange, special, 10 mm - 1.5, turbocharger mounting

4шт.

5

J901635

MANIFOLD

- exhaust, see Figure 2-36 for mounting parts

1шт.

7

J919687

HYD CONNECTOR

ADAPTER - female hex, special, Includes: Ref. 8

2шт.

8

238-5013

O-RING,0.07" Thk x 0.426" ID, -13, Cl 5, 75 Duro

-013, 70 Duro, .426" ID x .070" Thk, Outer

1шт.

9

J909545

HOSE

406 mm (16.0"), Turbocharger Supply

1шт.

10

J903741

TUBE

- turbocharger oil drain, upper

1шт.

11

J931350

GASKET

- turbo oil drain tube

1шт.

12

845-8020

BOLT,Hvy Hex, M8 x 20mm, Cl 8.8

- heavy hex flange, 8 - 1.25 x 20 mm

2шт.

13

J903745

LARGE HOSE

HOSE - 76 mm (3 inch) long

1шт.

14

214-1416

HOSE CLAMP,#16, 0.81" - 1.5", Type F Worm

CLAMP, HOSE, , Adj., Turbocharger drain hose #16, 0.81/1.50 Type F Worm

2шт.

15

J903744

PIPE FITTING,22.42 mm ID x 28 mm OD x 90.2, 64 mm L

TUBE - turbocharger oil drain

1шт.

16

J910990

TUBE,64 mm ID x 72.64 mm OD x 40.50 mm L

- exhaust outlet, turbocharger to exhaust pipe

1шт.

17

A170467

CLAMP,72mm ID

- includes hardware

1шт.

18

84138943

AFTERCOOLER

- air intake, see Figure 2-36 for mounting parts, Replaces J919805

1шт.

19

J914856

GASKET,1.02mm Thk

- air crossover, Serial Range: connection,-aftercooler

1шт.

20

J931964

CONNECTOR, ELEC

CONNECTION - air crossover

1шт.

21

J918109

FLANGE BOLT,Hex, M8 x 1.25 x 25mm

SCREW, , Special Hex Flg Hd, M8 x 1.25 x 25

4шт.

22

J918189

SEALING WASHER

WASHER - sealing

4шт.

23

J916166

INTAKE AIR HOSE

HOSE - 71 mm (2-3/4 inch) long, intake

1шт.

24

214-3240

HOSE CLAMP,1-3/4" - 2-5/8", HD Worm, W/ Liner

CLAMP, HOSE, 1.75/2.625 HD Worm, W/liner

2шт.

26

222-993

GASKET,3/8 Tube, Fl, Copper

2шт.

Выбрано товаров: 24