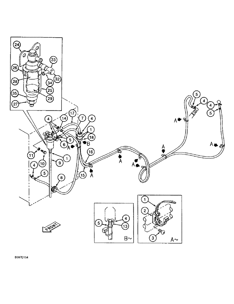
Запчасти Case 9020B (3-006) - FUEL LINES, P.I.N. DAC02#2001 AND AFTER (03) - FUEL SYSTEM

Схема запчастей Case 9020B - (3-006) - FUEL LINES, P.I.N. DAC02#2001 AND AFTER (03) - FUEL SYSTEM
5
1
5
6
5
18
4
32
17
7
1
26
33
4
27
4
9
34
4
4
29
13
10
1
5
25
2
16
14
11
3
4
5
35
28
24
8
15
FIT
1:1
100%

Артикул

Название

Примечание

Количество

1

150496A1

MOUNTING CLIP

STRAP - tie, 250 mm long

11шт.

2

150860A1

COLLAR

BRACKET - support, tie strap

8шт.

3

840-168

SCREW,Pan, M6 x 1 x 8mm, Cl 4.8

- machine, pan Phillips, 6 - 1.0 x 8 mm

8шт.

4

153043A1

COLLAR

CLAMP - wire-type

8шт.

5

150067A1

MOUNTING CLIP

STRAP - tie, 150 mm long

6шт.

6

150247A1

FUEL HOSE,9.5 mm ID, 14.7 mm OD

TUBE - vinyl, pink, 1200 mm (47-1/4 inch) long

1шт.

7

150774A1

PLASTIC-RUBBER TUBE

SLEEVE - corrugated, 1000 mm (39-3/8 inch) long

1шт.

8

150520A1

GROMMET

- rubber

1шт.

9

157631A1

TUBE

- vinyl, blue, 850 mm (33-1/2 inch) long

1шт.

10

627-8020

BOLT,Hex, M8 x 1.25 x 20mm, Cl 10.9, Full Thd

- hex, full threads, 8 - 1.25 x 20 mm, class 10.9

2шт.

11

892-11008

LOCK WASHER,8mm ID

WASHER, LOCK, M8

2шт.

13

157616A1

PLASTIC-RUBBER TUBE,9.5 mm ID, 14.7 mm OD

TUBE - vinyl, pink, 2700 mm (106-1/4 inch) long

1шт.

14

157651A1

PLASTIC-RUBBER TUBE,9.5 mm ID, 14.5 mm OD, 3100 mm Length

TUBE - vinyl

1шт.

15

150782A1

PLASTIC-RUBBER TUBE

SLEEVE - corrugated, 2500 mm (98-7/16 inch) long

1шт.

16

151175A1

PLASTIC-RUBBER TUBE

SLEEVE - corrugated, 3000 mm (118-1/8 inch) long

1шт.

17

157590A1

TUBE,9.5 mm ID, 14 mm OD, 300 mm Length

- vinyl

1шт.

18

D139225

FILTER, FUEL

FILTER - fuel, in-line, replaces D145357 filter

1шт.

151071A1

WATER TRAP

SEPARATOR ASSEMBLY - water, Includes: Ref. 24 - 35

1шт.

24

156289A1

FILTER HEAD

COVER - water separator

1шт.

25

156240A1

FILTER BOWL

HOUSING - water separator

1шт.

26

156184A1

RING NUT

NUT - ring-type

1шт.

27

155467A1

PLUG, DRAIN

PLUG - drain

1шт.

28

156291A1

PLATE

- baffle

1шт.

29

156290A1

FLOAT

INDICATOR - floating

1шт.

30

155175A1

O-RING

- separator, middle section of separator, not shown

1шт.

31

155174A1

O-RING

- separator, lower section of separator, not shown

1шт.

32

156185A1

BANJO BOLT

BOLT - special

2шт.

33

155297A1

GASKET

GASKET - banjo fitting

4шт.

34

156292A1

FITTING

- banjo-type

2шт.

35

155353A1

PLUG

CAP - drain

1шт.

Выбрано товаров: 30