Запчасти Case 9020B (4-006) - MAIN ELECTRICAL WIRING HARNESS AND CONNECTIONS, PRIOR TO P.I.N. DAC0202001 (04) - ELECTRICAL SYSTEMS

Схема запчастей Case 9020B - (4-006) - MAIN ELECTRICAL WIRING HARNESS AND CONNECTIONS, PRIOR TO P.I.N. DAC0202001 (04) - ELECTRICAL SYSTEMS
34
45
14
24
48
8
19
1
5
28
17
33
16
10
19
48
11
9
7
12
36
48
12
39
48
5
38
26
21
6
4
43
23
37
4
47
3
14
15
3
30
46
5
27
41
18
18
35
29
24
20
17
48
18
28
44
25
3
13
5
31
12
2
40
5
22
42
32
FIT
1:1
100%

Артикул

Название

Примечание

Количество

1

159949A1

HORN

- electric, frequency 350HZ, 105-115db

1шт.

2

159948A1

HORN

- electric, frequency 310HZ, 108-120db

1шт.

3

159602A1

BOLT,Sems, Hex, M6 x 16mm

BOLT - special

30шт.

4

627-8020

BOLT,Hex, M8 x 1.25 x 20mm, Cl 10.9, Full Thd

- hex, full threads, 8 - 1.25 x 20 mm, class 10.9

5шт.

5

892-11008

LOCK WASHER,8mm ID

WASHER, LOCK, M8

9шт.

7

150520A1

GROMMET

- rubber

2шт.

8

159900A1

PRESSURE SWITCH

SWITCH - pressure, travel pilot pressure

1шт.

9

159899A1

PRESSURE SWITCH

SWITCH - pressure, upper pilot pressure

1шт.

10

161630A1

HARNESS

- electrical wiring, standard models, Serial Range: -DAC0201338

1шт.

See Figure 1-002 for explanation of model variations.

1шт.

10

164721A1

HARNESS

- electrical wiring, standard models, and special application models, Serial Range: DAC0201338-DAC0202000

1шт.

10

164721A1

HARNESS

- electrical wiring, standard models, and special application models, Serial Range: -DAC0212001

1шт.

See Figure 1-002 for explanation of model variations.

1шт.

11

892-11010

LOCK WASHER,M10

2шт.

13

893-11006

LOCK WASHER,Ext Tooth, M6

WASHER - external tooth lock, 6 mm

1шт.

14

159147A1

SENSOR

- temperature, hydraulic oil

2шт.

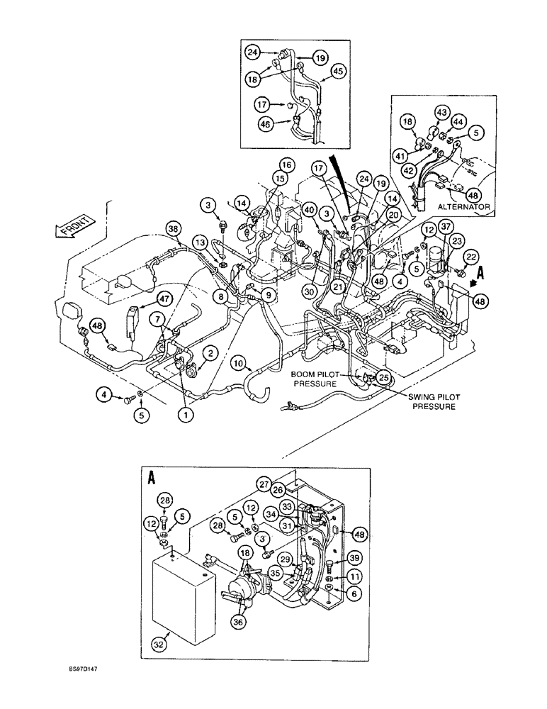
159147A1, is used as both the hydraulic oil temperature sensor and as the engine coolant temperature sensor. In the artwork, the Ref. 14 bubble farthest to the left is for the engine coolant temperature sensor. It screws into Ref. 35 reducer bushing shown on Figure 2-58. The Ref. 14 farther to the right is the hydraulic oil temperature sensor.

1шт.

15

163658A1

THERMOSTATIC SWITCH

SWITCH - temperature, hydraulic oil, replaces 159148A1 switch

1шт.

16

159901A1

SEALING WASHER

WASHER - sealing

1шт.

17

L126191

THERMOSTATIC SWITCH

THERMOCOUPLE - circuit breaking, includes lead wires, cold start, see Figure 4-32, Ref. 10

1шт.

18

159173A1

CAP

- terminal

5шт.

19

116992A2

TUBE,0.125 mm OD

- nylon, 2693 mm (106 inch) long, cut from L60539X bulk tube, see below, see Figure 4-32, Ref. 6

1шт.

20

162218A1

ALARM

- travel

1шт.

21

161489A1

GROMMET

- rubber, special

1шт.

22

152718A1

BOLT,Spcl, Hex Wshr, M12 x 25mm, Cl 10.9

- special

2шт.

23

161653A1

BRACKET

- mounting, valve

1шт.

24

A172900

NOZZLE CAP

NOZZLE ASSEMBLY - atomizer, ether injection, see Figure 4-32

1шт.

25

159599A1

PRESSURE SWITCH

SWITCH - pressure

2шт.

26

892-11005

LOCK WASHER,M5

WASHER, LOCK, M5

2шт.

27

829-1406

NUT,Hex, M6 x 1, Cl 10.9

2шт.

28

627-8016

BOLT,Hex, M8 x 1.25 x 16mm, Cl 10.9, Full Thd

- hex, full threads, 8 - 1.25 x 16 mm, class 10.9

2шт.

29

159903A1

FUSE

- 25 amps

2шт.

L60539X

TUBE

- bulk, nylon, 3 (1/8) ID x 4267 mm (168 inch) long

1шт.

30

159185A1

CAP

- terminal

1шт.

31

161628A1

BRACKET

- battery relay

1шт.

32

161629A1

COVER

- battery relay

1шт.

33

159898A1

RELAY

- starter

1шт.

34

159902A1

FUSE

- starter relay

1шт.

35

159904A1

COVER

- wire

2шт.

36

162212A1

TERMINAL CONNECTOR

- terminal

2шт.

37

L126094

VALVE

ASSEMBLY - solenoid, ether injection, see Figure 4-32, Ref. 1

1шт.

38

159913A1

HARNESS

- wiring

1шт.

39

627-10025

BOLT,Hex, M10 x 1.5 x 25mm, Cl 10.9, Full Thd

- hex, full threads, 10 - 1.5 x 25 mm, class 10.9

2шт.

40

159175A1

CAP

- terminal

1шт.

41

829-1405

NUT,M5, Cl 10

- hex, 5 mm - 0.8, class 10

1шт.

42

892-11005

LOCK WASHER,M5

WASHER, LOCK, M5

1шт.

43

159184A1

CAP

- terminal

1шт.

44

829-1408

NUT,Hex, M8 x 1.25, Cl 10.9

- hex, 8 mm - 1.25, class 10

1шт.

45

163846A1

HARNESS

- wiring

1шт.

For standard models P.I.N DAC0201338 - DAC0202000, and special application models prior to P.I.N. DAC0212001

1шт.

46

150067A1

MOUNTING CLIP

STRAP - tie, 150 mm long

1шт.

For standard models P.I.N DAC0201338 - DAC0202000, and special application models prior to P.I.N. DAC0212001

1шт.

47

161374A1

RESERVOIR ASSY.

RESERVOIR - washer fluid, windshield

1шт.

48

231959A1

DIODE

- electrical

5шт.

12

895-11008

WASHER,9mm ID x 16mm OD x 1.6mm Thk

- flat, 9 x 17 x 1.6 mm

6шт.

6

895-11010

WASHER,11mm ID x 20mm OD x 2mm Thk

- flat, 11 x 20 x 2 mm

2шт.

Выбрано товаров: 56