Запчасти Case 9020B (4-024) - CAB ELECTRICAL SYSTEM, CONSOLE, CONTROLLER & AUXILIARY CONTROL HARNESSES,*PRIOR TO P.I.N. DAC0202001 (04) - ELECTRICAL SYSTEMS

Схема запчастей Case 9020B - (4-024) - CAB ELECTRICAL SYSTEM, CONSOLE, CONTROLLER & AUXILIARY CONTROL HARNESSES,*PRIOR TO P.I.N. DAC0202001 (04) - ELECTRICAL SYSTEMS
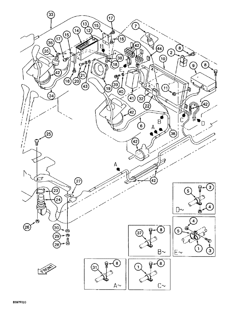
41
23
19
8
8
5
2
42
24
16
9
4
36
17
3
42
26
43
34
28
38
30
39
25
17
22
7
42
16
27
12
13
1
18
21
8
42
33
38
40
37
20
4
15
29
1
11
10
3
42
44
6
31
5
42
15
35
8
32
8
14
FIT
1:1
100%

Артикул

Название

Примечание

Количество

1

157808A1

COLLAR

CLAMP - P-type

4шт.

2

159919A1

RELAY

- electrical system controller

10шт.

3

627-6020

BOLT,Hex, M6 x 1 x 20mm, Cl 10.9, Full Thd

- hex, full threads, 6 - 1.0 x 20 mm, class 10.9

2шт.

4

157699A1

FLANGE NUT

- hex flange, special

2шт.

5

158970A1

COLLAR

CLAMP - P-type

2шт.

6

159928A1

HARNESS

- wiring, left-hand control lever

1шт.

7

159920A1

LIGHTER, CIGARETTE

LIGHTER - cigar

1шт.

8

156559A1

BOLT,High Strength, Hex, M6 x 12mm, W/ LW

BOLT - hex, special

25шт.

9

162902A1

ECU

CONTROLLER - motor driver

1шт.

10

165636A1

CONTROL

LER - electrical system, replaces 163113A1 controller

1шт.

10

168788A1R

REMAN ELECT CONTROL

9020B CASE CRAWLER EXCAVATOR, LER - electrical system, PRIOR TO P.I.N. DAC02#2001 (1/95-), Reman for New PN 165636A1

1шт.

10

168788A1C

CORE-ELECTRONIC CONT

Return Number

1шт.

11

150469A1

FLANGE NUT

- hex flange, special

4шт.

159940A1

RADIO

- AM/FM, Includes: Ref. 12 - 14

1шт.

12

159941A1

SET OF PARTS

KIT - radio parts

1шт.

13

159942A1

SET OF PARTS

KIT - radio parts

1шт.

14

NSS

NOT SOLD SEPARAT

RADIO - AM/FM

1шт.

15

159944A1

SUPPORT

BRACKET - radio mounting

2шт.

16

159945A1

SCREW,Truss Hd

- special

4шт.

17

157537A1

SCREW

- special

4шт.

18

152500A1

CABLE ASSY.

WIRE - antenna

1шт.

19

159946A1

SPEAKER

- radio

1шт.

20

159947A1

SCREW,Phil Pan Head, M4 x 12mm

- special

4шт.

21

160383A1

SPRING WASHER

WASHER - lock, special

4шт.

22

159923A1

SWITCH

- rocker, cold start

1шт.

23

160663A1

PACKING

GASKET - switch

1шт.

24

159921A1

SWITCH, CRUISE INC/D

SWITCH - special, travel speed select

1шт.

25

159922A1

SCREW,Pan Hd, M5 x 20mm

- special

2шт.

26

825-1405

NUT,M5, Cl 8

2шт.

27

158962A1

CLIP

- harness

1шт.

28

627-8012

BOLT,Hex, M8 x 1.25 x 12mm, Cl 10.9, Full Thd

- hex, full threads, 8 - 1.25 x 12 mm, class 10.9

1шт.

29

892-11008

LOCK WASHER,8mm ID

WASHER, LOCK, M8

1шт.

31

159150A1

COLLAR

CLAMP - P-type

6шт.

32

159187A1

HARNESS

-, Serial Range: controller-controller

1шт.

33

159926A1

HARNESS

- controller

1шт.

34

159927A1

HARNESS

- wiring, right-hand control lever

1шт.

162217A1

IGNITION SWITCH

SWITCH ASSEMBLY - starter, engine, Includes: Ref. 35 and 36

1шт.

35

159909A1

IGNITION SWITCH

SWITCH - ignition

1шт.

36

150979A1

IGNITION KEY

KEY - ignition switch

2шт.

(150979A1 KEY) COMES AS A SET OF 2 KEYS. IF YOU ORDER 1 PC YOU WILL GET A SET OF 2.

1шт.

37

157807A1

COLLAR

CLAMP - P-type, 20 mm ID

2шт.

38

150067A1

MOUNTING CLIP

STRAP - tie, 150 mm long

3шт.

39

862-6020

HEX SOC SCREW,M6 x 20mm, Cl 12.9

BOLT - hex socket, 6 - 1.0 x 20 mm, class 12.9

2шт.

40

892-11006

LOCK WASHER,M6

WASHER, LOCK, M6

2шт.

41

159910A1

BOX, FUSE

BOX - fuse

1шт.

42

150496A1

MOUNTING CLIP

STRAP - tie, 250 mm long

8шт.

43

160384A1

WASHER

- flat, special, if used

4шт.

44

231959A1

DIODE

- electrical

1шт.

30

895-11008

WASHER,9mm ID x 16mm OD x 1.6mm Thk

- flat, 9 x 17 x 1.6 mm

1шт.

Выбрано товаров: 0